Каталог запасных частей к технике: МТЗ-1221.4. Вал отбора мощности передний

zoom-in zoom-out enlarge shrink circle-right circle-left file-text2 info cart arraw right arraw left zoom out zoom in arraw maximize arraw minimize
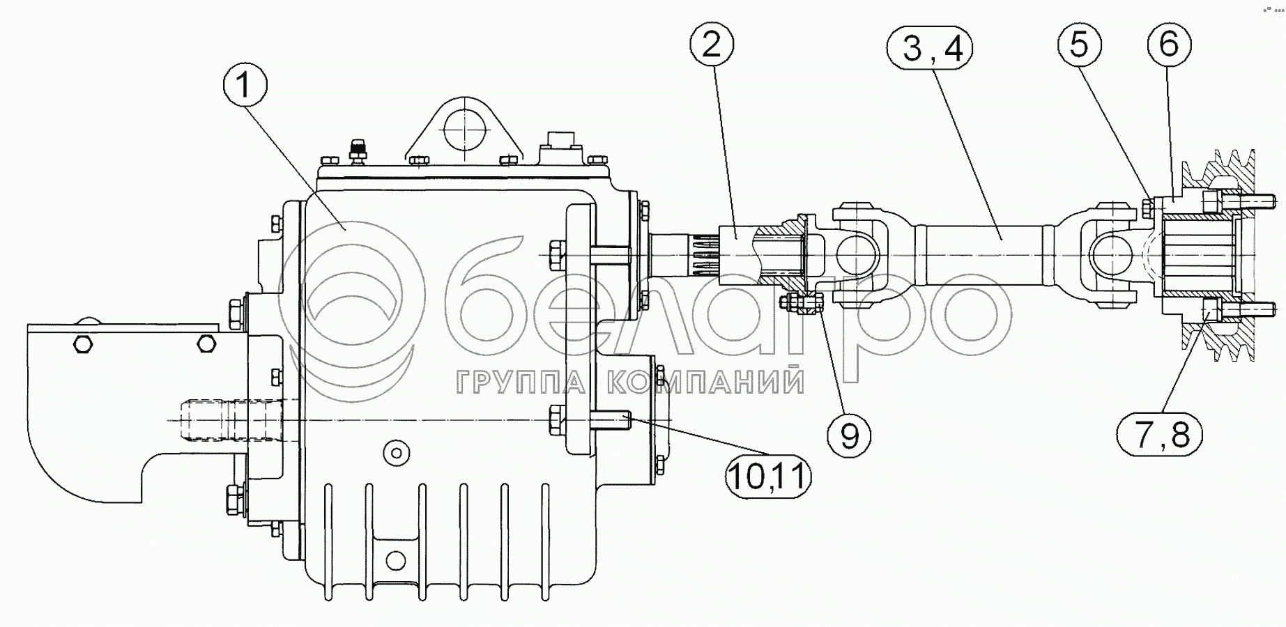
1
2
3
4
5
6
7
8
9
10
11
1
1522-4209025
Редуктор
В узле: 1
2
1522-4209017
Фланец
В узле: 1
3
1522-4209015
Вал
В узле: 1
4
1522-4209015-01
Вал
В узле: 1
5
ШП10
Шайба
В узле: 4
6
1522-4209018
Проставка
В узле: 1
7
ВМ12х50
Винт
В узле: 6
8
ШП12
Шайба
В узле: 6
9
52-2203012
Болт М10х1
В узле: 8
10
М16х60
Болт
В узле: 4
11
ШП16
Шайба
В узле: 4
Содержащиеся в справочниках-каталогах запасные части и детали не предлагаются к продаже, а носят исключительно информационный характер

Ваша заявка была отправлена. В ближайшее время наши специалисты с Вами свяжутся по указанному Вами телефону.

Представьтесь
Поле обязательно для заполнения
Ваш телефон
Введите правильный номер телефона
E-mail
Введите правильный e-mail
Тема
Тема
применяемость финансирование доставка цена, наличие другое сервис и гарантия
Время для звонка
08:00
08:00 09:00 10:00 11:00 12:00 13:00 14:00 15:00 16:00 17:00 18:00 19:00
19:00
08:00 09:00 10:00 11:00 12:00 13:00 14:00 15:00 16:00 17:00 18:00 19:00

Мы постараемся перезвонить в указанное время

Если вы не хотите ждать, то звоните нашим вежливым консультантам:

8 800 100-2-700
Подтвердите, что вы не робот
Подтвердите, что вы не робот
Спасибо!

Ваше сообщение успешно отправлено!

ЗакрытьПовторить попытку