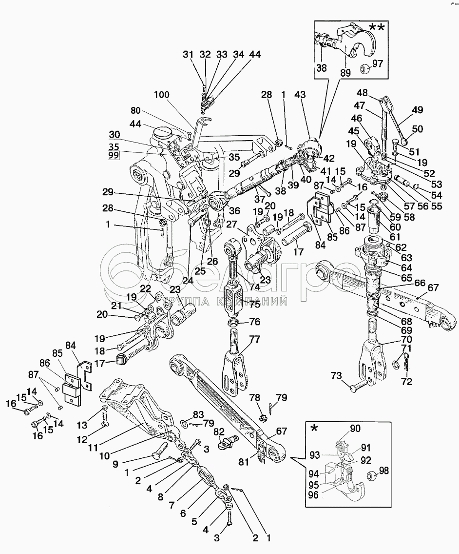
Каталог запасных частей к технике: МТЗ-1221.5. Гидросистема раздельно-агрегатная
1
1
1
1
2
2
3
3
4
4
5
6
7
8
9
10
11
11
12
13
14
14
14
14
15
15
15
15
16
16
16
17
17
18
18
19
19
19
19
19
19
20
20
21
22
23
23
24
25
26
27
28
28
29
29
30
31
32
33
34
35
35
36
37
38
38
39
40
41
42
43
44
44
45
46
47
48
49
50
51
52
53
54
55
56
57
58
59
60
61
62
63
64
65
66
67
67
68
69
70
71
72
73
74
75
76
77
78
79
79
80
81
82
83
84
84
85
85
86
86
87
87
87
89
90
91
92
93
94
95
96
97
98
99
100
|
72
А61.07.001
Шплинт
В узле: 2
|
|||||||||||||||||||||||||||||||||||||||||||||||||||||||||||||||||||||||||||||||||||||||
| А61.07.001 Шплинт МТЗ, |
|
Под заказ | 10.80 р. | ||||||||||||||||||||||||||||||||||||||||||||||||||||||||||||||||||||||||||||||||||||
|
9
Ф50-4605084
Палец
В узле: 2
|
|||||||||||||||||||||||||||||||||||||||||||||||||||||||||||||||||||||||||||||||||||||||
| Ф50-4605084 Палец МТЗ в навеску |
|
>10 шт. | 354.13 р. | ||||||||||||||||||||||||||||||||||||||||||||||||||||||||||||||||||||||||||||||||||||
| Ф50-4605084 Палец МТЗ в навеску, (А) |
|
Под заказ | 34.68 р. | ||||||||||||||||||||||||||||||||||||||||||||||||||||||||||||||||||||||||||||||||||||
|
4
1220-4605107
Серьга
В узле: 4
|
|||||||||||||||||||||||||||||||||||||||||||||||||||||||||||||||||||||||||||||||||||||||
| 1220-4605107 Серьга МТЗ устройства навесного |
|
>10 шт. | 119.91 р. | ||||||||||||||||||||||||||||||||||||||||||||||||||||||||||||||||||||||||||||||||||||
| 1220-4605107 Серьга МТЗ устройства навесного, ВЗТЗЧ |
|
>10 шт. | 475.12 р. | ||||||||||||||||||||||||||||||||||||||||||||||||||||||||||||||||||||||||||||||||||||
|
26
А61.05.005
Чека
В узле: 1
|
|||||||||||||||||||||||||||||||||||||||||||||||||||||||||||||||||||||||||||||||||||||||
| А61.05.005 Чека МТЗ задней навески голая (под шплинт), Беларусь |
|
>10 шт. | 90.93 р. | ||||||||||||||||||||||||||||||||||||||||||||||||||||||||||||||||||||||||||||||||||||
| А61.05.005 Чека МТЗ задней навески голая (под шплинт), (А) |
|
Под заказ | 8.25 р. | ||||||||||||||||||||||||||||||||||||||||||||||||||||||||||||||||||||||||||||||||||||
|
50
А61.01.014
Рукоятка
В узле: 2
|
|||||||||||||||||||||||||||||||||||||||||||||||||||||||||||||||||||||||||||||||||||||||
| А61.01.014 Рукоятка МТЗ, Беларусь |
|
>10 шт. | 51.63 р. | ||||||||||||||||||||||||||||||||||||||||||||||||||||||||||||||||||||||||||||||||||||
|
46
1220-4605668-Б
Серьга
В узле: 2
|
|||||||||||||||||||||||||||||||||||||||||||||||||||||||||||||||||||||||||||||||||||||||
| 1220-4605668-Б Серьга |
|
>10 шт. | 3 078.43 р. | ||||||||||||||||||||||||||||||||||||||||||||||||||||||||||||||||||||||||||||||||||||
|
24
А61.10.001-02
Палец
В узле: 1
|
|||||||||||||||||||||||||||||||||||||||||||||||||||||||||||||||||||||||||||||||||||||||
| А61.10.001-02 Палец МТЗ механизма задней навески |
|
>10 шт. | 429.26 р. | ||||||||||||||||||||||||||||||||||||||||||||||||||||||||||||||||||||||||||||||||||||
|
25
А61.05.004
Кольцо
В узле: 1
|
|||||||||||||||||||||||||||||||||||||||||||||||||||||||||||||||||||||||||||||||||||||||
| А61.05.004 Кольцо МТЗ оборудования навесного и прицепного |
|
Под заказ | 23.40 р. | ||||||||||||||||||||||||||||||||||||||||||||||||||||||||||||||||||||||||||||||||||||
|
38
А61.02.003
Контргайка
В узле: 1
|
|||||||||||||||||||||||||||||||||||||||||||||||||||||||||||||||||||||||||||||||||||||||
| А61.02.003 Контргайка МТЗ, САЗ* |
|
>10 шт. | 99.34 р. | ||||||||||||||||||||||||||||||||||||||||||||||||||||||||||||||||||||||||||||||||||||
|
34
А61.07.002
Пружина
В узле: 1
|
|||||||||||||||||||||||||||||||||||||||||||||||||||||||||||||||||||||||||||||||||||||||
| А61.07.002 Пружина МТЗ механизма задней навески |
|
>10 шт. | 145.95 р. | ||||||||||||||||||||||||||||||||||||||||||||||||||||||||||||||||||||||||||||||||||||
|
3
1220-4605104
Болт
В узле: 4
|
|||||||||||||||||||||||||||||||||||||||||||||||||||||||||||||||||||||||||||||||||||||||
| 1220-4605104 Болт МТЗ устройства навесного |
|
Под заказ | 356.29 р. | ||||||||||||||||||||||||||||||||||||||||||||||||||||||||||||||||||||||||||||||||||||
|
1220-4605120
Стяжка
В узле: 2
|
|||||||||||||||||||||||||||||||||||||||||||||||||||||||||||||||||||||||||||||||||||||||
| 1220-4605120 Стяжка МТЗ устройства навесного в сборе, (А) |
|
Под заказ | 1 738.04 р. | ||||||||||||||||||||||||||||||||||||||||||||||||||||||||||||||||||||||||||||||||||||
| 1220-4605120 Стяжка МТЗ устройства навесного в сборе, ВЗТЗЧ |
|
Под заказ | 4 224.68 р. | ||||||||||||||||||||||||||||||||||||||||||||||||||||||||||||||||||||||||||||||||||||
| 1220-4605120 Стяжка МТЗ устройства навесного в сборе РЗТ |
|
Под заказ | 3 011.96 р. | ||||||||||||||||||||||||||||||||||||||||||||||||||||||||||||||||||||||||||||||||||||
|
7
1220-4605103
Стяжка
В узле: 2
|
|||||||||||||||||||||||||||||||||||||||||||||||||||||||||||||||||||||||||||||||||||||||
| 1220-4605103 Стяжка МТЗ устройства навесного, (А) |
|
>10 шт. | 284.42 р. | ||||||||||||||||||||||||||||||||||||||||||||||||||||||||||||||||||||||||||||||||||||
| 1220-4605103 Стяжка МТЗ устройства навесного, ВЗТЗЧ |
|
Под заказ | 1 366.74 р. | ||||||||||||||||||||||||||||||||||||||||||||||||||||||||||||||||||||||||||||||||||||
|
29
142-4605076
Палец
В узле: 2
|
|||||||||||||||||||||||||||||||||||||||||||||||||||||||||||||||||||||||||||||||||||||||
| 142-4605076 Палец МТЗ устройства навесного |
|
Под заказ | 1 697.65 р. | ||||||||||||||||||||||||||||||||||||||||||||||||||||||||||||||||||||||||||||||||||||
|
73
1220-4605084-01
Палец
В узле: 2
|
|||||||||||||||||||||||||||||||||||||||||||||||||||||||||||||||||||||||||||||||||||||||
| 1220-4605084-01 Палец МТЗ вилки раскоса L=100 мм |
|
<10 шт. | 618.93 р. | ||||||||||||||||||||||||||||||||||||||||||||||||||||||||||||||||||||||||||||||||||||
|
82
1220-4605108
Проушина
В узле: 2
|
|||||||||||||||||||||||||||||||||||||||||||||||||||||||||||||||||||||||||||||||||||||||
| 1220-4605108 Проушина МТЗ короткая |
|
Под заказ | 2 032.58 р. | ||||||||||||||||||||||||||||||||||||||||||||||||||||||||||||||||||||||||||||||||||||
| 1220-4605108 Проушина МТЗ короткая РЗТ |
|
Под заказ | 661.68 р. | ||||||||||||||||||||||||||||||||||||||||||||||||||||||||||||||||||||||||||||||||||||
|
55
142-4605404-Б
Палец
В узле: 2
|
|||||||||||||||||||||||||||||||||||||||||||||||||||||||||||||||||||||||||||||||||||||||
| 142-4605404-Б Палец МТЗ навесного устройства |
|
Под заказ | 666.62 р. | ||||||||||||||||||||||||||||||||||||||||||||||||||||||||||||||||||||||||||||||||||||
|
1220-4605610-01
Раскос регулируемый
В узле: 2
|
|||||||||||||||||||||||||||||||||||||||||||||||||||||||||||||||||||||||||||||||||||||||
| 1220-4605610-01 Раскос МТЗ устройства навесного , ВЗТЗЧ |
|
<10 шт. | 23 560.07 р. | ||||||||||||||||||||||||||||||||||||||||||||||||||||||||||||||||||||||||||||||||||||
|
42
А61.05.100-05
Чека
В узле: 1
|
|||||||||||||||||||||||||||||||||||||||||||||||||||||||||||||||||||||||||||||||||||||||
| А61.05.100-05 Чека тяги МТЗ (А) |
|
Под заказ | 11.11 р. | ||||||||||||||||||||||||||||||||||||||||||||||||||||||||||||||||||||||||||||||||||||
|
78
70-4605316
Гайка упорная
В узле: 2
|
|||||||||||||||||||||||||||||||||||||||||||||||||||||||||||||||||||||||||||||||||||||||
| 70-4605316 Гайка МТЗ |
|
<10 шт. | 1 353.22 р. | ||||||||||||||||||||||||||||||||||||||||||||||||||||||||||||||||||||||||||||||||||||
|
10
1220-4605105
Серьга
В узле: 2
|
|||||||||||||||||||||||||||||||||||||||||||||||||||||||||||||||||||||||||||||||||||||||
| 1220-4605105 Серьга МТЗ устройства навесного, (А) |
|
<10 шт. | 668.49 р. | ||||||||||||||||||||||||||||||||||||||||||||||||||||||||||||||||||||||||||||||||||||
|
36
А61.02.100-03
Винт
В узле: 1
|
|||||||||||||||||||||||||||||||||||||||||||||||||||||||||||||||||||||||||||||||||||||||
| А61.02.100-03 Винт центральной тяги МТЗ левая резьба, САЗ* |
|
Под заказ | 1 367.68 р. | ||||||||||||||||||||||||||||||||||||||||||||||||||||||||||||||||||||||||||||||||||||
|
33
50-4605069
Втулка
В узле: 1
|
|||||||||||||||||||||||||||||||||||||||||||||||||||||||||||||||||||||||||||||||||||||||
| 50-4605069 Втулка МТЗ, БЗТДиА |
|
Под заказ | 37.70 р. | ||||||||||||||||||||||||||||||||||||||||||||||||||||||||||||||||||||||||||||||||||||
|
5
1220-4605102
Винт
В узле: 2
|
|||||||||||||||||||||||||||||||||||||||||||||||||||||||||||||||||||||||||||||||||||||||
| 1220-4605102 Винт МТЗ стяжки (правая резьба), ВЗТЗЧ |
|
Под заказ | 1 119.44 р. | ||||||||||||||||||||||||||||||||||||||||||||||||||||||||||||||||||||||||||||||||||||
|
30
70-4605145-01
Кронштейн
В узле: 1
|
|||||||||||||||||||||||||||||||||||||||||||||||||||||||||||||||||||||||||||||||||||||||
| 70-4605145-01 Кронштейн МТЗ, БЗТДиА |
|
<10 шт. | 702.28 р. | ||||||||||||||||||||||||||||||||||||||||||||||||||||||||||||||||||||||||||||||||||||
|
8
1220-4605102-01
Винт
В узле: 2
|
|||||||||||||||||||||||||||||||||||||||||||||||||||||||||||||||||||||||||||||||||||||||
| 1220-4605102-01 Винт МТЗ стяжки (левая резьба), ВЗТЗЧ |
|
Под заказ | 1 119.44 р. | ||||||||||||||||||||||||||||||||||||||||||||||||||||||||||||||||||||||||||||||||||||
|
20
1220-4605506
Болт
В узле: 6
|
|||||||||||||||||||||||||||||||||||||||||||||||||||||||||||||||||||||||||||||||||||||||
| 1220-4605506 Болт МТЗ устройства навесного |
|
Под заказ | 197.90 р. | ||||||||||||||||||||||||||||||||||||||||||||||||||||||||||||||||||||||||||||||||||||
|
40
А61.03.002
Кольцо
В узле: 2
|
|||||||||||||||||||||||||||||||||||||||||||||||||||||||||||||||||||||||||||||||||||||||
| А61.03.002 Кольцо МТЗ |
|
Под заказ | 21.33 р. | ||||||||||||||||||||||||||||||||||||||||||||||||||||||||||||||||||||||||||||||||||||
|
74
1220-4605075
Винт
В узле: 1
|
|||||||||||||||||||||||||||||||||||||||||||||||||||||||||||||||||||||||||||||||||||||||
| 1220-4605075 Винт МТЗ оборудования навесного |
|
<10 шт. | 4 180.85 р. | ||||||||||||||||||||||||||||||||||||||||||||||||||||||||||||||||||||||||||||||||||||
|
1220-4605612-01
Раскос винтовой
В узле: 1
|
|||||||||||||||||||||||||||||||||||||||||||||||||||||||||||||||||||||||||||||||||||||||
| 1220-4605612-01 Раскос МТЗ устройства навесного, винтовой |
|
Под заказ | 11 981.21 р. | ||||||||||||||||||||||||||||||||||||||||||||||||||||||||||||||||||||||||||||||||||||
|
71
50-3503071
Шайба
В узле: 2
|
|||||||||||||||||||||||||||||||||||||||||||||||||||||||||||||||||||||||||||||||||||||||
| 50-3503071 Шайба МТЗ тормозного валика |
|
Под заказ | 37.30 р. | ||||||||||||||||||||||||||||||||||||||||||||||||||||||||||||||||||||||||||||||||||||
|
39
А61.02.100-05
Винт диаметр 25
В узле: 1
|
|||||||||||||||||||||||||||||||||||||||||||||||||||||||||||||||||||||||||||||||||||||||
| А61.02.100-05 Винт МТЗ тяги верхней правой |
|
Под заказ | 1 361.03 р. | ||||||||||||||||||||||||||||||||||||||||||||||||||||||||||||||||||||||||||||||||||||
|
87
1522-4605702
Втулка
В узле: 4
|
|||||||||||||||||||||||||||||||||||||||||||||||||||||||||||||||||||||||||||||||||||||||
| 1522-4605702 Втулка |
|
<10 шт. | 196.18 р. | ||||||||||||||||||||||||||||||||||||||||||||||||||||||||||||||||||||||||||||||||||||
|
29
921-4605076
Палец
В узле: 2
|
|||||||||||||||||||||||||||||||||||||||||||||||||||||||||||||||||||||||||||||||||||||||
| 921-4605076 Палец МТЗ |
|
Под заказ | 1 681.64 р. | ||||||||||||||||||||||||||||||||||||||||||||||||||||||||||||||||||||||||||||||||||||
|
11
1220-4605091-Б1
Кронштейн правый
В узле: 1
|
|||||||||||||||||||||||||||||||||||||||||||||||||||||||||||||||||||||||||||||||||||||||
| 1220-4605091-Б1 Кронштейн МТЗ оборудования навесного, правый |
|
Под заказ | 11 233.85 р. | ||||||||||||||||||||||||||||||||||||||||||||||||||||||||||||||||||||||||||||||||||||
|
11
1220-4605091-Б1-01
Кронштейн левый
В узле: 1
|
|||||||||||||||||||||||||||||||||||||||||||||||||||||||||||||||||||||||||||||||||||||||
| 1220-4605091-Б1-01 Кронштейн МТЗ оборудования навесного, левый |
|
Под заказ | 11 228.62 р. | ||||||||||||||||||||||||||||||||||||||||||||||||||||||||||||||||||||||||||||||||||||
|
21
1220-4605507
Штифт
В узле: 2
|
|||||||||||||||||||||||||||||||||||||||||||||||||||||||||||||||||||||||||||||||||||||||
| 1220-4605507 Штифт МТЗ |
|
Под заказ | 260.56 р. | ||||||||||||||||||||||||||||||||||||||||||||||||||||||||||||||||||||||||||||||||||||
|
12
680-2707024
Болт
В узле: 8
|
|||||||||||||||||||||||||||||||||||||||||||||||||||||||||||||||||||||||||||||||||||||||
| 680-2707024 Болт МТЗ |
|
Под заказ | 666.62 р. | ||||||||||||||||||||||||||||||||||||||||||||||||||||||||||||||||||||||||||||||||||||
|
77
1220-4605620-Б
Вилка
В узле: 1
|
|||||||||||||||||||||||||||||||||||||||||||||||||||||||||||||||||||||||||||||||||||||||
| 1220-4605620-Б Вилка МТЗ раскоса |
|
Под заказ | 5 901.08 р. | ||||||||||||||||||||||||||||||||||||||||||||||||||||||||||||||||||||||||||||||||||||
|
70
1220-4605615
Вилка
В узле: 2
|
|||||||||||||||||||||||||||||||||||||||||||||||||||||||||||||||||||||||||||||||||||||||
| 1220-4605615 Вилка МТЗ |
|
Под заказ | 6 820.96 р. | ||||||||||||||||||||||||||||||||||||||||||||||||||||||||||||||||||||||||||||||||||||
|
А61.03.000-01
Тяга верхняя
В узле: 1
|
|||||||||||||||||||||||||||||||||||||||||||||||||||||||||||||||||||||||||||||||||||||||
| А61.03.000-01 Тяга МТЗ задней навески верхняя, САЗ |
|
Под заказ | 4 365.29 р. | ||||||||||||||||||||||||||||||||||||||||||||||||||||||||||||||||||||||||||||||||||||
|
98
80-4605693
Шарнир
В узле: 1
|
|||||||||||||||||||||||||||||||||||||||||||||||||||||||||||||||||||||||||||||||||||||||
| 80-4605693 Шарнир МТЗ |
|
Под заказ | 1 102.89 р. | ||||||||||||||||||||||||||||||||||||||||||||||||||||||||||||||||||||||||||||||||||||
Содержащиеся в справочниках-каталогах запасные части и детали не предлагаются к продаже, а носят исключительно информационный характер