Каталог запасных частей к технике: МТЗ-1221 (2009). Управление сцеплением («БЕЛАРУС-1221В/1221В.2»)

zoom-in zoom-out enlarge shrink circle-right circle-left file-text2 info cart arraw right arraw left zoom out zoom in arraw maximize arraw minimize
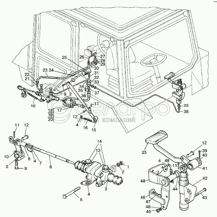
1
2
2
2
3
4
4
4
4
5
6
7
8
9
9
10
11
11
11
12
12
12
13
14
15
16
16
17
18
19
20
21
22
23
24
25
25
26
27
28
29
30
31
32
33
33
34
35
36
37
38
39
40
41
42
43
44
45
46
46
47
48
49
25
А13.33.002
Чехол
В узле: 2
А13.33.002 Накладка МТЗ на педаль сцепления и тормоза, с бортиком, Беларусь <10 шт. 128.94 р.
А13.33.002 Чехол на педаль сц. и тормоза (с бортиком) МТЗ, (У) Под заказ 92.54 р.
16
50-1605152
Пружина
В узле: 2
50-1605152 Пружина МТЗ, Беларусь Под заказ 145.06 р.
14
40-4607032
Болт
В узле: 2
40-4607032 Болт МТЗ, БЗТДиА >10 шт. 538.63 р.
8
50-3502203
Вилка
В узле: 1
50-3502203 Вилка соединительная МТЗ <10 шт. 291.90 р.
10
80-1601219-Б
Рычаг
В узле: 1
80-1601219-Б Рычаг МТЗ привода выключения сцепления, САЗ >10 шт. 543.55 р.
4
80-1602116
Ушко
В узле: 4
80-1602116 Ушко МТЗ крепежное >10 шт. 156.26 р.
3
80-1602510
Гидроусилитель
В узле: 1
80-1602510 Гидроусилитель сцепления МТЗ, SPILE <10 шт. 4 310.75 р.
80-1602510 Гидроусилитель сцепления МТЗ, Беларусь Под заказ 7 511.72 р.
24
80-1602040-Б
Стержень подушки
В узле: 1
80-1602040-Б Стержень привода выключения сцепления МТЗ Под заказ 642.45 р.
40
50-3503071
Шайба
В узле: 1
50-3503071 Шайба МТЗ тормозного валика Под заказ 37.30 р.
37
822-3503155
Штуцер
В узле: 1
822-3503155 Штуцер МТЗ Под заказ 583.33 р.
1
М12
Гайка
В узле: 2
2
ШП12
Шайба
В узле: 3
5
М12х100
Болт
В узле: 2
6
1221B-1602112
Тяга
В узле: 1
7
M12x1,25
Гайка
В узле: 1
9
М12х35
Болт
В узле: 1
11
3,2x18
Шплинт
В узле: 3
12
12x32
Палец
В узле: 3
13
40-4607038-A
Шайба
В узле: 4
15
1221B-1602020
Педаль
В узле: 1
17
1221B-1602550
Цилиндр рабочий
В узле: 1
18
2022-1602200
Рукав гибкий сцепления, тип 11
В узле: 1
19
923-3503221
Ниппель
В узле: 2
20
Д80-4607212
Гайка
В узле: 2
21
1221B-1602055
Труба
В узле: 1
22
XC-23
Хомут
В узле: 2
23
К1221-4607011
Шланг
В узле: 1
26
80-1602720
Труба
В узле: 1
27
1221-3407140
Клапан
В узле: 1
28
40-4607033-A
Шайба
В узле: 2
29
600-3407080
Маслопровод
В узле: 1
30
H.036.83.160
Рукав высокого давления
В узле: 1
31
1221B-3407130
Труба
В узле: 1
32
80В-1602106-Б
Угольник
В узле: 1
33
822-3503701
Штуцер
В узле: 2
34
М8
Гайка
В узле: 2
35
ШП8
Шайба
В узле: 2
36
М8х16
Болт
В узле: 2
38
1221B-1602180
Труба
В узле: 1
39
4x36
Шплинт
В узле: 1
41
1221B-1602040
Педаль
В узле: 1
42
1221B-1602610
Цилиндр главный
В узле: 1
43
М10х70
Болт
В узле: 2
44
80У-1602143
Втулка
В узле: 1
45
ГайкаМ10
Гайка
В узле: 2
46
ШП10
Шайба
В узле: 5
47
М10х25
Болт
В узле: 3
48
80B-1602060
Кронштейн
В узле: 1
49
70-4616033
Пружина
В узле: 1
Содержащиеся в справочниках-каталогах запасные части и детали не предлагаются к продаже, а носят исключительно информационный характер

Ваша заявка была отправлена. В ближайшее время наши специалисты с Вами свяжутся по указанному Вами телефону.

Представьтесь
Поле обязательно для заполнения
Ваш телефон
Введите правильный номер телефона
E-mail
Введите правильный e-mail
Тема
Тема
применяемость финансирование доставка цена, наличие другое сервис и гарантия
Время для звонка
08:00
08:00 09:00 10:00 11:00 12:00 13:00 14:00 15:00 16:00 17:00 18:00 19:00
19:00
08:00 09:00 10:00 11:00 12:00 13:00 14:00 15:00 16:00 17:00 18:00 19:00

Мы постараемся перезвонить в указанное время

Если вы не хотите ждать, то звоните нашим вежливым консультантам:

8 800 100-2-700
Подтвердите, что вы не робот
Подтвердите, что вы не робот
Спасибо!

Ваше сообщение успешно отправлено!

ЗакрытьПовторить попытку