Каталог запасных частей к технике: МТЗ-1222/1523. Фильтр-распределитель

zoom-in zoom-out enlarge shrink circle-right circle-left file-text2 info cart arraw right arraw left zoom out zoom in arraw maximize arraw minimize
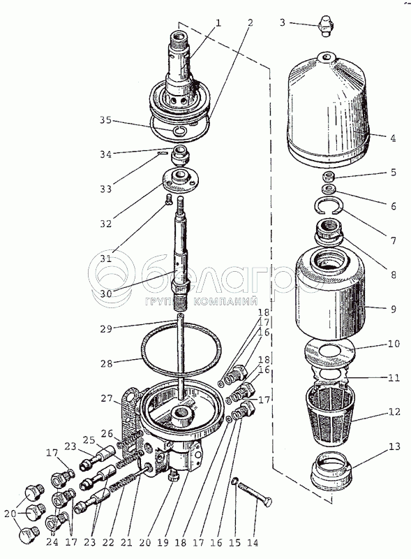
80-1737110
1
2
3
4
5
6
7
8
9
9
10
11
12
13
14
15
16
16
16
17
17
17
17
17
18
18
18
19
20
20
21
22
23
23
24
12
240-1404110
Сетка фильтрующая
В узле: 1
240-1404110 Сетка фильтрующая (МТЗ-80/100/900/1221, ЗИЛ-5301) (А) >10 шт. 29.77 р.
11
240-1404024
Крыльчатка
В узле: 1
240-1404024 Крыльчатка ротора МТЗ масляного фильтра, БЗА* >10 шт. 152.85 р.
10
240-1404113
Крышка
В узле: 1
240-1404113 Крышка МТЗ, БЗА* >10 шт. 68.86 р.
3
240-1404088
Гайка колпака
В узле: 1
240-1404088 Гайка МТЗ колпака масляного фильтра, БЗА* >10 шт. 153.06 р.
80-1737110
Фильтр-распределитель в сборе
В узле: 1
80-1737110 Фильтр-распределитель МТЗ центробежный, Беларусь <10 шт. 11 860.60 р.
16
50-1404075
Пробка
В узле: 3
50-1404075 Пробка МТЗ редукционного клапана, ММЗ Под заказ 190.12 р.
80-1028020
Ротор с осью
В узле: 1
80-1028080
Ось ротора
В узле: 1
1
240-1404017-Б
Корпус ротора
В узле: 1
2
115-120-30-2-1
Кольцо
В узле: 1
4
240-1404027
Колпак
В узле: 1
5
М12Х1,25
Гайка
В узле: 1
6
Д37А-1407607-В
Шайба
В узле: 1
7
240-1404033
Кольцо
В узле: 1
8
240-1404035-А
Гайка
В узле: 1
9
240-1404030-А
Стакан с гайкой и кольцом в сборе
В узле: 1
9
240-1404023
Стакан
В узле: 1
13
240-1404049
Стакан
В узле: 1
14
M10x70
Болт
В узле: 4
15
ШП10
Шайба
В узле: 4
17
1221-1737126
Прокладка клапана
В узле: 6
18
ШЧ5
Шайба
В узле: ---
19
80-1737111
Корпус
В узле: 1
20
КГ1/8
Пробка
В узле: 4
21
6h11x45
Штифт
В узле: 1
22
70-4801045
Пружина
В узле: 1
23
80-1737117
Клапан
В узле: 3
24
1221-1737114
Пробка
В узле: 3
Содержащиеся в справочниках-каталогах запасные части и детали не предлагаются к продаже, а носят исключительно информационный характер

Ваша заявка была отправлена. В ближайшее время наши специалисты с Вами свяжутся по указанному Вами телефону.

Представьтесь
Поле обязательно для заполнения
Ваш телефон
Введите правильный номер телефона
E-mail
Введите правильный e-mail
Тема
Тема
применяемость финансирование доставка цена, наличие другое сервис и гарантия
Время для звонка
08:00
08:00 09:00 10:00 11:00 12:00 13:00 14:00 15:00 16:00 17:00 18:00 19:00
19:00
08:00 09:00 10:00 11:00 12:00 13:00 14:00 15:00 16:00 17:00 18:00 19:00

Мы постараемся перезвонить в указанное время

Если вы не хотите ждать, то звоните нашим вежливым консультантам:

8 800 100-2-700
Подтвердите, что вы не робот
Подтвердите, что вы не робот
Спасибо!

Ваше сообщение успешно отправлено!

ЗакрытьПовторить попытку