Каталог запасных частей к технике: МТЗ-1222/1523. Кабина трактора

zoom-in zoom-out enlarge shrink circle-right circle-left file-text2 info cart arraw right arraw left zoom out zoom in arraw maximize arraw minimize
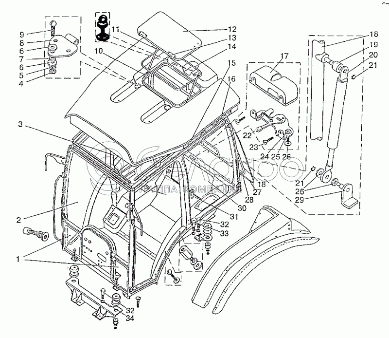
1
1
2
3
3
4
5
6
6
7
8
9
10
11
12
13
14
15
16
16
17
18
18
19
20
21
21
22
23
24
25
26
26
27
28
29
30
30
31
31
32
32
33
34
30
2522-6708952-Б
Стекло
В узле: 1
2522-6708952-Б Стекло МТЗ малое заднее 778х325, Беларусь <10 шт. 354.75 р.
2522-6708952-Б Стекло МТЗ малое заднее 633х325, Беларусь Под заказ 287.43 р.
3
2522-6708111-01
Стекло правое
В узле: 1
2522-6708111-01 стекло боковое правое 1522/1523 Под заказ 5 808.79 р.
31
2522-6708150
Фиксатор левый
В узле: 1
2522-6708150 Фиксатор МТЗ Под заказ 1 270.20 р.
31
2522-6708150-01
Фиксатор правый
В узле: 1
2522-6708150-01 Фиксатор МТЗ Под заказ 1 270.20 р.
16
80-8104060
Фильтр
В узле: 2
80-8104060 Фильтр воздушный кабины МТЗ Под заказ 1 436.88 р.
18
2522-6708215
Дуга
В узле: 1
2522-6708215 Дуга МТЗ Под заказ 11 116.65 р.
1
2522-6703012-01
Стекло правое
В узле: 1
1
2522-6703012
Стекло левое
В узле: 1
2
2522-6703011
Стекло
В узле: 1
3
2522-6708111
Стекло левое
В узле: 1
9
М6
Гайка
В узле: 10
5
ШП6
Шайба
В узле: 10
6
ШЧ6
Шайба
В узле: 20
7
549-1305044
Прокладка
В узле: 6
8
822-6707082
Петля
В узле: 2
10
822-6707075
Кронштейн
В узле: 4
11
586116
Пневмоподъемник 21532
В узле: 2
12
822-6707040
Люк
В узле: 1
13
822-6707081
Петля
В узле: 2
14
В-716
Профиль
В узле: 1
15
1522-8104060
Решетка
В узле: 2
17
822-6708279
Крышка
В узле: 1
19
А3701041
Втулка
В узле: 2
20
21054
Пневмоподъемник
В узле: 2
21
ШП5
Шайба
В узле: 4
22
822-6708270
Замок
В узле: 1
23
ВМ4х10
Винт
В узле: 2
24
М8х30
Болт
В узле: 2
25
ШП8
Шайба
В узле: 2
26
ШЧ8
Шайба
В узле: 6
27
2522-6708211
Стекло
В узле: 1
28
В-716-02
Профиль
В узле: 1
29
822-6708225
Кронштейн
В узле: 2
30
2522-6708952
Стекло
В узле: 1
32
М16х50
Болт
В узле: 8
33
M16x40
Болт
В узле: 8
34
ШП16
Шайба
В узле: 16
Содержащиеся в справочниках-каталогах запасные части и детали не предлагаются к продаже, а носят исключительно информационный характер

Ваша заявка была отправлена. В ближайшее время наши специалисты с Вами свяжутся по указанному Вами телефону.

Представьтесь
Поле обязательно для заполнения
Ваш телефон
Введите правильный номер телефона
E-mail
Введите правильный e-mail
Тема
Тема
применяемость финансирование доставка цена, наличие другое сервис и гарантия
Время для звонка
08:00
08:00 09:00 10:00 11:00 12:00 13:00 14:00 15:00 16:00 17:00 18:00 19:00
19:00
08:00 09:00 10:00 11:00 12:00 13:00 14:00 15:00 16:00 17:00 18:00 19:00

Мы постараемся перезвонить в указанное время

Если вы не хотите ждать, то звоните нашим вежливым консультантам:

8 800 100-2-700
Подтвердите, что вы не робот
Подтвердите, что вы не робот
Спасибо!

Ваше сообщение успешно отправлено!

ЗакрытьПовторить попытку