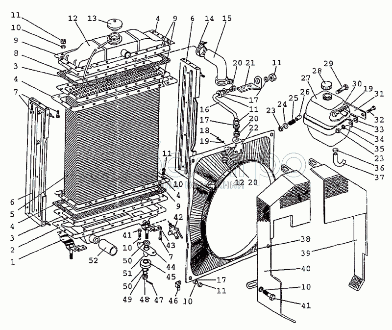
Каталог запасных частей к технике: МТЗ-1222/1523. Радиатор водяной

zoom-in zoom-out enlarge shrink circle-right circle-left file-text2 info cart arraw right arraw left zoom out zoom in arraw maximize arraw minimize
1520-1301010Б-01
1
2
3
3
4
4
4
4
5
6
6
7
7
8
9
9
9
10
10
10
10
10
11
11
11
11
11
12
12
13
14
15
16
17
17
17
18
19
19
20
20
20
21
22
23
23
24
25
26
27
28
29
30
31
32
33
34
15
142-1303010
Шланг
В узле: 1
142-1303010 Патрубок радиатора МТЗ верхний силиконовый (РФ) Под заказ Нет на складе
142-1303010 Патрубок радиатора МТЗ верхний силиконовый Под заказ 361.14 р.
142-1303010 Патрубок радиатора МТЗ верхний, (У) Под заказ 494.23 р.
20
85-1302071
Амортизатор
В узле: 2
85-1302071 Амортизатор МТЗ, Беларусь <10 шт. 21.06 р.
33
80-1311004
Пластина
В узле: 1
80-1311004 Пластина МТЗ расширительного бачка (планка) <10 шт. 318.51 р.
34
80-1311002
Хомут
В узле: 1
80-1311002 Хомут МТЗ бачка расширительного Под заказ 569.91 р.
16
1520-1302003
Растяжка
В узле: 1
1520-1302003 Растяжка МТЗ Под заказ 585.51 р.
21
1520-1302072
Кронштейн
В узле: 1
1520-1302072 Кронштейн МТЗ Под заказ 599.65 р.
31
1522-1311101
Кронштейн
В узле: 1
1522-1311101 Кронштейн МТЗ Под заказ 274.72 р.
1221-1309200
Ограждение вентилятора
В узле: 1
1520-1301010Б-01
Радиатор водяной
В узле: 1
1
2120-1301300
Опора радиатора
В узле: 1
2
2120-1301200
Бак радиатора нижний
В узле: 1
3
141.13.01.114
Прокладка
В узле: 2
4
141-1301113
Накладка угловая
В узле: 8
5
152013.01.020-01
Сердцевина
В узле: 1
6
141.13.01.111
Стойка
В узле: 2
7
М8х25
Болт
В узле: 72
8
1321-13.11008
Труба пароотводящая
В узле: 1
9
141.1301.112
Накладка
В узле: 8
10
ШП8
Шайба
В узле: 64
11
М8
Гайка
В узле: 64
12
1520-1301100
Бак радиатора верхний
В узле: 1
13
А21.01.270-1
Пробка радиатора
В узле: 1
14
ХС-64
Хомут
В узле: 4
17
ШЧ8
Шайба
В узле: 4
18
М10х18
Болт
В узле: 2
19
ШП10
Шайба
В узле: 2
22
1220-1302002
Кронштейн
В узле: 1
23
М6
Гайка
В узле: 2
24
80-1314006
Тарелка
В узле: 1
25
54.06.413
Пружина
В узле: 1
26
80-1311003
Втулка
В узле: 1
27
80П-1311010
Бачок расширительный
В узле: 1
28
80П-311011
Пробка
В узле: 1
29
М6х40
Болт
В узле: 1
30
М10х12
Болт
В узле: 1
32
М6х16
Винт
В узле: 1
Содержащиеся в справочниках-каталогах запасные части и детали не предлагаются к продаже, а носят исключительно информационный характер

Ваша заявка была отправлена. В ближайшее время наши специалисты с Вами свяжутся по указанному Вами телефону.

Представьтесь
Поле обязательно для заполнения
Ваш телефон
Введите правильный номер телефона
E-mail
Введите правильный e-mail
Тема
Тема
применяемость финансирование доставка цена, наличие другое сервис и гарантия
Время для звонка
08:00
08:00 09:00 10:00 11:00 12:00 13:00 14:00 15:00 16:00 17:00 18:00 19:00
19:00
08:00 09:00 10:00 11:00 12:00 13:00 14:00 15:00 16:00 17:00 18:00 19:00

Мы постараемся перезвонить в указанное время

Если вы не хотите ждать, то звоните нашим вежливым консультантам:

8 800 100-2-700
Подтвердите, что вы не робот
Подтвердите, что вы не робот
Спасибо!

Ваше сообщение успешно отправлено!

ЗакрытьПовторить попытку