Каталог запасных частей к технике: МТЗ-1222/1523. Управление стояночным тормозом (сухие)

zoom-in zoom-out enlarge shrink circle-right circle-left file-text2 info cart arraw right arraw left zoom out zoom in arraw maximize arraw minimize
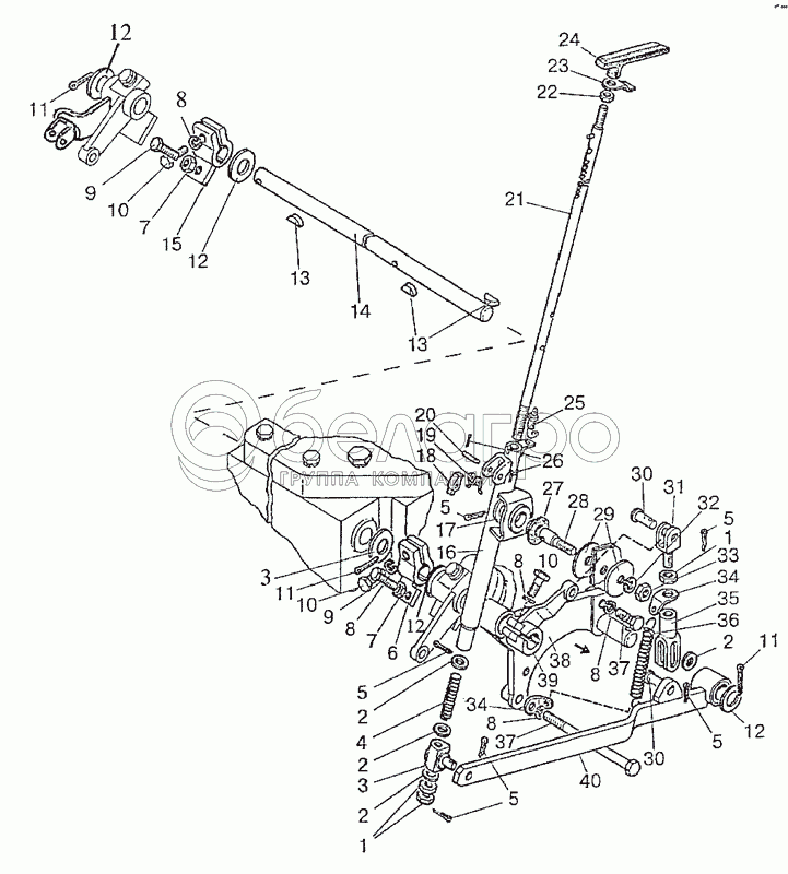
1522-3507010
1
1
2
2
2
2
3
3
4
5
5
5
5
5
6
6
7
7
8
8
8
8
8
9
9
10
10
10
11
11
11
12
12
12
12
13
13
14
15
16
17
18
19
20
21
22
23
24
25
26
27
28
29
30
30
31
32
33
34
34
35
36
37
37
38
39
40
34
80-1602116
Ушко
В узле: 2
80-1602116 Ушко МТЗ крепежное >10 шт. 156.71 р.
4
77.55.230
Пружина внутренняя
В узле: 1
77.55.230 Пружина МТЗ, Беларусь Под заказ 32.74 р.
12
50-3503071
Шайба
В узле: 5
50-3503071 Шайба МТЗ тормозного валика Под заказ 37.57 р.
1522-3507020
Механизм вытяжной
В узле: 1
1522-3507020 Механизм вытяжной МТЗ (рычаг) Под заказ 9 804.01 р.
1522-3507010
Управление тормозами
В узле: 1
1522-3507160
Тяга
В узле: 1
1
M12x1.25
Гайка
В узле: 3
2
ШЧ12
Шайба
В узле: 4
3
1522-3507012
Цапфа
В узле: 1
5
4x25
Шплинт
В узле: 6
6
1522-3507050
Рычаг
В узле: 1
6
1522В-3503060
Рычаг
В узле: 1
7
М12
Гайка
В узле: 2
8
ШП12
Шайба
В узле: 5
9
M12x40
Болт
В узле: 2
10
М12х35
Болт
В узле: 3
11
5x36
Шплинт
В узле: 5
13
СТП-611
Шпонка
В узле: 3
14
1522-3507015
Валик
В узле: 1
15
1522-3507045
Рычаг
В узле: 1
16
1522-3507030-А
Кронштейн
В узле: 1
17
ШЧ18
Шайба
В узле: 1
18
1522-3507022
Фиксатор
В узле: 1
19
1522-3507024
Пружина
В узле: 1
20
1522-3507029
Палец
В узле: 1
21
1522-3507025
Тяга
В узле: 1
22
52-2203013
Гайка
В узле: 1
23
1522-3507023
Упор
В узле: 1
24
1522-3507021-А
Рукоятка
В узле: 1
25
ВК409
Выключатель
В узле: 1
26
1,6x12
Шплинт
В узле: 2
27
1522-3507028
Втулка
В узле: 1
28
1522-3507038
Ось
В узле: 1
29
1522-3507013
Шайба
В узле: 2
30
12x32
Палец
В узле: 2
31
1021-3507161
Тяга
В узле: 1
32
ШП4
Шайба
В узле: 1
33
М14х1,5
Гайка
В узле: 1
35
80В-3503551
Вилка
В узле: 1
36
80В-4616014-А
Пружина
В узле: 1
37
1522-2409034-01
Болт
В узле: 2
38
1522-3507070
Кронштейн
В узле: 1
39
1522-3507060
Рычаг
В узле: 1
40
1522-3507040
Рычаг
В узле: 1
Содержащиеся в справочниках-каталогах запасные части и детали не предлагаются к продаже, а носят исключительно информационный характер

Ваша заявка была отправлена. В ближайшее время наши специалисты с Вами свяжутся по указанному Вами телефону.

Представьтесь
Поле обязательно для заполнения
Ваш телефон
Введите правильный номер телефона
E-mail
Введите правильный e-mail
Тема
Тема
применяемость финансирование доставка цена, наличие другое сервис и гарантия
Время для звонка
08:00
08:00 09:00 10:00 11:00 12:00 13:00 14:00 15:00 16:00 17:00 18:00 19:00
19:00
08:00 09:00 10:00 11:00 12:00 13:00 14:00 15:00 16:00 17:00 18:00 19:00

Мы постараемся перезвонить в указанное время

Если вы не хотите ждать, то звоните нашим вежливым консультантам:

8 800 100-2-700
Подтвердите, что вы не робот
Подтвердите, что вы не робот
Спасибо!

Ваше сообщение успешно отправлено!

ЗакрытьПовторить попытку