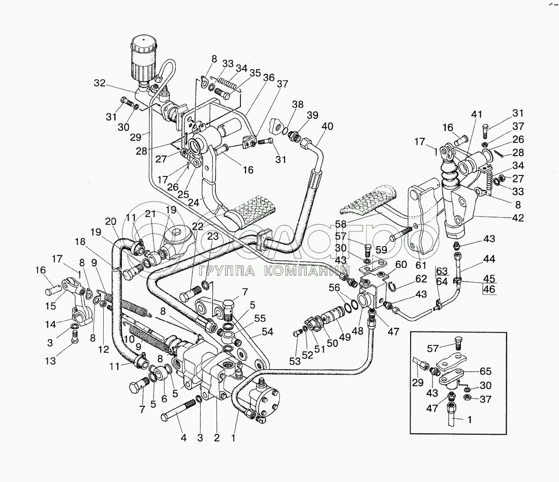
Каталог запасных частей к технике: МТЗ-1522. Управление сцеплением на переднем ходу и реверсе

zoom-in zoom-out enlarge shrink circle-right circle-left file-text2 info cart arraw right arraw left zoom out zoom in arraw maximize arraw minimize
1
1
2
3
3
4
5
5
5
6
7
7
8
8
8
8
8
8
9
9
10
11
11
12
13
14
15
16
16
16
17
17
17
18
19
19
20
21
22
23
24
25
26
26
27
27
28
28
29
29
30
30
30
31
31
31
32
33
33
34
34
35
36
37
37
37
38
39
40
41
42
43
43
43
43
44
45
46
47
47
48
49
50
51
52
53
54
55
56
57
57
58
59
60
61
62
63
64
65
19
40-4607033-А
Шайба
В узле: 2
40-4607033-А Шайба МТЗ многоцелевая (большая) <10 шт. 110.56 р.
9
50-1605152
Пружина
В узле: 2
50-1605152 Пружина МТЗ, Беларусь Под заказ 145.06 р.
7
40-4607032
Болт
В узле: 2
40-4607032 Болт МТЗ, БЗТДиА >10 шт. 552.97 р.
15
50-3502203
Вилка
В узле: 1
50-3502203 Вилка соединительная МТЗ >10 шт. 297.75 р.
18
40-4607037
Болт
В узле: 1
40-4607037 Болт МТЗ, БЗТДиА <10 шт. 735.45 р.
8
80-1602116
Ушко
В узле: 6
80-1602116 Ушко МТЗ крепежное >10 шт. 159.32 р.
41
70-1723032
Втулка
В узле: 1
70-1723032 Втулка <10 шт. 221.64 р.
42
1221В-1602610
Цилиндр главный
В узле: 1
1221В-1602610 Цилиндр сцепления МТЗ главный, Беларусь Под заказ 4 784.40 р.
26
50-3406037
Шайба упорная
В узле: 2
50-3406037 шайба Под заказ 23.62 р.
14
1522-1601219
Рычаг
В узле: 1
1522-1601219 Рычаг МТЗ Под заказ 3 365.74 р.
47
822-3503155
Штуцер
В узле: 1
822-3503155 Штуцер МТЗ Под заказ 595.04 р.
1522-1602100
Кран
В узле: 1
1
952-3407100-02
Рукав высокого давления
В узле: 1
2
1522-1602510
Гидроусилитель
В узле: 1
3
ШП12
Шайба
В узле: 3
4
М12х90
Болт
В узле: 2
5
40-4607038-А6
Шайба
В узле: 4
6
С80-4607380
Труба
В узле: 1
10
1221В-1602112
Тяга
В узле: 1
11
ХС-21
Хомут
В узле: 2
12
М12х1,25
Гайка
В узле: 1
13
М12х35
Болт
В узле: 1
16
12х32
Палец
В узле: 3
17
3,2х18
Шплинт
В узле: 3
20
1522-1602711
Шланг
В узле: 1
21
1221-3407130
Маслопровод
В узле: 1
22
М16х50
Болт
В узле: 3
23
ШП16
Шайба
В узле: 3
24
1522-1602090
Педаль
В узле: 1
25
822-3502203
Вилка
В узле: 1
27
М10
Гайка
В узле: 3
28
4х36
Шплинт
В узле: 2
29
1522-1602595
Маслопровод
В узле: 1
30
ШП8
Шайба
В узле: 4
31
М8х35
Болт
В узле: 4
32
73067196
Цилиндр "Гирлинг"
В узле: 1
33
ШП10
Шайба
В узле: 6
34
70-4616033
Пружина
В узле: 2
35
М10х25
Болт
В узле: 4
36
1522-1602030
Кронштейн
В узле: 1
37
М8
Гайка
В узле: 4
38
025-029-25-2-2
Кольцо
В узле: 1
39
1522-3407016
Штуцер
В узле: 1
40
1522-3407100-03
Рукав высокого давления
В узле: 1
43
822-3503701
Штуцер
В узле: 3
44
1522В-1602180
Маслопровод
В узле: 1
45
305ТВ-40.6
Трубка
В узле: 1
46
50-3723021
Скоба
В узле: 1
48
1522-1602101
Корпус крана
В узле: 1
49
1522-1602103
Золотник
В узле: 1
50
80-4609034
Упор
В узле: 1
51
80-4609033
Рукоятка
В узле: 1
52
ШП6
Шайба
В узле: 1
53
В1М6х20
Винт
В узле: 1
54
1522-1602067
Кронштейн
В узле: 1
55
1522-4607078
Угольник
В узле: 1
56
012-016-25-1-6
Кольцо
В узле: 2
57
М8х25
Болт
В узле: 2
58
1522В-1602040
Педаль
В узле: 1
59
М10х75
Болт
В узле: 2
60
1522В-1602105
Кронштейн
В узле: 1
61
1522-3401030
Кронштейн
В узле: 1
62
В16
Кольцо
В узле: 1
63
70-4802045
Кляммер
В узле: 1
64
ПР-32
Прокладка
В узле: 1
65
822-3503105
Угольник
В узле: 1
Содержащиеся в справочниках-каталогах запасные части и детали не предлагаются к продаже, а носят исключительно информационный характер

Ваша заявка была отправлена. В ближайшее время наши специалисты с Вами свяжутся по указанному Вами телефону.

Представьтесь
Поле обязательно для заполнения
Ваш телефон
Введите правильный номер телефона
E-mail
Введите правильный e-mail
Тема
Тема
применяемость финансирование доставка цена, наличие другое сервис и гарантия
Время для звонка
08:00
08:00 09:00 10:00 11:00 12:00 13:00 14:00 15:00 16:00 17:00 18:00 19:00
19:00
08:00 09:00 10:00 11:00 12:00 13:00 14:00 15:00 16:00 17:00 18:00 19:00

Мы постараемся перезвонить в указанное время

Если вы не хотите ждать, то звоните нашим вежливым консультантам:

8 800 100-2-700
Подтвердите, что вы не робот
Подтвердите, что вы не робот
Спасибо!

Ваше сообщение успешно отправлено!

ЗакрытьПовторить попытку