Каталог запасных частей к технике: МТЗ-1523. Установка батарей аккумуляторных

zoom-in zoom-out enlarge shrink circle-right circle-left file-text2 info cart arraw right arraw left zoom out zoom in arraw maximize arraw minimize
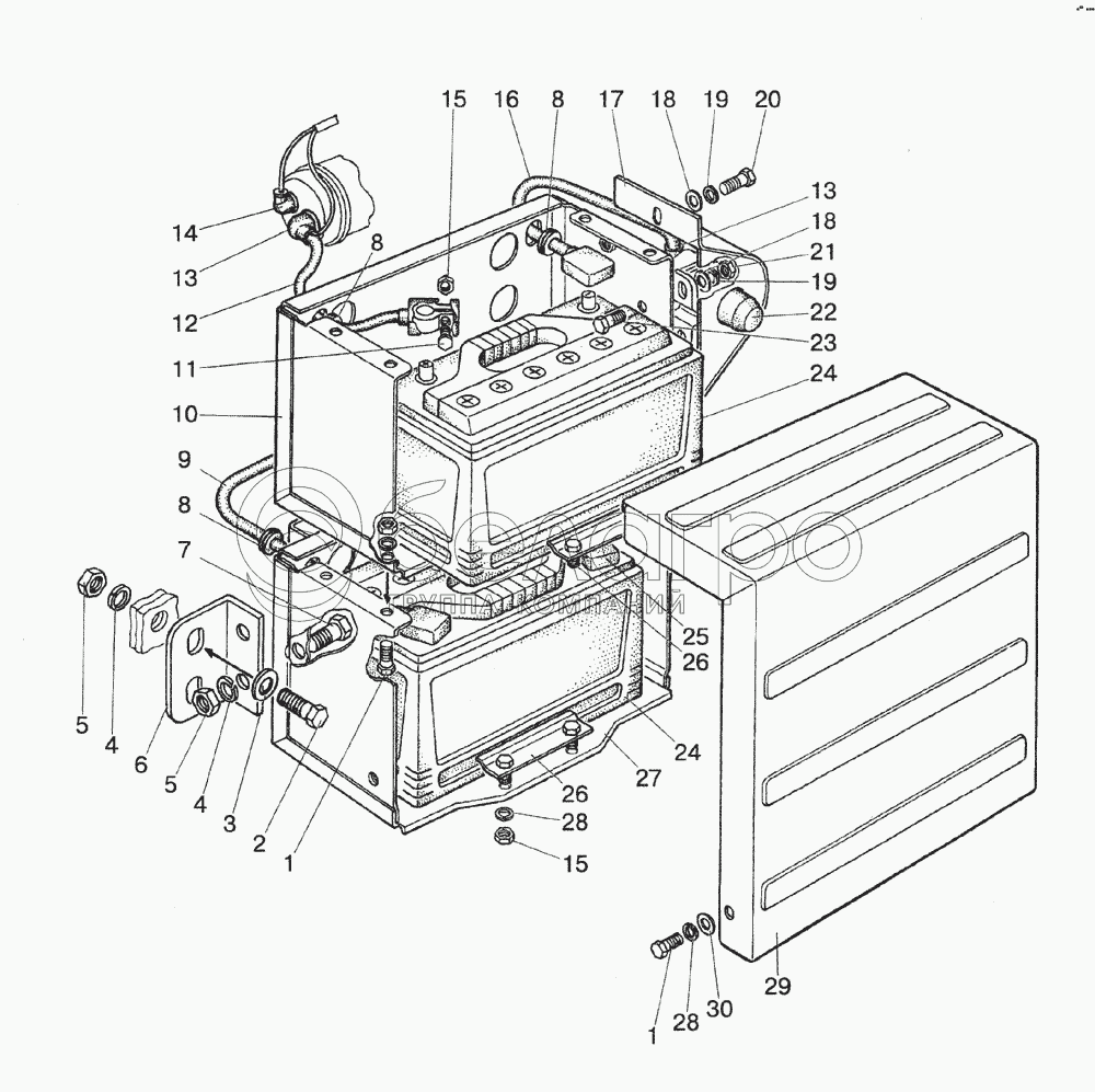
1
1
2
3
4
4
5
5
6
6
7
8
8
9
10
11
12
13
13
14
15
15
16
17
18
18
19
19
20
21
22
23
24
24
25
26
26
27
28
28
29
30
1
М8х20
Болт
В узле: 6
2
М16х55
Болт
В узле: 2
3
ШЧ16
Шайба
В узле: 2
4
ШП16
Шайба
В узле: 4
5
М16
Гайка
В узле: 4
6
1221В-3703031
Кронштейн
В узле: 1
7
М16х32
Болт
В узле: 2
8
50-4607064
Втулка
В узле: 4
9
1522-3724075-02
Провод
В узле: 1
10
1221В-3703010-02
Контейнер
В узле: 1
11
М8х30
Болт
В узле: 4
12
80-3724044А
Провод
В узле: 1
13
4-60
Чехол
В узле: 3
14
4-16
Чехол
В узле: 2
15
М8
Гайка
В узле: 12
16
1522-3724075
Провод
В узле: 1
17
1522-3703025
Кожух
В узле: 1
18
ШЧ6
Шайба
В узле: 4
19
ШП6
Шайба
В узле: 4
20
М6х16
Винт
В узле: 2
21
М6
Гайка
В узле: 2
22
1212-3737-06
Выключатель
В узле: 1
23
М6х20
Винт
В узле: 2
24
126,120А-ч
Батарея аккумуляторная
В узле: 2
25
1522-3724043
Провод
В узле: 1
26
80В-3703020
Прижим
В узле: 2
27
1221В-3703010
Контейнер
В узле: 1
28
ШЧ8
Шайба
В узле: 10
29
1221В-3703020-01
Кожух
В узле: 1
30
ШЧ8
Шайба
В узле: 2
Содержащиеся в справочниках-каталогах запасные части и детали не предлагаются к продаже, а носят исключительно информационный характер

Ваша заявка была отправлена. В ближайшее время наши специалисты с Вами свяжутся по указанному Вами телефону.

Представьтесь
Поле обязательно для заполнения
Ваш телефон
Введите правильный номер телефона
E-mail
Введите правильный e-mail
Тема
Тема
применяемость финансирование доставка цена, наличие другое сервис и гарантия
Время для звонка
08:00
08:00 09:00 10:00 11:00 12:00 13:00 14:00 15:00 16:00 17:00 18:00 19:00
19:00
08:00 09:00 10:00 11:00 12:00 13:00 14:00 15:00 16:00 17:00 18:00 19:00

Мы постараемся перезвонить в указанное время

Если вы не хотите ждать, то звоните нашим вежливым консультантам:

8 800 100-2-700
Подтвердите, что вы не робот
Подтвердите, что вы не робот
Спасибо!

Ваше сообщение успешно отправлено!

ЗакрытьПовторить попытку