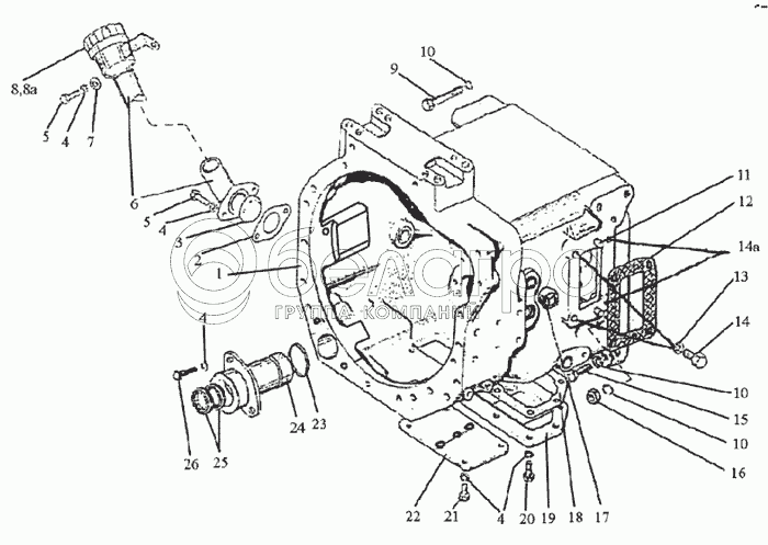
Каталог запасных частей к технике: МТЗ-1523.4. Корпус сцепления

zoom-in zoom-out enlarge shrink circle-right circle-left file-text2 info cart arraw right arraw left zoom out zoom in arraw maximize arraw minimize
1
2
3
4
4
4
5
5
6
6
7
8
9
10
10
10
11
12
13
14
15
16
17
18
19
20
21
22
23
24
24
25
26
8
082-1103010
Пробка
В узле: 1
082-1103010 Пробка топливного бака МТЗ пластмассовая (метал. бак) >10 шт. 69.75 р.
2
240-1002082-А
Прокладка
В узле: 1
240-1002082-А Прокладка МТЗ паронит 0,5 мм, РФ >10 шт. 5.55 р.
15
70-4605036
Болт
В узле: 4
70-4605036 болт Под заказ 235.45 р.
3
240-1002085
Сетка
В узле: 1
240-1002085 Сетка МТЗ маслозаборника, ММЗ Под заказ 131.06 р.
22
50-1601341
Крышка сцепления
В узле: 1
50-1601341 Крышка МТЗ корпуса сцепления Под заказ 265.69 р.
9
70-4605036-03
Болт
В узле: 1
70-4605036-03 Болт МТЗ Под заказ 231.86 р.
19
80-1601313
Крышка
В узле: 1
80-1601313 Крышка Под заказ 1 092.19 р.
36-1101070
Цепочка
В узле: 1
М12х150
Болт
В узле: 2
1
1522.4-1601015-01
Корпус
В узле: 1
4
ШП8
Шайба
В узле: 16
5
М8х20
Болт
В узле: 3
6
1522-1601300
Горловина заливная
В узле: 1
6
1522-1601310
Горловина заливная
В узле: 1
7
ШЧ8
Шайба
В узле: 1
10
ШП20
Шайба
В узле: 6
11
ШЦК 10x25
Штифт
В узле: 2
12
80-1601343
Прокладка
В узле: 1
13
ШП12
Шайба
В узле: 4
14
М12х30
Болт
В узле: 2
16
М20
Гайка
В узле: 1
17
70-1701301
Пробка
В узле: 1
18
80-1601314
Прокладка
В узле: 1
20
М8х25
Болт
В узле: 7
21
М8х16
Болт
В узле: 4
23
048-052-25-2-4
Кольцо
В узле: 1
24
2022Д-1802015
Обойма
В узле: 1
24
2022Д-1802020
Обойма
В узле: 1
25
2.2-38x58-1
Манжета
В узле: 2
26
М8х35
Болт
В узле: 2
Содержащиеся в справочниках-каталогах запасные части и детали не предлагаются к продаже, а носят исключительно информационный характер

Ваша заявка была отправлена. В ближайшее время наши специалисты с Вами свяжутся по указанному Вами телефону.

Представьтесь
Поле обязательно для заполнения
Ваш телефон
Введите правильный номер телефона
E-mail
Введите правильный e-mail
Тема
Тема
применяемость финансирование доставка цена, наличие другое сервис и гарантия
Время для звонка
08:00
08:00 09:00 10:00 11:00 12:00 13:00 14:00 15:00 16:00 17:00 18:00 19:00
19:00
08:00 09:00 10:00 11:00 12:00 13:00 14:00 15:00 16:00 17:00 18:00 19:00

Мы постараемся перезвонить в указанное время

Если вы не хотите ждать, то звоните нашим вежливым консультантам:

8 800 100-2-700
Подтвердите, что вы не робот
Подтвердите, что вы не робот
Спасибо!

Ваше сообщение успешно отправлено!

ЗакрытьПовторить попытку