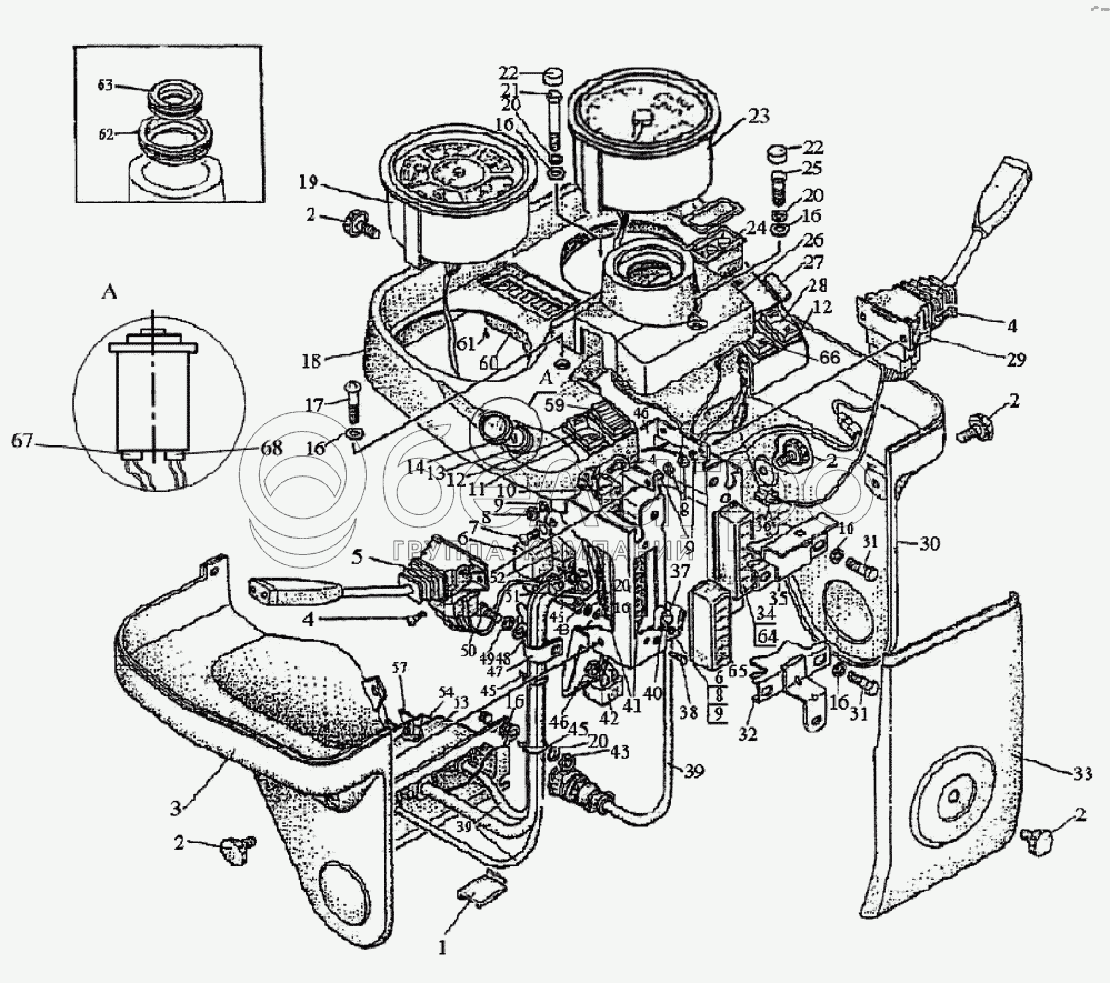
Каталог запасных частей к технике: МТЗ-2022. Щиток приборов

zoom-in zoom-out enlarge shrink circle-right circle-left file-text2 info cart arraw right arraw left zoom out zoom in arraw maximize arraw minimize
1
2
2
2
2
2
3
4
4
4
5
6
6
7
8
8
8
9
9
9
10
11
12
12
13
14
16
16
16
16
16
16
16
17
18
19
20
20
20
20
21
22
22
23
24
25
26
27
28
29
30
31
31
32
33
34
35
36
37
38
39
39
40
41
43
43
45
45
45
46
46
47
48
49
50
51
52
53
54
57
59
60
61
62
63
64
65
66
67
68
22
А30.04.017
Колпачок
В узле: 2
А30.04.017 Колпачок Под заказ 4.53 р.
37
70-3506027
Втулка
В узле: 1
70-3506027 Втулка МТЗ, Беларусь Под заказ 11.08 р.
59
80-3801327
Заглушка
В узле: 1
80-3801327 Заглушка МТЗ Под заказ 84.80 р.
2
80-3805065
Винт
В узле: 5
80-3805065 Винт МТЗ, Беларусь Под заказ 24.19 р.
1
ПР-43-01
Уплотнитель
В узле: 1
3
822-3805162
Боковина
В узле: 1
4
ВМ5Х16
Винт
В узле: 6
5
3709.145
Переключатель подрулевой
В узле: 1
6
3747.20
Реле-сигнализатор
В узле: 1
51
ВМ6х16
Винт
В узле: 1
8
М5
Гайка
В узле: 6
9
Шайба
В узле: 6
10
3747.10
Прерыватель указателей поворота
В узле: 1
11
3710.55
Выключатель «массы»
В узле: 1
12
5336-3710015
Рамка выключателя
В узле: 4
13
3710.15
Выключатель стартера с блокировкой пуска
В узле: 1
14
822-3805013-01
Табличка
В узле: 1
16
С 6.01.019
Шайба
В узле: 7
25
М6Х16
Болт
В узле: 3
18
923-3805121
Панель
В узле: 1
19
3801.40
КоМ6инация приборов КП-6 частотная
В узле: 1
20
Шайба
В узле: 18
21
М6х60
Болт
В узле: 1
23
3813.30
Индикатор коМ6инированный
В узле: 1
24
3813.40
Пульт управления
В узле: 1
26
822-3709124
Чехол
В узле: 1
27
3710.10
Выключатель аварийной сигнализации
В узле: 1
28
3709.20
Переключатель света
В узле: 1
29
3709.235
Переключатель стеклоочистителя
В узле: 1
30
822-3805161
Боковина
В узле: 1
31
М6х25
Винт
В узле: 4
32
822-3805095
Кронштейн
В узле: 1
33
822-3805163
Кожух
В узле: 1
34
3722.10
Блок предохранителей
В узле: 1
35
822-3805080-Б
Кронштейн
В узле: 1
36
822-3724010-Б
Жгут
В узле: 1
38
ВМ6Х20
Винт
В узле: 4
39
925-3724390
Жгут
В узле: 1
40
80-3723043
Скоба
В узле: 1
41
3722.15
Блок предохранителей
В узле: 1
43
М6
Гайка
В узле: 8
45
80-3723045
Манжета
В узле: 9
46
822-3805050
Основание
В узле: 1
47
822-3723044
Хомутик
В узле: 1
48
ШЧ8
Шайба
В узле: 1
49
ШП8
Шайба
В узле: 1
50
М8х20
Болт
В узле: 1
52
3747.50
Реле на замыкание
В узле: 2
53
822-3805072
Кронштейн
В узле: 1
54
822-3805073-Б
Кронштейн
В узле: 1
57
4x10
Винт
В узле: 4
60
3803.20
Блок контрольных ламп
В узле: 1
61
4x16
Шуруп
В узле: 2
62
80В-3709028
Вставка
В узле: 1
63
80-3723048
Втулка
В узле: 1
64
822-3805026-Б
Табличка
В узле: 1
65
822-3805027-Б
Табличка
В узле: 1
66
3710.30
Выключатель фар рабочих
В узле: 1
67
3710.040-01
Колодка 30-16-06570
В узле: 1
68
3710.040-02
Колодка 30-16-06571
В узле: 1
Содержащиеся в справочниках-каталогах запасные части и детали не предлагаются к продаже, а носят исключительно информационный характер

Ваша заявка была отправлена. В ближайшее время наши специалисты с Вами свяжутся по указанному Вами телефону.

Представьтесь
Поле обязательно для заполнения
Ваш телефон
Введите правильный номер телефона
E-mail
Введите правильный e-mail
Тема
Тема
применяемость финансирование доставка цена, наличие другое сервис и гарантия
Время для звонка
08:00
08:00 09:00 10:00 11:00 12:00 13:00 14:00 15:00 16:00 17:00 18:00 19:00
19:00
08:00 09:00 10:00 11:00 12:00 13:00 14:00 15:00 16:00 17:00 18:00 19:00

Мы постараемся перезвонить в указанное время

Если вы не хотите ждать, то звоните нашим вежливым консультантам:

8 800 100-2-700
Подтвердите, что вы не робот
Подтвердите, что вы не робот
Спасибо!

Ваше сообщение успешно отправлено!

ЗакрытьПовторить попытку