Каталог запасных частей к технике: МТЗ-2103. Блок трансмиссионный

zoom-in zoom-out enlarge shrink circle-right circle-left file-text2 info cart arraw right arraw left zoom out zoom in arraw maximize arraw minimize
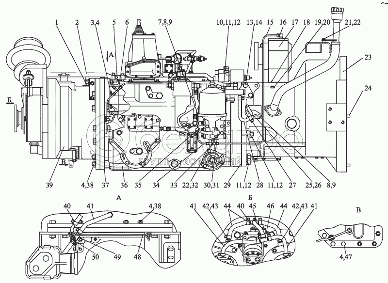
2103-0002000
1
2
3
4
4
4
4
5
6
7
8
8
9
9
10
11
11
11
12
12
12
13
14
15
16
17
18
19
20
21
22
22
23
24
25
26
27
28
29
30
31
32
33
34
35
36
37
38
38
39
40
40
41
41
41
42
42
43
43
44
44
45
46
47
48
49
50
24
50-1601352
Штифт
В узле: 2
50-1601352 Штифт установочный МТЗ (d=14мм, l=40мм), САЗ Под заказ 44.47 р.
37
2022-2401017
Прокладка
В узле: 2
2022-2401017 Прокладка МТЗ Под заказ 2 177.87 р.
29
80-1701026
Прокладка
В узле: 1
80-1701026 Прокладка МТЗ КПП Под заказ 118.60 р.
16
86-1802088
Угольник
В узле: 1
86-1802088 Угольник МТЗ Под заказ 558.36 р.
6
1221-2407288-02
Тройник
В узле: 1
1221-2407288-02 Тройник МТЗ системы смазки конечной передачи моста заднего Под заказ 998.12 р.
7
1522-2407317
Трубка
В узле: 3
1522-2407317 Трубка МТЗ системы смазки конечной передачи Под заказ 187.38 р.
2103-0002000
Блок трансмиссионный
В узле: ---
1
1221-2401060
Штуцер
В узле: 1
2
2103-0002001-02
Рукав
В узле: 1
3
1221-2401011
Болт
В узле: 6
4
4598166071
Шайба 180Т ОСТ 37.00.115-70
В узле: 16
5
70-4802043
Кляммер
В узле: 3
8
M10-6gx20.88.35.019
Болт
В узле: 5
9
4598166067
Шайба 10ОТ
В узле: 5
10
2025-1701525
Шпилька
В узле: 4
11
М20-6Н.6.019
Гайка
В узле: 10
12
4598166072
Шайба 20ОТ
В узле: 10
13
M16-6gx32.88.35.019
Болт
В узле: 2
14
459816607
Шайба 16 ОТ
В узле: 2
15
1802-4203050
Маслопровод
В узле: 1
17
2103-4203010
Редуктор
В узле: 1
18
1802-4203026
Прокладка
В узле: 1
19
M14-6gx40.88.35.019
Болт
В узле: 4
20
4598166069
Шайба 14 ОТ
В узле: 4
21
M8-6gx20.88.35.019
Болт
В узле: 2
22
Шайба
В узле: 4
23
2103-1600010
Корпус сцепления
В узле: 1
25
2103-1602060
Крышка
В узле: 1
26
85-1702218
Прокладка
В узле: 1
27
NORMA TORRO 12-22/971
Хомут
В узле: 2
28
2103-0002002
Рукав
В узле: 1
30
1221-2401005
Патрубок
В узле: 1
31
017-022-30-1-4
Кольцо
В узле: 1
32
M8-6gx30.88.35.019
Болт
В узле: 2
33
1221-2407288
Тройник
В узле: 1
34
1802-3600230
Маслопровод
В узле: 1
35
2103-0002001-03
Рукав
В узле: 1
36
2103-1700010
Коробка передач
В узле: 1
38
M18-6Н.6.019
Гайка
В узле: 8
39
2103-3600050
Механизм поворота
В узле: 1
40
NORMA TORRO 16-27/971
Хомут
В узле: 15
41
2103-0002001-01
Рукав
В узле: 3
42
2103-3600290
Штуцер
В узле: 2
43
МН 3138-62
Прокладка
В узле: 2
44
2103-0002001
Рукав
В узле: 3
45
2103-3600090
Крестовина
В узле: 1
46
364-3500020
Тройник
В узле: 1
47
1802-1701526
Болт
В узле: 3
48
1802-3600220
Маслопровод
В узле: 1
49
2103-3502050
Тройник
В узле: 1
50
1802-3600210
Маслопровод
В узле: 1
Содержащиеся в справочниках-каталогах запасные части и детали не предлагаются к продаже, а носят исключительно информационный характер

Ваша заявка была отправлена. В ближайшее время наши специалисты с Вами свяжутся по указанному Вами телефону.

Представьтесь
Поле обязательно для заполнения
Ваш телефон
Введите правильный номер телефона
E-mail
Введите правильный e-mail
Тема
Тема
применяемость финансирование доставка цена, наличие другое сервис и гарантия
Время для звонка
08:00
08:00 09:00 10:00 11:00 12:00 13:00 14:00 15:00 16:00 17:00 18:00 19:00
19:00
08:00 09:00 10:00 11:00 12:00 13:00 14:00 15:00 16:00 17:00 18:00 19:00

Мы постараемся перезвонить в указанное время

Если вы не хотите ждать, то звоните нашим вежливым консультантам:

8 800 100-2-700
Подтвердите, что вы не робот
Подтвердите, что вы не робот
Спасибо!

Ваше сообщение успешно отправлено!

ЗакрытьПовторить попытку