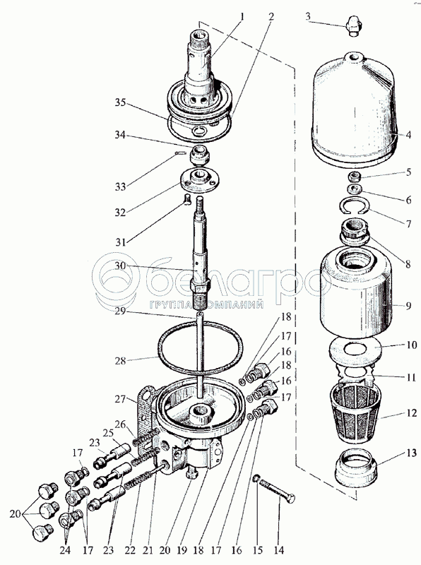
Каталог запасных частей к технике: МТЗ-2103. Фильтр-распределитель

zoom-in zoom-out enlarge shrink circle-right circle-left file-text2 info cart arraw right arraw left zoom out zoom in arraw maximize arraw minimize
80-1737110-01
1
2
3
4
5
6
7
8
9
9
10
11
12
13
14
15
16
16
16
17
17
17
17
17
18
18
18
19
20
20
21
22
23
23
24
25
26
27
28
29
30
30
31
32
33
34
35
12
240-1404110
Сетка фильтрующая
В узле: 1
240-1404110 Сетка фильтрующая (МТЗ-80/100/900/1221, ЗИЛ-5301) (А) >10 шт. 29.28 р.
28
50-1404059-Б1
Прокладка
В узле: 1
50-1404059-Б1 Прокладка колпака центрифуги МТЗ (картон 1,5 мм) >10 шт. 13.27 р.
50-1404059-Б1 прокладка колпака центрифуги Д-240 (паронит 1,5 мм) Под заказ 36.23 р.
11
240-1404024
Крыльчатка
В узле: 1
240-1404024 Крыльчатка ротора МТЗ масляного фильтра, БЗА* >10 шт. 150.35 р.
10
240-1404113
Крышка
В узле: 1
240-1404113 Крышка МТЗ, БЗА* >10 шт. 67.73 р.
3
240-1404088
Гайка колпака
В узле: 1
240-1404088 Гайка МТЗ колпака масляного фильтра, БЗА* >10 шт. 150.55 р.
30
240-1404012-В
Ось ротора
В узле: 1
240-1404012-В Ось ротора МТЗ масляного фильтра, БЗА* >10 шт. 1 499.59 р.
16
50-1404075
Пробка
В узле: 3
50-1404075 Пробка МТЗ редукционного клапана, ММЗ Под заказ 187.02 р.
80-1028020
Ротор с осью
В узле: 1
80-1737110-01
Фильтр-распределитель
В узле: 1
1
240-1404017-Б
Корпус ротора
В узле: 1
2
115-120-30-2-1
Кольцо
В узле: 1
4
240-1404027
Колпак
В узле: 1
5
M12x1,25
Гайка
В узле: 1
6
Д37А-1407607-В
Шайба
В узле: 1
7
240-1404033
Кольцо
В узле: 1
8
240-1404035-А
Гайка
В узле: 1
9
240-1404030-А
Стакан с гайкой и кольцом в сборе
В узле: 1
9
240-1404023
Стакан
В узле: 1
13
240-1404049
Стакан
В узле: 1
14
М10х70
Болт
В узле: 4
15
ШП10
Шайба
В узле: 4
17
1221-1737126
Прокладка клапана
В узле: 6
18
ШЧ5
Шайба
В узле: 1
19
80-1737111
Корпус
В узле: 1
20
КГ1\8
Пробка
В узле: 4
21
6h11х45
Штифт
В узле: 1
22
70-4801045
Пружина
В узле: 1
23
80-1737117
Клапан
В узле: 3
24
1221-1737114
Пробка
В узле: 3
25
80-1737113
Пружина
В узле: 1
26
80-1737118
Пружина
В узле: 1
27
80-1737112
Прокладка
В узле: 1
29
240-1404013-Б
Трубка
В узле: 1
30
80-1028080
Ось ротора
В узле: 1
31
ВМ6х 14,58
Винт
В узле: 3
32
240-1404019-Б
Крышка корпуса
В узле: 1
33
240-1404028
Штифт 5х8.11
В узле: 1
34
80-1028090
Насадок
В узле: 1
35
240-1404118
Кольцо
В узле: 1
Содержащиеся в справочниках-каталогах запасные части и детали не предлагаются к продаже, а носят исключительно информационный характер

Ваша заявка была отправлена. В ближайшее время наши специалисты с Вами свяжутся по указанному Вами телефону.

Представьтесь
Поле обязательно для заполнения
Ваш телефон
Введите правильный номер телефона
E-mail
Введите правильный e-mail
Тема
Тема
применяемость финансирование доставка цена, наличие другое сервис и гарантия
Время для звонка
08:00
08:00 09:00 10:00 11:00 12:00 13:00 14:00 15:00 16:00 17:00 18:00 19:00
19:00
08:00 09:00 10:00 11:00 12:00 13:00 14:00 15:00 16:00 17:00 18:00 19:00

Мы постараемся перезвонить в указанное время

Если вы не хотите ждать, то звоните нашим вежливым консультантам:

8 800 100-2-700
Подтвердите, что вы не робот
Подтвердите, что вы не робот
Спасибо!

Ваше сообщение успешно отправлено!

ЗакрытьПовторить попытку