Каталог запасных частей к технике: МТЗ-2103. Каретка

zoom-in zoom-out enlarge shrink circle-right circle-left file-text2 info cart arraw right arraw left zoom out zoom in arraw maximize arraw minimize
2103-3201020-01
2103-3201020
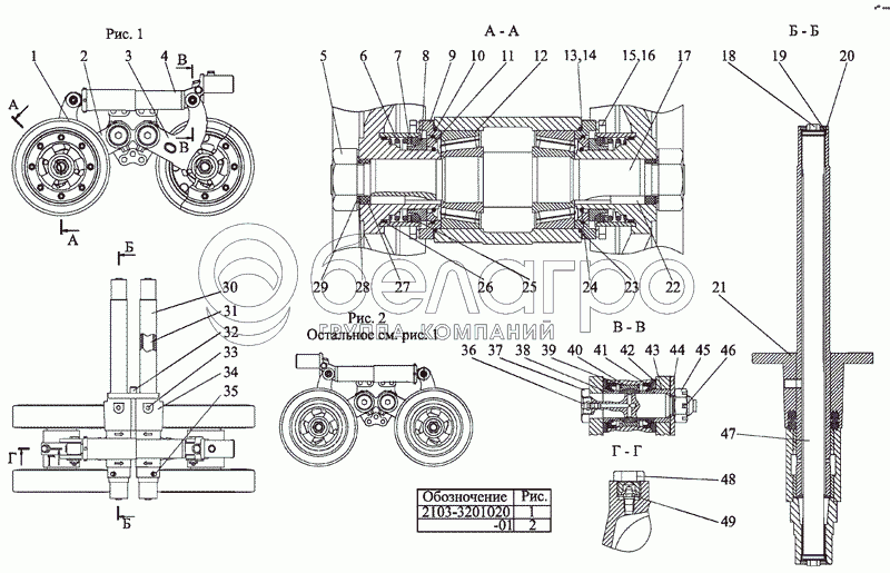
1
2
3
4
5
6
7
8
9
10
11
12
13
14
15
16
17
18
19
20
21
22
23
23
24
25
26
27
28
29
30
31
32
33
34
35
36
37
38
39
40
41
42
43
44
45
46
47
48
49
2103-3201020-01
Каретка
В узле: 1
2103-3201020
Каретка
В узле: 1
2102-3201 ПО
Корпус уплотнения
В узле: 1
2103-3201040
Кронштейн каретки
В узле: 1
1
2103-3204250
Каток опорный
В узле: 4
2
2103-3201050
Балансир
В узле: 1
3
2103-3201050-01
Балансир
В узле: 1
4
2103-3231250
Гидроамортизатор
В узле: 1
5
1802-3201019-А
Гайка
В узле: 4
6
1802-3201027
Пружина
В узле: 4
7
1802-3201026
Шайба
В узле: 4
8
1802-3201024
Кольцо уплотнительное
В узле: 4
9
1802-3201111
Кольцо уплотнения
В узле: 1
10
1802-3201034-01
Кольцо
В узле: 1
11
2102-3201112
Кольцо уплотнительное
В узле: 1
12
7909
Подшипник
В узле: 4
13
1802-3201029
Прокладка
В узле: 12
14
1802-3201029-01
Прокладка
В узле: 4
15
M12-6gx35.88.35.019
Болт
В узле: 16
16
4598166068
Шайба 12ОТ
В узле: 16
17
1802-3201018
Ось катка
В узле: 2
18
1802-3201017
Болт
В узле: 4
19
С52
Кольцо
В узле: 4
20
044-052-46-2-2
Кольцо
В узле: 4
21
1802-3201031
Кольцо
В узле: 2
22
1802-3201032
Фиксатор
В узле: 4
23
099-10536
Кольцо
В узле: 4
23
1802-3201028
Кольцо
В узле: 4
24
1802-3201033
Кольцо запорное
В узле: 4
25
1802-3201025
Кольцо
В узле: 4
26
1802-3201034
Кольцо
В узле: 4
27
1802-3201021-А
Кольцо
В узле: 4
28
1802-3201022
Шайба
В узле: 4
29
1802-3201023
Шайба стопорная
В узле: 4
30
1802-3201042
Цапфа
В узле: 2
31
2103-3201016-01
Вал торсионный
В узле: 1
32
25x50
Штифт
В узле: 2
33
16x36
Штифт
В узле: 1
34
2103-3201041
Кронштейн
В узле: 1
35
"ПК КГ 3/8"""
Пробка
В узле: 2
36
1.1 Ц9.
Масленка
В узле: 2
37
2103-3201035
Палец
В узле: 2
38
2103-3201037
Втулка
В узле: 4
39
С42
Кольцо
В узле: 4
40
ШС25
Подшипник
В узле: 2
41
2103-3201160
Манжета
В узле: 4
42
2103-3201039
Пробка
В узле: 2
43
2103-3201036
Втулка
В узле: 2
44
С20.01.08.019
Шайба
В узле: 2
45
М20х1,5-6Н.04.019
Гайка
В узле: 2
46
4x36.019
Шплинт
В узле: 2
47
2103-3201016
Вал торсионный
В узле: 1
48
2103-3201039
Пробка
В узле: 2
49
1.3 Ц9.
Масленка
В узле: 2
Содержащиеся в справочниках-каталогах запасные части и детали не предлагаются к продаже, а носят исключительно информационный характер

Ваша заявка была отправлена. В ближайшее время наши специалисты с Вами свяжутся по указанному Вами телефону.

Представьтесь
Поле обязательно для заполнения
Ваш телефон
Введите правильный номер телефона
E-mail
Введите правильный e-mail
Тема
Тема
применяемость финансирование доставка цена, наличие другое сервис и гарантия
Время для звонка
08:00
08:00 09:00 10:00 11:00 12:00 13:00 14:00 15:00 16:00 17:00 18:00 19:00
19:00
08:00 09:00 10:00 11:00 12:00 13:00 14:00 15:00 16:00 17:00 18:00 19:00

Мы постараемся перезвонить в указанное время

Если вы не хотите ждать, то звоните нашим вежливым консультантам:

8 800 100-2-700
Подтвердите, что вы не робот
Подтвердите, что вы не робот
Спасибо!

Ваше сообщение успешно отправлено!

ЗакрытьПовторить попытку