Каталог запасных частей к технике: МТЗ-2103. Крылья

zoom-in zoom-out enlarge shrink circle-right circle-left file-text2 info cart arraw right arraw left zoom out zoom in arraw maximize arraw minimize
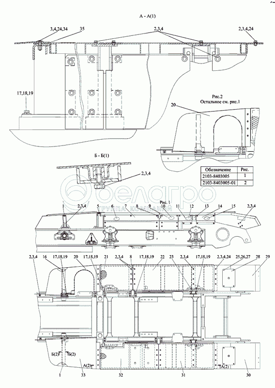
2103-8403005-01
2103-8403005
1
1
2
2
2
2
2
2
2
2
2
3
3
3
3
3
3
3
3
3
3
4
4
4
4
4
4
4
4
4
4
5
6
7
8
8
9
10
11
12
13
14
15
16
17
17
17
17
17
18
18
18
18
18
19
19
19
19
19
20
20
20
21
22
23
24
24
24
25
26
27
28
29
30
31
32
33
34
35
2103-8403005-01
Крылья
В узле: 1
2103-8403005
Крылья
В узле: 1
1
2103-8403210-01
Кронштейн
В узле: 1
2
M8-6gx16.88.35.019
Болт
В узле: 95
3
С8.01.019
Шайба
В узле: 95
4
4598166046
Шайба 8Т
В узле: 95
5
2103-8403340
Опора
В узле: 1
6
2103-8403014
Зашивка
В узле: 1
7
2103-8403320
Зашивка
В узле: 1
8
2103-8403300
Кронштейн
В узле: 2
9
2103-8403019
Зашивка
В узле: 1
10
2103-8403330
Зашивка
В узле: 1
11
2103-8403017-01
Зашивка
В узле: 1
12
2103-8403017
Зашивка
В узле: 1
13
2103-8403310
Кронштейн
В узле: 2
14
2103-8403018-01
Зашивка
В узле: 1
15
2103-8403018
Зашивка
В узле: 1
16
2103-8403210
Кронштейн
В узле: 1
17
M12-6gx30.88.35.019
Болт
В узле: 32
18
С12.01.019
Шайба
В узле: 32
19
4598166068
Шайба 12ОТ
В узле: 32
20
2103-8403230
Крыло
В узле: 1
20
21038403360
Крыло
В узле: 1
21
2103-8403280
Крыло
В узле: 1
22
2103-8403270
Крыло
В узле: 1
23
2103-8403310
Кронштейн
В узле: 2
24
М8-6Н.6.019
Гайка
В узле: 16
25
M6-6gx16.88.35.019
Болт
В узле: 8
26
С6.01.019
Шайба
В узле: 8
27
4598166045
Шайба 6Т
В узле: 8
28
2102-8403161
Решетка
В узле: 2
29
2103-8403265-01
Крыло
В узле: 1
30
2103-8403265
Крыло
В узле: 1
31
2103-8403255
Крыло
В узле: 1
32
2103-8403240
Крыло
В узле: 1
33
2103-8403235
Крыло
В узле: 1
34
1802-8403014-Б
Винт
В узле: 8
35
1802-8403013
Прокладка
В узле: 2
Содержащиеся в справочниках-каталогах запасные части и детали не предлагаются к продаже, а носят исключительно информационный характер

Ваша заявка была отправлена. В ближайшее время наши специалисты с Вами свяжутся по указанному Вами телефону.

Представьтесь
Поле обязательно для заполнения
Ваш телефон
Введите правильный номер телефона
E-mail
Введите правильный e-mail
Тема
Тема
применяемость финансирование доставка цена, наличие другое сервис и гарантия
Время для звонка
08:00
08:00 09:00 10:00 11:00 12:00 13:00 14:00 15:00 16:00 17:00 18:00 19:00
19:00
08:00 09:00 10:00 11:00 12:00 13:00 14:00 15:00 16:00 17:00 18:00 19:00

Мы постараемся перезвонить в указанное время

Если вы не хотите ждать, то звоните нашим вежливым консультантам:

8 800 100-2-700
Подтвердите, что вы не робот
Подтвердите, что вы не робот
Спасибо!

Ваше сообщение успешно отправлено!

ЗакрытьПовторить попытку