Каталог запасных частей к технике: МТЗ-2103. Привод поворота рулевой

zoom-in zoom-out enlarge shrink circle-right circle-left file-text2 info cart arraw right arraw left zoom out zoom in arraw maximize arraw minimize
2103-3400010
1
1
1
2
2
2
3
3
3
4
5
6
6
7
8
9
10
11
12
13
14
15
16
17
18
2103-3400010
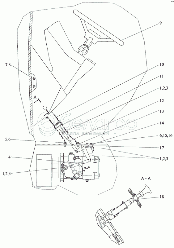
Привод поворота рулевой
В узле: 1
1
А61-030-А1
Палец
В узле: 2
2
С8.01.08кп.019
Шайба
В узле: 4
3
3.2x18.019
Шплинт
В узле: 4
4
2102-3400030-01
Тяга
В узле: 1
5
M8-6gx25.88.35.019
Болт
В узле: 4
6
4598166046
Шайба 8Т
В узле: 8
7
М10-6Н.6.019
Гайка
В узле: 4
8
4598166067
Шайба 10ОТ
В узле: 4
9
1802-3401010
Колонка рулевая
В узле: 1
10
НОРМА TORRO 50-70/9-C6W
Хомут
В узле: 1
11
1802-3400014
Чехол
В узле: 1
12
2102-3400030
Тяга
В узле: 1
13
1802-3400011
Кольцо нажимное
В узле: 1
14
2103-3400050
Рычаг
В узле: 1
15
M8-6gx30.88.35.019
Болт
В узле: 4
16
М8-6Н.6.019
Гайка
В узле: 4
17
2102-3400012
Проушина
В узле: 2
18
70-3723042-01
Втулка
В узле: 1
Содержащиеся в справочниках-каталогах запасные части и детали не предлагаются к продаже, а носят исключительно информационный характер

Ваша заявка была отправлена. В ближайшее время наши специалисты с Вами свяжутся по указанному Вами телефону.

Представьтесь
Поле обязательно для заполнения
Ваш телефон
Введите правильный номер телефона
E-mail
Введите правильный e-mail
Тема
Тема
применяемость финансирование доставка цена, наличие другое сервис и гарантия
Время для звонка
08:00
08:00 09:00 10:00 11:00 12:00 13:00 14:00 15:00 16:00 17:00 18:00 19:00
19:00
08:00 09:00 10:00 11:00 12:00 13:00 14:00 15:00 16:00 17:00 18:00 19:00

Мы постараемся перезвонить в указанное время

Если вы не хотите ждать, то звоните нашим вежливым консультантам:

8 800 100-2-700
Подтвердите, что вы не робот
Подтвердите, что вы не робот
Спасибо!

Ваше сообщение успешно отправлено!

ЗакрытьПовторить попытку