Каталог запасных частей к технике: МТЗ-2103. Система выпуска

zoom-in zoom-out enlarge shrink circle-right circle-left file-text2 info cart arraw right arraw left zoom out zoom in arraw maximize arraw minimize
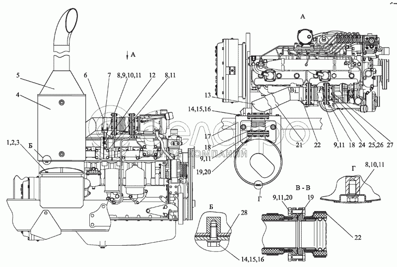
2103-1200010
1
2
3
4
5
6
7
8
8
8
9
9
9
9
10
10
11
11
11
11
11
11
12
13
14
14
15
15
16
16
17
18
18
19
19
20
20
21
22
22
23
24
25
26
27
28
2103-1200010
Система выпуска
В узле: 1
1
M14-6gx35.88.35.019
Болт
В узле: 2
2
С14.01.019
Шайба
В узле: 2
3
4598166069
Шайба 14 ОТ
В узле: 2
4
2103-1200020
Ограждение
В узле: 1
5
2103-1205010
Глушитель
В узле: 1
6
2103-1200040
Хомут
В узле: 2
7
2103-1203050
Кронштейн
В узле: 1
8
M10-6gx16.88.35.019
Болт
В узле: 12
9
М10-6Н.6.019
Гайка
В узле: 27
10
С10.01.019
Шайба
В узле: 8
11
4598166067
Шайба 10ОТ
В узле: 31
12
2103-1203040
Опора
В узле: 1
13
2103-1203020
Труба
В узле: 1
14
M16-6gx40.88.35.019
Болт
В узле: 23
15
С16.01.019
Шайба
В узле: 6
16
4598166070
Шайба 16ОТ
В узле: 6
17
2103-1203008
Кронштейн
В узле: 1
18
ЕАЛР.302667.034
Компенсатор
В узле: 2
19
2103-1200016
Прокладка
В узле: 1
20
M10-6gx45.88.35.019
Болт
В узле: 24
21
2103-1200050-06
Чехол теплоизоляционный
В узле: 1
22
2022-1205008
Хомут
В узле: 9
23
2103-1200050
Чехол теплоизоляционный
В узле: 2
24
2103-1203090
Переходник
В узле: 1
25
M8-6gx25.88.35.019
Болт
В узле: 6
26
4598166046
Шайба 8Т
В узле: 6
27
2103-1200014
Прокладка
В узле: 1
28
2103-1200012
Прокладка
В узле: 1
Содержащиеся в справочниках-каталогах запасные части и детали не предлагаются к продаже, а носят исключительно информационный характер

Ваша заявка была отправлена. В ближайшее время наши специалисты с Вами свяжутся по указанному Вами телефону.

Представьтесь
Поле обязательно для заполнения
Ваш телефон
Введите правильный номер телефона
E-mail
Введите правильный e-mail
Тема
Тема
применяемость финансирование доставка цена, наличие другое сервис и гарантия
Время для звонка
08:00
08:00 09:00 10:00 11:00 12:00 13:00 14:00 15:00 16:00 17:00 18:00 19:00
19:00
08:00 09:00 10:00 11:00 12:00 13:00 14:00 15:00 16:00 17:00 18:00 19:00

Мы постараемся перезвонить в указанное время

Если вы не хотите ждать, то звоните нашим вежливым консультантам:

8 800 100-2-700
Подтвердите, что вы не робот
Подтвердите, что вы не робот
Спасибо!

Ваше сообщение успешно отправлено!

ЗакрытьПовторить попытку