Каталог запасных частей к технике: МТЗ-2103. Установка щитка приборов

zoom-in zoom-out enlarge shrink circle-right circle-left file-text2 info cart arraw right arraw left zoom out zoom in arraw maximize arraw minimize
2103-3805105
2103-3805105-01
1
1
1
2
2
2
2
3
3
4
4
5
6
7
7
7
7
7
7
8
8
8
8
8
8
9
9
10
10
11
11
11
13
14
15
15
16
17
18
19
19
20
20
21
21
4
А30.04.017
Колпачок
В узле: 2
А30.04.017 Колпачок Под заказ 4.53 р.
16
80-3805065
Винт
В узле: 1
80-3805065 Винт МТЗ, Беларусь Под заказ 24.19 р.
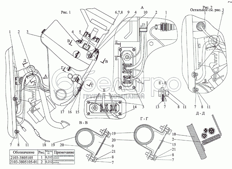
2103-3805105
Установка щитка приборов
В узле: 1
2103-3805105-01
Установка щитка приборов
В узле: ---
1
822-3723003
Кронштейн
В узле: 1
2
ПР-43-01
Уплотнитель
В узле: 1
3
2102-3805110
Щиток приборов
В узле: 1
5
822-3709124
Чехол
В узле: 1
6
M6-6gx16.88.35.019
Болт
В узле: 1
7
С.6.01.08кп.019
Шайба С.6.01.08кп.019
В узле: 9
8
4598166045
Шайба 6Т
В узле: 9
9
822-3805080-Б
Кронштейн
В узле: 1
10
822-1602030
Кронштейн
В узле: 1
11
М6-6Н.6.019
Гайка
В узле: 4
13
822-3805072
Кронштейн
В узле: 1
14
1522-3724840
Жгут
В узле: 1
15
822-3805095
Кронштейн
В узле: 1
17
822-3805163
Кожух
В узле: 1
18
822-3724820
Жгут
В узле: 1
19
1522-3401080
Труба
В узле: 1
20
822-3805050
Основание
В узле: 1
21
M6-6gx25.88.35.019
Винт
В узле: 4
Содержащиеся в справочниках-каталогах запасные части и детали не предлагаются к продаже, а носят исключительно информационный характер

Ваша заявка была отправлена. В ближайшее время наши специалисты с Вами свяжутся по указанному Вами телефону.

Представьтесь
Поле обязательно для заполнения
Ваш телефон
Введите правильный номер телефона
E-mail
Введите правильный e-mail
Тема
Тема
применяемость финансирование доставка цена, наличие другое сервис и гарантия
Время для звонка
08:00
08:00 09:00 10:00 11:00 12:00 13:00 14:00 15:00 16:00 17:00 18:00 19:00
19:00
08:00 09:00 10:00 11:00 12:00 13:00 14:00 15:00 16:00 17:00 18:00 19:00

Мы постараемся перезвонить в указанное время

Если вы не хотите ждать, то звоните нашим вежливым консультантам:

8 800 100-2-700
Подтвердите, что вы не робот
Подтвердите, что вы не робот
Спасибо!

Ваше сообщение успешно отправлено!

ЗакрытьПовторить попытку