Каталог запасных частей к технике: МТЗ-2103. Устройство навесное

zoom-in zoom-out enlarge shrink circle-right circle-left file-text2 info cart arraw right arraw left zoom out zoom in arraw maximize arraw minimize
2103-4605005
1
2
2
3
3
3
4
5
6
7
8
9
10
11
12
13
14
15
16
17
18
19
20
21
21
21
22
23
24
25
26
27
28
29
30
31
32
33
34
35
36
37
38
39
40
41
42
43
44
45
46
47
48
49
50
51
52
22
А61.07.001
Шплинт
В узле: 2
А61.07.001 Шплинт МТЗ, Под заказ 10.80 р.
15
А61.05.100-01
Чека
В узле: 1
А61.05.100-01 Чека МТЗ <10 шт. 324.87 р.
27
А04.02.020
Гайка
В узле: 2
А04.02.020 Гайка МТЗ Под заказ 197.59 р.
45
1522-4605702
Втулка
В узле: 4
1522-4605702 Втулка <10 шт. 199.38 р.
33
1522-4605007
Втулка
В узле: 2
1522-4605007 Втулка МТЗ, Беларусь Под заказ 4 170.42 р.
34
680-2707024
Болт
В узле: 32
680-2707024 Болт МТЗ Под заказ 679.65 р.
26
1522-4605008
Палец
В узле: 2
1522-4605008 Палец МТЗ устройства навесного Под заказ 3 632.72 р.
19
1522-4605033
Палец
В узле: 2
1522-4605033 Палец МТЗ устройства навесного Под заказ 1 163.47 р.
16
1522-4605036
Палец
В узле: 1
1522-4605036 Палец МТЗ Под заказ 2 191.08 р.
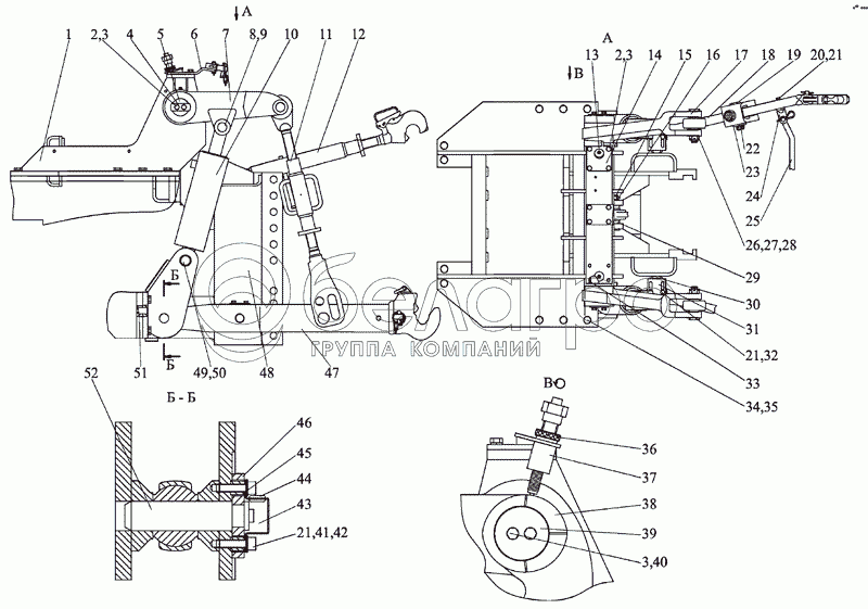
2103-4605005
Устройство навесное
В узле: 1
1
2103-4605015
Кронштейн
В узле: 1
2
M12-6gx25.88.35.019
Болт
В узле: 10
3
4598166068
Шайба 12ОТ
В узле: 12
4
1522-4605024-Б
Шайба
В узле: 1
5
1522-4605023
Вал
В узле: 1
6
1802-4605170
Кронштейн
В узле: 1
7
2103-4605032
Рычаг
В узле: 1
8
1802-4605012
Палец
В узле: 2
9
1321-2707042
Шплинт
В узле: 2
10
Ц110x250.010
Гидроцилиндр
В узле: 2
11
1802-4605060
Раскос
В узле: 2
12
1802-4605090
Тяга верхняя
В узле: 1
13
1.3 Ц9.хр
Масленка
В узле: 2
14
1802-4605140
Кронштейн
В узле: 1
17
2103-4605032-01
Рычаг
В узле: 1
18
2103-4605030
Тяга
В узле: 1
20
M10-6gx50.88.35.019
Болт
В узле: 2
21
4598166067
Шайба 10ОТ
В узле: 10
23
1522-4605032
Шайба
В узле: 2
24
1522-4605038
Проушина
В узле: 2
25
090 243
Штанг
В узле: 1
28
6,3x36.019
Шплинт
В узле: 2
29
1522-4605091
Втулка
В узле: 2
30
2103-4605006
Винт
В узле: 2
31
2103-4605007
Уголок
В узле: 2
32
M10-6gx25.88.35.019
Болт
В узле: 4
35
4598166072
Шайба 20ОТ
В узле: 32
36
1522-4605149
Гайка
В узле: 1
37
R917001941
Датчик позиционный
В узле: 1
38
1802-4605126
Эксцентрик
В узле: 1
39
1802-4605127
Шайба
В узле: 1
40
M12-6gx35.88.35.019
Болт
В узле: 2
41
M10-6gx35.56.019
Винт
В узле: 4
42
С10.01.019
Шайба
В узле: 4
43
1522-4605006
Крышка
В узле: 2
44
70-3723042-01
Втулка
В узле: 2
46
1522-4605701
Скоба
В узле: 2
47
2103-4605030-01
Тяга
В узле: 1
48
2103-4605200
Кронштейн
В узле: 1
49
1802-4605011
Палец
В узле: 2
50
6,3x50.019
Шплинт
В узле: 2
51
85-4619017-01
Штифт
В узле: 2
52
R917000165
Датчик силовой
В узле: 2
Содержащиеся в справочниках-каталогах запасные части и детали не предлагаются к продаже, а носят исключительно информационный характер

Ваша заявка была отправлена. В ближайшее время наши специалисты с Вами свяжутся по указанному Вами телефону.

Представьтесь
Поле обязательно для заполнения
Ваш телефон
Введите правильный номер телефона
E-mail
Введите правильный e-mail
Тема
Тема
применяемость финансирование доставка цена, наличие другое сервис и гарантия
Время для звонка
08:00
08:00 09:00 10:00 11:00 12:00 13:00 14:00 15:00 16:00 17:00 18:00 19:00
19:00
08:00 09:00 10:00 11:00 12:00 13:00 14:00 15:00 16:00 17:00 18:00 19:00

Мы постараемся перезвонить в указанное время

Если вы не хотите ждать, то звоните нашим вежливым консультантам:

8 800 100-2-700
Подтвердите, что вы не робот
Подтвердите, что вы не робот
Спасибо!

Ваше сообщение успешно отправлено!

ЗакрытьПовторить попытку