Каталог запасных частей к технике: МТЗ-2522. Тормоз основной

zoom-in zoom-out enlarge shrink circle-right circle-left file-text2 info cart arraw right arraw left zoom out zoom in arraw maximize arraw minimize
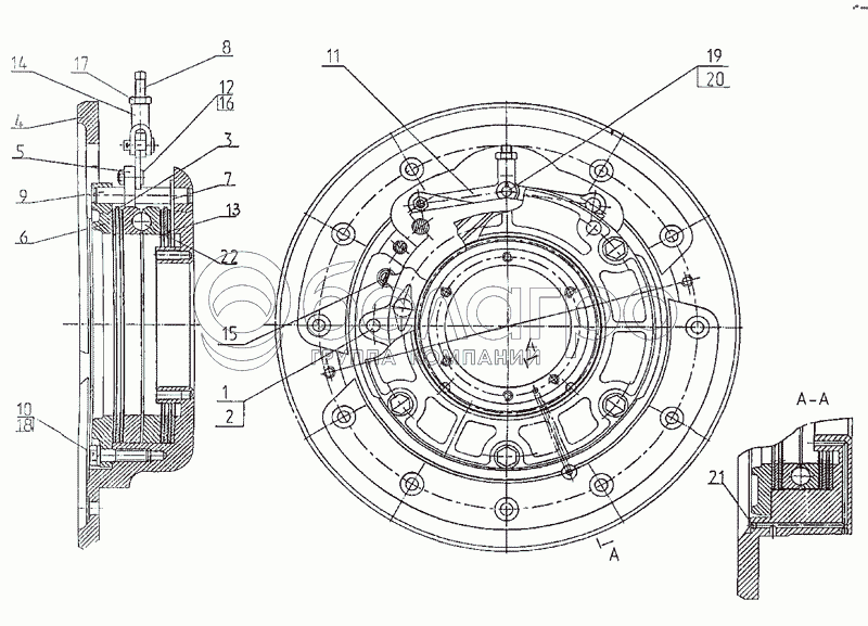
2522-3502010/010-01
1
2
3
4
4
5
6
7
8
9
10
11
12
13
14
15
16
17
18
19
20
21
22
15
77.38.163
Пружина
В узле: 8
77.38.163 Пружина МТЗ,ДТ,ЮМЗ тормозного диска, ленты, 5 витков, Беларусь Под заказ 26.95 р.
2522-3502030-А
Диски нажимные
В узле: ---
2522-3502030-А диск нажимной <10 шт. 21 477.40 р.
6
2522-3502037
Крышка
В узле: 2
2522-3502037 Крышка МТЗ Под заказ 18 795.64 р.
10
2522-3502042
Болт
В узле: 10
2522-3502042 Болт Под заказ 820.23 р.
3
2522-3502034
Диск промежуточный
В узле: 4
2522-3502034 Диск тормозной промежуточный МТЗ, Беларусь Под заказ 2 115.24 р.
2522-3502034 Диск промежуточный Под заказ 15 169.96 р.
7
2522-3502038
Диск опорный
В узле: 2
2522-3502038 Диск опорный МТЗ, Беларусь Под заказ 2 115.24 р.
8
2522-3502039
Тяга
В узле: 2
2522-3502039 Тяга МТЗ Под заказ 809.12 р.
2522-3502010/010-01
Тормоз
В узле: 1/1
1
2522-3502032
Палец
В узле: 4
2
2522-3502033
Гайка
В узле: 4
4
2522-3502035
Корпус
В узле: 1
4
2522-3502035-01
Корпус
В узле: 1
5
2522-3502036-Б
Диск нажимной
В узле: 4
9
2522-3502041
Палец
В узле: 4
11
2522-3502196
Тяга
В узле: 4
12
2522-3502198
Палец
В узле: 4
13
2522-3502015/-01
Диск
В узле: 8
14
50-3502203-01
Вилка
В узле: 2
16
М10-6Н.6.019
Гайка
В узле: 4
17
М12х1,25-6Н.04.019
Гайка
В узле: 2
18
16ОТ
Шайба ОСТ 37.001.115-75
В узле: 10
19
3,2x18.019
Шплинт
В узле: 2
20
12x32.019
Палец
В узле: 2
21
7,144-60
Шарик
В узле: 2
22
Б22,225-100
Шарик
В узле: 18
Содержащиеся в справочниках-каталогах запасные части и детали не предлагаются к продаже, а носят исключительно информационный характер

Ваша заявка была отправлена. В ближайшее время наши специалисты с Вами свяжутся по указанному Вами телефону.

Представьтесь
Поле обязательно для заполнения
Ваш телефон
Введите правильный номер телефона
E-mail
Введите правильный e-mail
Тема
Тема
применяемость финансирование доставка цена, наличие другое сервис и гарантия
Время для звонка
08:00
08:00 09:00 10:00 11:00 12:00 13:00 14:00 15:00 16:00 17:00 18:00 19:00
19:00
08:00 09:00 10:00 11:00 12:00 13:00 14:00 15:00 16:00 17:00 18:00 19:00

Мы постараемся перезвонить в указанное время

Если вы не хотите ждать, то звоните нашим вежливым консультантам:

8 800 100-2-700
Подтвердите, что вы не робот
Подтвердите, что вы не робот
Спасибо!

Ваше сообщение успешно отправлено!

ЗакрытьПовторить попытку