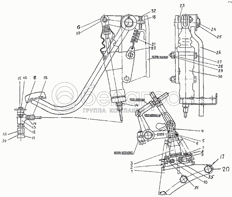
Каталог запасных частей к технике: МТЗ-2522. Управление тормозами на реверсе

zoom-in zoom-out enlarge shrink circle-right circle-left file-text2 info cart arraw right arraw left zoom out zoom in arraw maximize arraw minimize
2522-3507160
1522В-3401030
2522В-3503060
1
2
3
4
5
6
6
7
8
8
9
10
11
12
13
14
14
15
16
16
17
18
19
20
21
22
23
24
25
26
27
28
29
30
31
32
33
34
35
22
80-1602116
Ушко
В узле: 1
80-1602116 Ушко МТЗ крепежное >10 шт. 159.32 р.
2
70-4803019
Пружина
В узле: 2
70-4803019 Пружина МТЗ, Беларусь Под заказ 71.71 р.
10
923-1602116
Ушко
В узле: 2
923-1602116 Ушко <10 шт. 161.55 р.
30
1221В-1602610
Цилиндр главный
В узле: 1
1221В-1602610 Цилиндр сцепления МТЗ главный, Беларусь Под заказ 4 784.40 р.
24
50-3503071
Шайба
В узле: 1
50-3503071 Шайба МТЗ тормозного валика Под заказ 38.20 р.
2522В-3503060
Рычаг
В узле: ---
2522в-3503060 Рычаг МТЗ Под заказ 2 111.81 р.
18
2522В-3503830
Трубопровод
В узле: 1
2522в-3503830 Трубопровод МТЗ Под заказ 1 485.68 р.
35
85-1702051
Шайба
В узле: 1
85-1702051 Шайба МТЗ Под заказ 108.03 р.
12
822-3503155
Штуцер
В узле: 1
822-3503155 Штуцер МТЗ Под заказ 595.04 р.
2522-3507160
Тяга
В узле: ---
1522В-3401030
Кронштейн
В узле: ---
1
2522В-3503040
Кронштейн
В узле: 1
3
73067392
Цилиндр рабочий
В узле: 1
4
2522В-3503551
Шток
В узле: 1
5
12x40
Палец
В узле: 1
6
3,2x18.019
Шплинт
В узле: 2
7
M8-6gx45.88.35.019
Болт
В узле: 2
8
Шайба
В узле: 4
9
2522В-3503552
Штуцер
В узле: 1
11
923-3503200-01
Рукав гибкий тормозов тип IV
В узле: 1
13
80В-1602106-Б
Угольник
В узле: 1
14
822-3503701
Штуцер
В узле: 2
15
M8-6gx25.88.35.019
Болт
В узле: 2
16
М8-6Н.6.019
Гайка
В узле: 3
17
2522-2401111-01
Болт
В узле: 3
19
12x32
Палец
В узле: 1
20
180Т
Шайба
В узле: 3
21
70-4616033зам
Пружина
В узле: 1
23
80У-1602143
Втулка
В узле: 1
25
5x36.019
Шплинт
В узле: 1
26
1522В-3503820
Педаль
В узле: 1
27
M10-6gx70.88.35.019
Болт
В узле: 2
28
М10-6Н.6.019
Гайка
В узле: 2
29
10ОТ
Шайба ОСТ 37.001.115-75
В узле: 2
31
С8.01.019
Шайба
В узле: 2
32
M8-6gx35.88.35.019
Болт
В узле: 1
33
Д80-4607212
Гайка
В узле: 2
34
923-3503221
Ниппель
В узле: 2
Содержащиеся в справочниках-каталогах запасные части и детали не предлагаются к продаже, а носят исключительно информационный характер

Ваша заявка была отправлена. В ближайшее время наши специалисты с Вами свяжутся по указанному Вами телефону.

Представьтесь
Поле обязательно для заполнения
Ваш телефон
Введите правильный номер телефона
E-mail
Введите правильный e-mail
Тема
Тема
применяемость финансирование доставка цена, наличие другое сервис и гарантия
Время для звонка
08:00
08:00 09:00 10:00 11:00 12:00 13:00 14:00 15:00 16:00 17:00 18:00 19:00
19:00
08:00 09:00 10:00 11:00 12:00 13:00 14:00 15:00 16:00 17:00 18:00 19:00

Мы постараемся перезвонить в указанное время

Если вы не хотите ждать, то звоните нашим вежливым консультантам:

8 800 100-2-700
Подтвердите, что вы не робот
Подтвердите, что вы не робот
Спасибо!

Ваше сообщение успешно отправлено!

ЗакрытьПовторить попытку