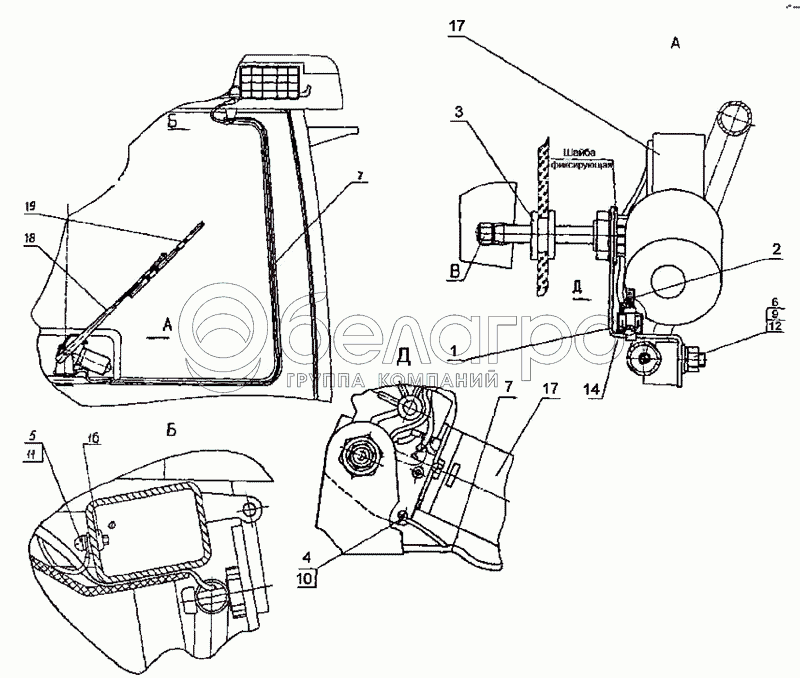
Каталог запасных частей к технике: МТЗ-2522. Установка заднего стеклоочистителя

zoom-in zoom-out enlarge shrink circle-right circle-left file-text2 info cart arraw right arraw left zoom out zoom in arraw maximize arraw minimize
1
2
3
4
5
6
7
7
9
10
11
12
14
16
17
17
18
19
1
923-5205022
Кронштейн
В узле: 1
2
80-3723045-01
Манжета
В узле: 1
3
822-5205043
Втулка
В узле: 1
4
B.M4-6gx12.58.019
Винт
В узле: 1
5
B.M6-6gx12.58.019
Винт
В узле: 1
6
М8-6Н.6.019
Гайка
В узле: 2
7
С8.01.019
Шайба
В узле: 2
9
923-3724014-Б
Жгут
В узле: 1
10
4
Шайба ОСТ 37.001.115-75
В узле: 1
11
Шайба
В узле: 1
12
Шайба
В узле: 2
14
602602
Колодка гнездовая
В узле: 1
16
1.М6-7Нх16.0-10.Ц6.хр
Заклепка-гайка
В узле: 1
17
475.3730000
Моторедуктор
В узле: 1
18
20.5215300
Рычаг стеклоочистителя
В узле: 1
19
20.5215400
Щетка стеклоочистителя
В узле: 1
Содержащиеся в справочниках-каталогах запасные части и детали не предлагаются к продаже, а носят исключительно информационный характер

Ваша заявка была отправлена. В ближайшее время наши специалисты с Вами свяжутся по указанному Вами телефону.

Представьтесь
Поле обязательно для заполнения
Ваш телефон
Введите правильный номер телефона
E-mail
Введите правильный e-mail
Тема
Тема
применяемость финансирование доставка цена, наличие другое сервис и гарантия
Время для звонка
08:00
08:00 09:00 10:00 11:00 12:00 13:00 14:00 15:00 16:00 17:00 18:00 19:00
19:00
08:00 09:00 10:00 11:00 12:00 13:00 14:00 15:00 16:00 17:00 18:00 19:00

Мы постараемся перезвонить в указанное время

Если вы не хотите ждать, то звоните нашим вежливым консультантам:

8 800 100-2-700
Подтвердите, что вы не робот
Подтвердите, что вы не робот
Спасибо!

Ваше сообщение успешно отправлено!

ЗакрытьПовторить попытку