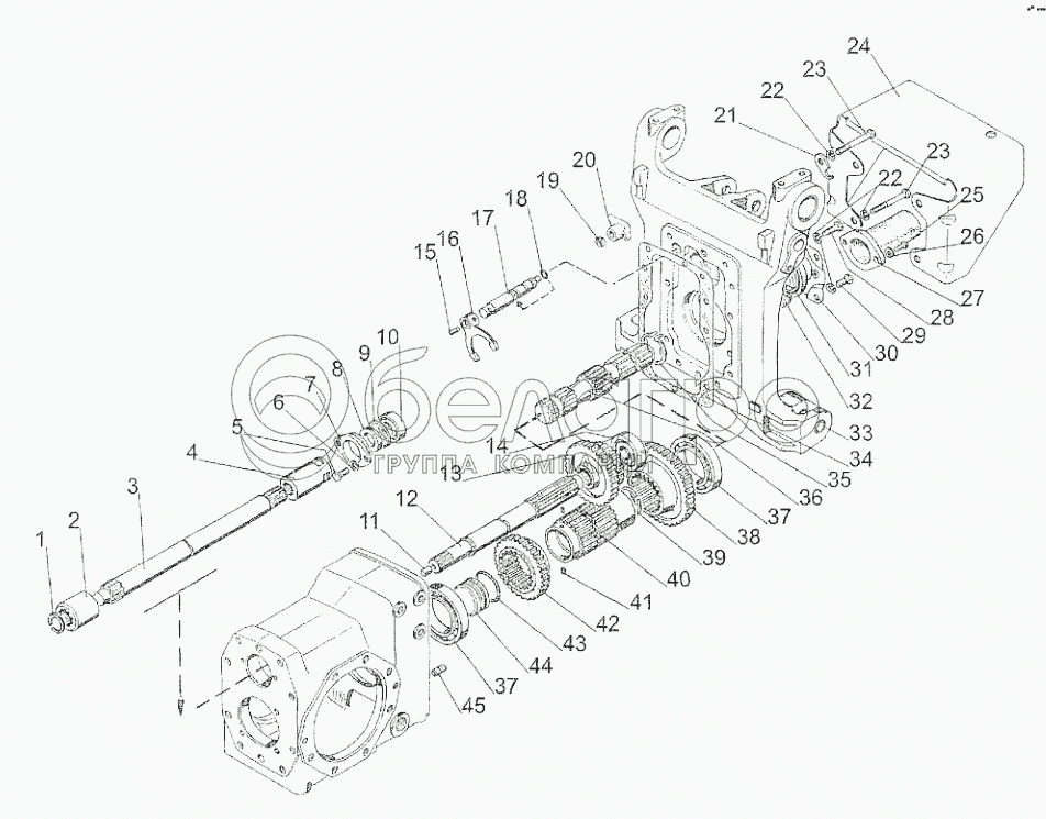
Каталог запасных частей к технике: МТЗ-310, 320, 321. Вал отбора мощности задний
1
2
3
4
5
6
7
8
9
10
11
12
13
14
15
16
17
18
19
20
21
22
22
23
23
24
25
26
27
28
29
30
31
32
33
34
35
36
37
37
38
39
40
41
42
43
44
45
|
45
52-2308094
Штифт
В узле: 2
|
|||||||||||||||||||||||||||||||||||||||||||||||||||||||||||||||||||||||||||||||||||||||
| 52-2308094 Штифт МТЗ |
|
Под заказ | 61.06 р. | ||||||||||||||||||||||||||||||||||||||||||||||||||||||||||||||||||||||||||||||||||||
|
35
220-4202027
Кольцо стопорное
В узле: 1
|
|||||||||||||||||||||||||||||||||||||||||||||||||||||||||||||||||||||||||||||||||||||||
| 220-4202027 Кольцо стопорное МТЗ, БЗТДиА |
|
>10 шт. | 126.15 р. | ||||||||||||||||||||||||||||||||||||||||||||||||||||||||||||||||||||||||||||||||||||
|
4
220-2402018
Втулка
В узле: 1
|
|||||||||||||||||||||||||||||||||||||||||||||||||||||||||||||||||||||||||||||||||||||||
| 220-2402018 Втулка МТЗ, БЗТДиА |
|
>10 шт. | 2 022.27 р. | ||||||||||||||||||||||||||||||||||||||||||||||||||||||||||||||||||||||||||||||||||||
|
36
320-4202022
Хвостовик
В узле: 1
|
|||||||||||||||||||||||||||||||||||||||||||||||||||||||||||||||||||||||||||||||||||||||
| 320-4202022 Хвостовик МТЗ вала отбора мощности (8-шлицов), Беларусь |
|
<10 шт. | 2 303.54 р. | ||||||||||||||||||||||||||||||||||||||||||||||||||||||||||||||||||||||||||||||||||||
| 320-4202022 Хвостовик МТЗ вала отбора мощности (8-шлицов), БЗТДиА |
|
<10 шт. | 9 465.47 р. | ||||||||||||||||||||||||||||||||||||||||||||||||||||||||||||||||||||||||||||||||||||
|
20
70-4803060
Рукоятка
В узле: 1
|
|||||||||||||||||||||||||||||||||||||||||||||||||||||||||||||||||||||||||||||||||||||||
| 70-4803060 Рукоятка МТЗ троса шторки радиатора, Беларусь |
|
Под заказ | 65.99 р. | ||||||||||||||||||||||||||||||||||||||||||||||||||||||||||||||||||||||||||||||||||||
|
40
320-4202021
Вал
В узле: 1
|
|||||||||||||||||||||||||||||||||||||||||||||||||||||||||||||||||||||||||||||||||||||||
| 320-4202021 Вал МТЗ, БЗТДиА |
|
<10 шт. | 8 243 р. | ||||||||||||||||||||||||||||||||||||||||||||||||||||||||||||||||||||||||||||||||||||
|
42
320-4202024
Шестерня
В узле: 1
|
|||||||||||||||||||||||||||||||||||||||||||||||||||||||||||||||||||||||||||||||||||||||
| 320-4202024 Шестерня МТЗ наружний z=35, внутренний z=26, МЗШ |
|
<10 шт. | 3 652.75 р. | ||||||||||||||||||||||||||||||||||||||||||||||||||||||||||||||||||||||||||||||||||||
|
27
50-4202065-А
Колпак
В узле: 1
|
|||||||||||||||||||||||||||||||||||||||||||||||||||||||||||||||||||||||||||||||||||||||
| 50-4202065 А Колпак МТЗ |
|
Под заказ | 264.85 р. | ||||||||||||||||||||||||||||||||||||||||||||||||||||||||||||||||||||||||||||||||||||
|
34
220-2401017
Прокладка
В узле: 1
|
|||||||||||||||||||||||||||||||||||||||||||||||||||||||||||||||||||||||||||||||||||||||
| 220-2401017 Прокладка МТЗ, БЗТДиА |
|
Под заказ | 156.06 р. | ||||||||||||||||||||||||||||||||||||||||||||||||||||||||||||||||||||||||||||||||||||
|
44
220-4202023
Заглушка
В узле: 1
|
|||||||||||||||||||||||||||||||||||||||||||||||||||||||||||||||||||||||||||||||||||||||
| 220-4202023 заглушка (РБ) |
|
Под заказ | 1 321.09 р. | ||||||||||||||||||||||||||||||||||||||||||||||||||||||||||||||||||||||||||||||||||||
|
2
320-2403018
Втулка
В узле: 1
|
|||||||||||||||||||||||||||||||||||||||||||||||||||||||||||||||||||||||||||||||||||||||
| 320-2403018 Втулка МТЗ, БЗТДиА |
|
Под заказ | 2 807.99 р. | ||||||||||||||||||||||||||||||||||||||||||||||||||||||||||||||||||||||||||||||||||||
|
12
320-4202019
Вал
В узле: 1
|
|||||||||||||||||||||||||||||||||||||||||||||||||||||||||||||||||||||||||||||||||||||||
| 320-4202019 Вал МТЗ, БЗТДиА |
|
<10 шт. | 6 216.39 р. | ||||||||||||||||||||||||||||||||||||||||||||||||||||||||||||||||||||||||||||||||||||
|
33
320-2401021
Крышка
В узле: 1
|
|||||||||||||||||||||||||||||||||||||||||||||||||||||||||||||||||||||||||||||||||||||||
| 320-2401021 крышка |
|
Под заказ | 21 081.10 р. | ||||||||||||||||||||||||||||||||||||||||||||||||||||||||||||||||||||||||||||||||||||
|
13
320-4202016
Блок-шестерня
В узле: 1
|
|||||||||||||||||||||||||||||||||||||||||||||||||||||||||||||||||||||||||||||||||||||||
| 320-4202016 Блок шестерен МТЗ заднего ВОМ, МЗШ |
|
Под заказ | 5 176.75 р. | ||||||||||||||||||||||||||||||||||||||||||||||||||||||||||||||||||||||||||||||||||||
|
24
320-4202038
Ограждение
В узле: 1
|
|||||||||||||||||||||||||||||||||||||||||||||||||||||||||||||||||||||||||||||||||||||||
| 320-4202038 Ограждение ВОМ МТЗ, БЗТДиА |
|
Под заказ | 1 312.42 р. | ||||||||||||||||||||||||||||||||||||||||||||||||||||||||||||||||||||||||||||||||||||
|
30
220-4202030
Плита
В узле: 1
|
|||||||||||||||||||||||||||||||||||||||||||||||||||||||||||||||||||||||||||||||||||||||
| 220-4202030 Плита МТЗ, БЗТДиА |
|
Под заказ | 243.85 р. | ||||||||||||||||||||||||||||||||||||||||||||||||||||||||||||||||||||||||||||||||||||
|
17
320-4216022
Валик
В узле: 1
|
|||||||||||||||||||||||||||||||||||||||||||||||||||||||||||||||||||||||||||||||||||||||
| 320-4216022 Валик МТЗ, БЗТДиА |
|
Под заказ | 2 206.50 р. | ||||||||||||||||||||||||||||||||||||||||||||||||||||||||||||||||||||||||||||||||||||
Содержащиеся в справочниках-каталогах запасные части и детали не предлагаются к продаже, а носят исключительно информационный характер