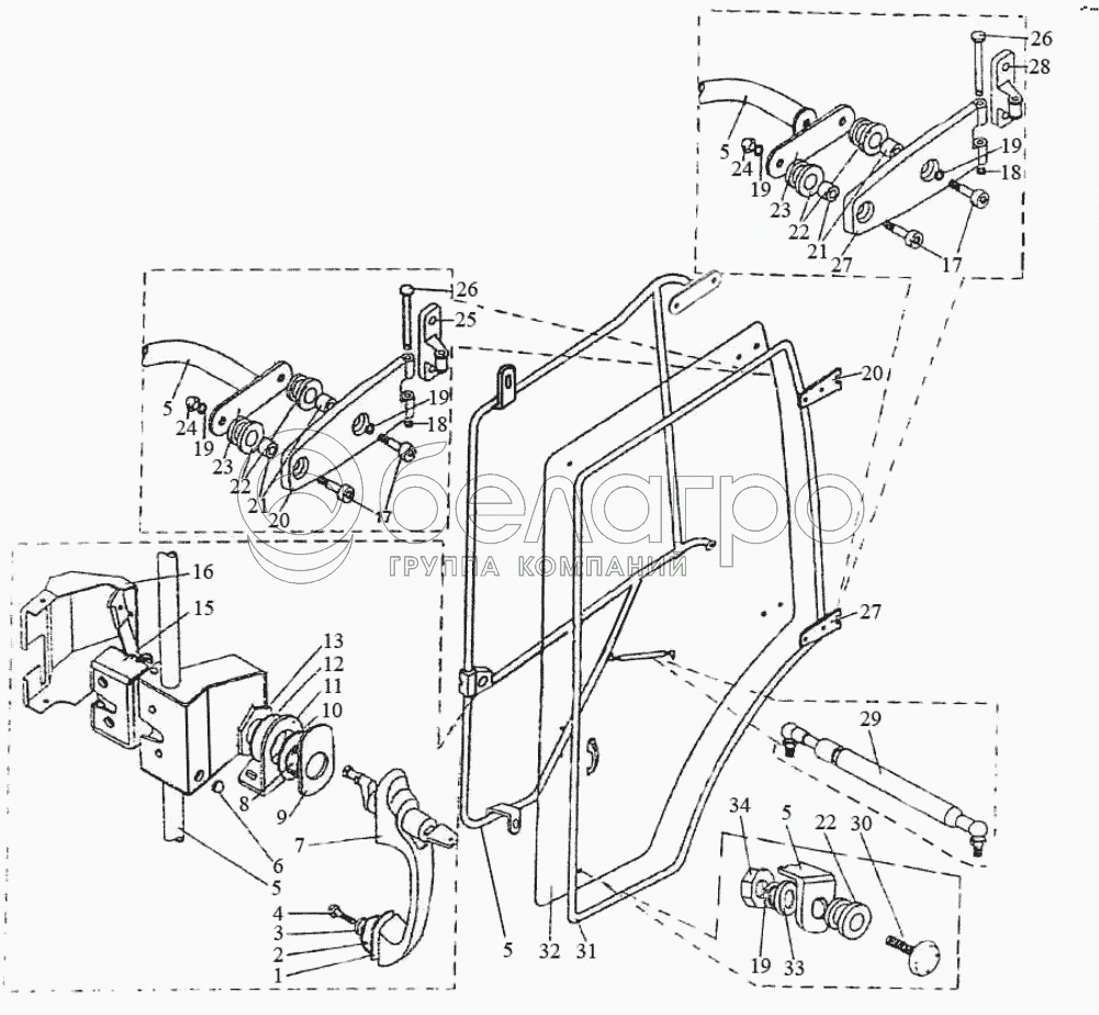
Каталог запасных частей к технике: МТЗ-3522. Дверь кабины
2522-6708005-01
2522-6708005
1
2
3
4
5
5
5
5
5
6
6
7
7
8
9
10
11
11
12
13
15
15
16
16
17
17
18
18
19
19
19
19
19
20
20
20
21
21
22
22
22
23
23
24
24
25
25
26
26
27
27
27
28
28
29
29
30
31
32
32
32
32
32
32
32
32
32
32
33
34
|
15
80-6105050
Замок
В узле: 1
|
|||||||||||||||||||||||||||||||||||||||||||||||||||||||||||||||||||||||||||||||||||||||
| 80-6105050 Замок МТЗ роторный левый голый без ручки, (А) |
|
>10 шт. | 542.82 р. | ||||||||||||||||||||||||||||||||||||||||||||||||||||||||||||||||||||||||||||||||||||
| 80-6105050 Замок МТЗ роторный левый голый без ручки, Беларусь |
|
Под заказ | 2 222.22 р. | ||||||||||||||||||||||||||||||||||||||||||||||||||||||||||||||||||||||||||||||||||||
|
15
80-6105050-01
Замок
В узле: 1
|
|||||||||||||||||||||||||||||||||||||||||||||||||||||||||||||||||||||||||||||||||||||||
| 80-6105050-01 Замок МТЗ роторный правый голый без ручки, (А) |
|
<10 шт. | 542.82 р. | ||||||||||||||||||||||||||||||||||||||||||||||||||||||||||||||||||||||||||||||||||||
| 80-6105050-01 Замок МТЗ роторный правый голый без ручки, Беларусь |
|
<10 шт. | 2 222.22 р. | ||||||||||||||||||||||||||||||||||||||||||||||||||||||||||||||||||||||||||||||||||||
|
7
2522-6105300
Ручка левая
В узле: 1
|
|||||||||||||||||||||||||||||||||||||||||||||||||||||||||||||||||||||||||||||||||||||||
| 2522-6105300 Ручка МТЗ левая |
|
>10 шт. | 817.34 р. | ||||||||||||||||||||||||||||||||||||||||||||||||||||||||||||||||||||||||||||||||||||
|
22
2522-6708016
Втулка
В узле: 12
|
|||||||||||||||||||||||||||||||||||||||||||||||||||||||||||||||||||||||||||||||||||||||
| 2522-6708016 Втулка |
|
>10 шт. | 28.39 р. | ||||||||||||||||||||||||||||||||||||||||||||||||||||||||||||||||||||||||||||||||||||
|
29
11.4.6308010
Пружина
В узле: ---
|
|||||||||||||||||||||||||||||||||||||||||||||||||||||||||||||||||||||||||||||||||||||||
| 11.4.6308010 Пружина газовая МТЗ, Беларусь |
|
Под заказ | 1 611.30 р. | ||||||||||||||||||||||||||||||||||||||||||||||||||||||||||||||||||||||||||||||||||||
|
25
2522-6708051
Петля верхняя
В узле: 1
|
|||||||||||||||||||||||||||||||||||||||||||||||||||||||||||||||||||||||||||||||||||||||
| 2522-6708051 Петля МТЗ, ВЗТЗЧ |
|
<10 шт. | 500.89 р. | ||||||||||||||||||||||||||||||||||||||||||||||||||||||||||||||||||||||||||||||||||||
|
25
2522-6708051-01
Петля верхняя
В узле: 1
|
|||||||||||||||||||||||||||||||||||||||||||||||||||||||||||||||||||||||||||||||||||||||
| 2522-6708051-01 Петля МТЗ, ВЗТЗЧ |
|
<10 шт. | 500.89 р. | ||||||||||||||||||||||||||||||||||||||||||||||||||||||||||||||||||||||||||||||||||||
|
30
2522-6708975
Винт
В узле: 4
|
|||||||||||||||||||||||||||||||||||||||||||||||||||||||||||||||||||||||||||||||||||||||
| 2522-6708975 Винт МТЗ |
|
Под заказ | 129.50 р. | ||||||||||||||||||||||||||||||||||||||||||||||||||||||||||||||||||||||||||||||||||||
|
23
2522-6708011
Планка
В узле: 4
|
|||||||||||||||||||||||||||||||||||||||||||||||||||||||||||||||||||||||||||||||||||||||
| 2522-6708011 Планка МТЗ |
|
Под заказ | 213.64 р. | ||||||||||||||||||||||||||||||||||||||||||||||||||||||||||||||||||||||||||||||||||||
|
13
2522-6105017
Гайка
В узле: 2
|
|||||||||||||||||||||||||||||||||||||||||||||||||||||||||||||||||||||||||||||||||||||||
| 2522-6105017 Гайка МТЗ |
|
Под заказ | 221.51 р. | ||||||||||||||||||||||||||||||||||||||||||||||||||||||||||||||||||||||||||||||||||||
|
21
2522-6708017
Втулка
В узле: 8
|
|||||||||||||||||||||||||||||||||||||||||||||||||||||||||||||||||||||||||||||||||||||||
| 2522-6708017 Втулка МТЗ, Беларусь |
|
Под заказ | 5.15 р. | ||||||||||||||||||||||||||||||||||||||||||||||||||||||||||||||||||||||||||||||||||||
|
3
2522-6105021
Шайба
В узле: 2
|
|||||||||||||||||||||||||||||||||||||||||||||||||||||||||||||||||||||||||||||||||||||||
| 2522-6105021 Шайба |
|
Под заказ | 127.51 р. | ||||||||||||||||||||||||||||||||||||||||||||||||||||||||||||||||||||||||||||||||||||
| 2522-6105021 Шайба МТЗ |
|
Под заказ | 127.51 р. | ||||||||||||||||||||||||||||||||||||||||||||||||||||||||||||||||||||||||||||||||||||
|
9
2522-6105013
Прокладка
В узле: 2
|
|||||||||||||||||||||||||||||||||||||||||||||||||||||||||||||||||||||||||||||||||||||||
| 2522-6105013 Прокладка |
|
Под заказ | 19.76 р. | ||||||||||||||||||||||||||||||||||||||||||||||||||||||||||||||||||||||||||||||||||||
|
11
2522-6105023
Кронштейн правый
В узле: 1
|
|||||||||||||||||||||||||||||||||||||||||||||||||||||||||||||||||||||||||||||||||||||||
| 2522-6105023 Кронштейн |
|
Под заказ | 376.49 р. | ||||||||||||||||||||||||||||||||||||||||||||||||||||||||||||||||||||||||||||||||||||
|
11
2522-6105023-01
Кронштейн левый
В узле: 1
|
|||||||||||||||||||||||||||||||||||||||||||||||||||||||||||||||||||||||||||||||||||||||
| 2522-6105023-01 Кронштейн |
|
Под заказ | 482.22 р. | ||||||||||||||||||||||||||||||||||||||||||||||||||||||||||||||||||||||||||||||||||||
|
12
2522-6105016
Шайба
В узле: 2
|
|||||||||||||||||||||||||||||||||||||||||||||||||||||||||||||||||||||||||||||||||||||||
| 2522-6105016 Шайба |
|
Под заказ | 263.52 р. | ||||||||||||||||||||||||||||||||||||||||||||||||||||||||||||||||||||||||||||||||||||
| 2522-6105016 Шайба МТЗ |
|
Под заказ | 263.52 р. | ||||||||||||||||||||||||||||||||||||||||||||||||||||||||||||||||||||||||||||||||||||
|
16
2522-6708812
Крышка левая
В узле: 1
|
|||||||||||||||||||||||||||||||||||||||||||||||||||||||||||||||||||||||||||||||||||||||
| 2522-6708812 Крышка |
|
Под заказ | 286.27 р. | ||||||||||||||||||||||||||||||||||||||||||||||||||||||||||||||||||||||||||||||||||||
|
16
2522-6708812-01
Крышка правая
В узле: 1
|
|||||||||||||||||||||||||||||||||||||||||||||||||||||||||||||||||||||||||||||||||||||||
| 2522-6708812-01 Крышка |
|
Под заказ | 286.27 р. | ||||||||||||||||||||||||||||||||||||||||||||||||||||||||||||||||||||||||||||||||||||
|
24
2522-6708029
Гайка
В узле: 4
|
|||||||||||||||||||||||||||||||||||||||||||||||||||||||||||||||||||||||||||||||||||||||
| 2522-6708029 Гайка |
|
Под заказ | 292.87 р. | ||||||||||||||||||||||||||||||||||||||||||||||||||||||||||||||||||||||||||||||||||||
| 2522-6708029 Гайка МТЗ |
|
Под заказ | 292.87 р. | ||||||||||||||||||||||||||||||||||||||||||||||||||||||||||||||||||||||||||||||||||||
|
2522-6708005
Дверь левая
В узле: 1
|
|||||||||||||||||||||||||||||||||||||||||||||||||||||||||||||||||||||||||||||||||||||||
| 2522-6708005 Дверь МТЗ левая 1522/1523/2022/2522/2822/3022 |
|
Под заказ | 56 987.59 р. | ||||||||||||||||||||||||||||||||||||||||||||||||||||||||||||||||||||||||||||||||||||
|
2522-6708005-01
Дверь правая
В узле: 1
|
|||||||||||||||||||||||||||||||||||||||||||||||||||||||||||||||||||||||||||||||||||||||
| 2522-6708005-01 Дверь МТЗ правая 1522/1523/2022/2522/2822/3022 |
|
Под заказ | 56 987.59 р. | ||||||||||||||||||||||||||||||||||||||||||||||||||||||||||||||||||||||||||||||||||||
|
8
2522-6105022
Втулка
В узле: 2
|
|||||||||||||||||||||||||||||||||||||||||||||||||||||||||||||||||||||||||||||||||||||||
| 2522-6105022 Втулка |
|
Под заказ | 127.51 р. | ||||||||||||||||||||||||||||||||||||||||||||||||||||||||||||||||||||||||||||||||||||
|
5
2522-6708020-А
Рама левая
В узле: 1
|
|||||||||||||||||||||||||||||||||||||||||||||||||||||||||||||||||||||||||||||||||||||||
| 2522-6708020-А Рама левая |
|
Под заказ | 16 420.48 р. | ||||||||||||||||||||||||||||||||||||||||||||||||||||||||||||||||||||||||||||||||||||
|
6
2522-6708020-А-01
Рама правая
В узле: 1
|
|||||||||||||||||||||||||||||||||||||||||||||||||||||||||||||||||||||||||||||||||||||||
| 2522-6708020-А-01 Рама правая |
|
Под заказ | 16 420.48 р. | ||||||||||||||||||||||||||||||||||||||||||||||||||||||||||||||||||||||||||||||||||||
Содержащиеся в справочниках-каталогах запасные части и детали не предлагаются к продаже, а носят исключительно информационный характер