Каталог запасных частей к технике: МТЗ-510/512, 520/522. Арматура корпуса гидроагрегатов
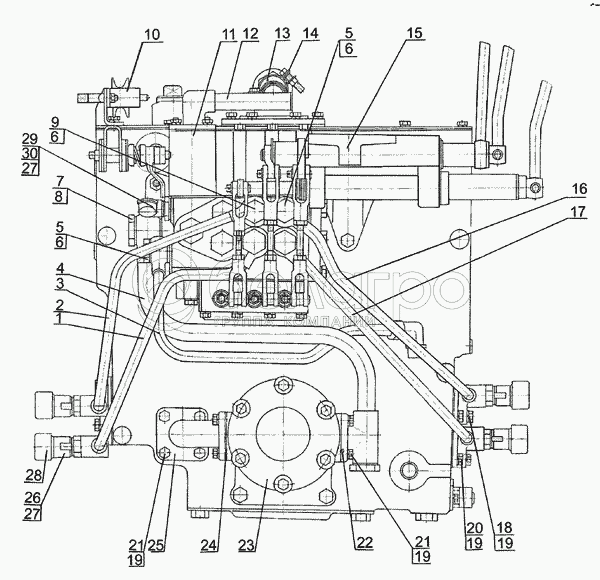
1
2
3
4
5
5
6
6
6
7
8
9
10
11
12
13
14
15
16
17
18
19
19
19
19
20
21
21
22
23
23
24
25
26
27
27
28
29
30
|
24
50-4607097
Прокладка
В узле: 4
|
|||||||||||||||||||||||||||||||||||||||||||||||||||||||||||||||||||||||||||||||||||||||
| 50-4607097 Прокладка МТЗ паронит, Беларусь |
|
>10 шт. | 5.55 р. | ||||||||||||||||||||||||||||||||||||||||||||||||||||||||||||||||||||||||||||||||||||
|
26
3057-4616330-А
Клапан запорного устройства
В узле: 4
|
|||||||||||||||||||||||||||||||||||||||||||||||||||||||||||||||||||||||||||||||||||||||
| 3057-4616330-А Клапан МТЗ полумуфта БРС резьбовая, папа, БЗТДиА |
|
<10 шт. | 630.74 р. | ||||||||||||||||||||||||||||||||||||||||||||||||||||||||||||||||||||||||||||||||||||
|
5
40-4607032
Болт
В узле: 3
|
|||||||||||||||||||||||||||||||||||||||||||||||||||||||||||||||||||||||||||||||||||||||
| 40-4607032 Болт МТЗ, БЗТДиА |
|
>10 шт. | 538.63 р. | ||||||||||||||||||||||||||||||||||||||||||||||||||||||||||||||||||||||||||||||||||||
|
30
40-3405062
Гайка
В узле: 1
|
|||||||||||||||||||||||||||||||||||||||||||||||||||||||||||||||||||||||||||||||||||||||
| 40-3405062 Гайка МТЗ, САЗ |
|
>10 шт. | 65.73 р. | ||||||||||||||||||||||||||||||||||||||||||||||||||||||||||||||||||||||||||||||||||||
|
7
40-4607037
Болт
В узле: 1
|
|||||||||||||||||||||||||||||||||||||||||||||||||||||||||||||||||||||||||||||||||||||||
| 40-4607037 Болт МТЗ, БЗТДиА |
|
<10 шт. | 716.36 р. | ||||||||||||||||||||||||||||||||||||||||||||||||||||||||||||||||||||||||||||||||||||
|
25
50-4607096-А
Патрубок
В узле: 1
|
|||||||||||||||||||||||||||||||||||||||||||||||||||||||||||||||||||||||||||||||||||||||
| 50-4607096-А Патрубок МТЗ к НШ32М-3, Беларусь |
|
Под заказ | 545.74 р. | ||||||||||||||||||||||||||||||||||||||||||||||||||||||||||||||||||||||||||||||||||||
| 50-4607096-А Патрубок (У) |
|
Под заказ | 679.92 р. | ||||||||||||||||||||||||||||||||||||||||||||||||||||||||||||||||||||||||||||||||||||
|
11
Р80-3/1-222-3ГГ
Гидрораспределитель
В узле: 1
|
|||||||||||||||||||||||||||||||||||||||||||||||||||||||||||||||||||||||||||||||||||||||
| Р80-3/1-222-3ГГ Гидрораспределитель МТЗ, Беларусь |
|
Под заказ | 21 784.60 р. | ||||||||||||||||||||||||||||||||||||||||||||||||||||||||||||||||||||||||||||||||||||
|
9
50-4607031
Болт
В узле: 2
|
|||||||||||||||||||||||||||||||||||||||||||||||||||||||||||||||||||||||||||||||||||||||
| 50-4607031 Болт МТЗ, БЗТДиА |
|
Под заказ | 397.73 р. | ||||||||||||||||||||||||||||||||||||||||||||||||||||||||||||||||||||||||||||||||||||
|
29
40-3405061-А
Штуцер М20х1,5
В узле: 1
|
|||||||||||||||||||||||||||||||||||||||||||||||||||||||||||||||||||||||||||||||||||||||
| 40-3405061-А Штуцер МТЗ, БЗТДиА |
|
Под заказ | 417.24 р. | ||||||||||||||||||||||||||||||||||||||||||||||||||||||||||||||||||||||||||||||||||||
|
16
50-4607110
Труба
В узле: 1
|
|||||||||||||||||||||||||||||||||||||||||||||||||||||||||||||||||||||||||||||||||||||||
| 50-4607110 Маслопровод МТЗ гидрораспределителя |
|
Под заказ | 1 562.69 р. | ||||||||||||||||||||||||||||||||||||||||||||||||||||||||||||||||||||||||||||||||||||
|
17
50-4607115
Труба
В узле: 1
|
|||||||||||||||||||||||||||||||||||||||||||||||||||||||||||||||||||||||||||||||||||||||
| 50-4607115 Труба МТЗ гидрораспределителя (маслопровод) |
|
Под заказ | 1 564.31 р. | ||||||||||||||||||||||||||||||||||||||||||||||||||||||||||||||||||||||||||||||||||||
|
10
70-1310410-Б
Блок управления в сборе
В узле: 1
|
|||||||||||||||||||||||||||||||||||||||||||||||||||||||||||||||||||||||||||||||||||||||
| 70-1310410-Б Блок управления МТЗ шторки системы охлаждения |
|
Под заказ | 1 477.40 р. | ||||||||||||||||||||||||||||||||||||||||||||||||||||||||||||||||||||||||||||||||||||
|
15
70-4607040-Б
Кронштейн
В узле: 1
|
|||||||||||||||||||||||||||||||||||||||||||||||||||||||||||||||||||||||||||||||||||||||
| 70-4607040-Б Кронштейн МТЗ управления гидроузлами в сборе |
|
Под заказ | 7 647.73 р. | ||||||||||||||||||||||||||||||||||||||||||||||||||||||||||||||||||||||||||||||||||||
Содержащиеся в справочниках-каталогах запасные части и детали не предлагаются к продаже, а носят исключительно информационный характер