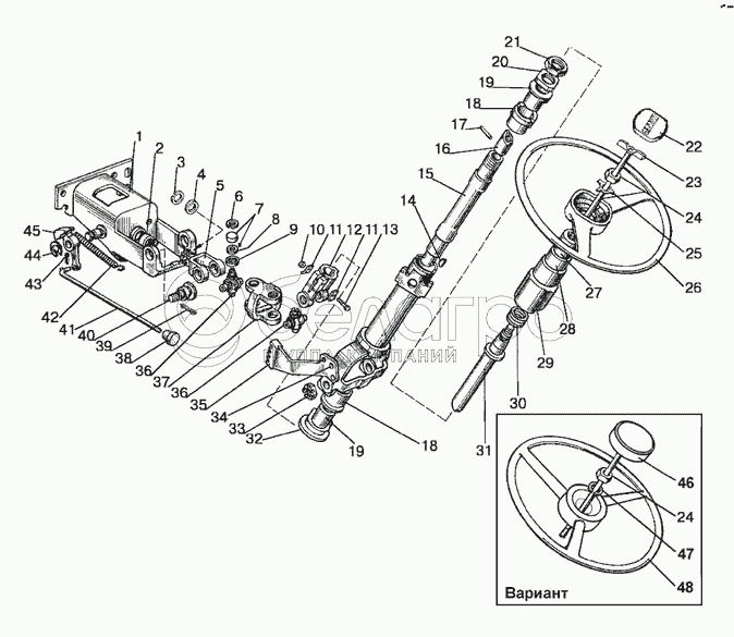
Каталог запасных частей к технике: МТЗ-570. Колонка рулевая
85-3401010
1
2
3
4
5
6
7
8
9
10
11
11
12
13
14
15
16
17
18
18
19
19
20
21
22
23
24
24
25
26
27
28
29
30
31
32
33
34
35
36
36
37
38
39
40
41
42
43
44
45
46
47
48
|
19
70-3401076
Втулка
В узле: 2
|
|||||||||||||||||||||||||||||||||||||||||||||||||||||||||||||||||||||||||||||||||||||||
| 70-3401076 Втулка МТЗ амортизатора рулевой колонки |
|
>10 шт. | 45.49 р. | ||||||||||||||||||||||||||||||||||||||||||||||||||||||||||||||||||||||||||||||||||||
|
33
70-3003032
Гайка
В узле: 2
|
|||||||||||||||||||||||||||||||||||||||||||||||||||||||||||||||||||||||||||||||||||||||
| 70-3003032 Гайка нижняя МТЗ раздаточной коробки, корончатая, М18х1,5, (А) |
|
Под заказ | 6.31 р. | ||||||||||||||||||||||||||||||||||||||||||||||||||||||||||||||||||||||||||||||||||||
| 70-3003032 Гайка нижняя МТЗ раздаточной коробки, корончатая, М18х1,5, САЗ* |
|
Под заказ | 98.24 р. | ||||||||||||||||||||||||||||||||||||||||||||||||||||||||||||||||||||||||||||||||||||
| 70-3003032 Гайка нижняя МТЗ раздаточной коробки, корончатая, М18х1,5, БЗТДиА |
|
<10 шт. | 348.01 р. | ||||||||||||||||||||||||||||||||||||||||||||||||||||||||||||||||||||||||||||||||||||
|
26
80-3402015
Колесо
В узле: 1
|
|||||||||||||||||||||||||||||||||||||||||||||||||||||||||||||||||||||||||||||||||||||||
| 80-3402015 Колесо рулевое МТЗ твердое (2-х спицевое) (руль), Беларусь |
|
>10 шт. | 1 485.60 р. | ||||||||||||||||||||||||||||||||||||||||||||||||||||||||||||||||||||||||||||||||||||
|
18
70-3401077-Б
Амортизатор
В узле: 2
|
|||||||||||||||||||||||||||||||||||||||||||||||||||||||||||||||||||||||||||||||||||||||
| 70-3401077-Б - Амортизатор |
|
<10 шт. | 195.50 р. | ||||||||||||||||||||||||||||||||||||||||||||||||||||||||||||||||||||||||||||||||||||
| 70-3401077-Б Амортизатор |
|
>10 шт. | 34.73 р. | ||||||||||||||||||||||||||||||||||||||||||||||||||||||||||||||||||||||||||||||||||||
|
22
80-3401082
Крышка головки
В узле: 1
|
|||||||||||||||||||||||||||||||||||||||||||||||||||||||||||||||||||||||||||||||||||||||
| 80-3401082 Крышка МТЗ колеса рулевого, Беларусь |
|
>10 шт. | 47.96 р. | ||||||||||||||||||||||||||||||||||||||||||||||||||||||||||||||||||||||||||||||||||||
|
36
50-3401062
Крестовина
В узле: 2
|
|||||||||||||||||||||||||||||||||||||||||||||||||||||||||||||||||||||||||||||||||||||||
| 50-3401062 Крестовина МТЗ, ЮМЗ без подшипников, ВЗТЗЧ |
|
<10 шт. | 401.70 р. | ||||||||||||||||||||||||||||||||||||||||||||||||||||||||||||||||||||||||||||||||||||
| 50-3401062 Крестовина МТЗ с подшипниками, (А) |
|
Под заказ | 89.03 р. | ||||||||||||||||||||||||||||||||||||||||||||||||||||||||||||||||||||||||||||||||||||
|
2
85-3401016
Втулка
В узле: 1
|
|||||||||||||||||||||||||||||||||||||||||||||||||||||||||||||||||||||||||||||||||||||||
| 85-3401016 Втулка МТЗ под насос-дозатор, Беларусь |
|
Под заказ | 13.33 р. | ||||||||||||||||||||||||||||||||||||||||||||||||||||||||||||||||||||||||||||||||||||
|
85-3401150
Кардан для ОSРВ-100 в сборе
В узле: 1
|
|||||||||||||||||||||||||||||||||||||||||||||||||||||||||||||||||||||||||||||||||||||||
| 85-3401150 Кардан МТЗ рулевой, SPILE |
|
Под заказ | 819.17 р. | ||||||||||||||||||||||||||||||||||||||||||||||||||||||||||||||||||||||||||||||||||||
| 85-3401150 Кардан МТЗ рулевой, ВЗТЗЧ |
|
<10 шт. | 4 514.71 р. | ||||||||||||||||||||||||||||||||||||||||||||||||||||||||||||||||||||||||||||||||||||
|
27
80-3709025
Втулка
В узле: 1
|
|||||||||||||||||||||||||||||||||||||||||||||||||||||||||||||||||||||||||||||||||||||||
| 80-3709025 Втулка МТЗ, Беларусь |
|
<10 шт. | 33.12 р. | ||||||||||||||||||||||||||||||||||||||||||||||||||||||||||||||||||||||||||||||||||||
|
29
80-3709024
Чехол
В узле: 1
|
|||||||||||||||||||||||||||||||||||||||||||||||||||||||||||||||||||||||||||||||||||||||
| 80-3709024 Чехол МТЗ рулевой колонки, Беларусь |
|
Под заказ | 86.38 р. | ||||||||||||||||||||||||||||||||||||||||||||||||||||||||||||||||||||||||||||||||||||
|
5
85-3401156-Б
Вилка (ОSРВ-100)
В узле: 1
|
|||||||||||||||||||||||||||||||||||||||||||||||||||||||||||||||||||||||||||||||||||||||
| 85-3401156-Б Вилка МТЗ, ВЗТЗЧ |
|
<10 шт. | 843.64 р. | ||||||||||||||||||||||||||||||||||||||||||||||||||||||||||||||||||||||||||||||||||||
|
31
85-3401175
Вал
В узле: 1
|
|||||||||||||||||||||||||||||||||||||||||||||||||||||||||||||||||||||||||||||||||||||||
| 85-3401175 Вал МТЗ, БЗТДиА |
|
<10 шт. | 2 019.13 р. | ||||||||||||||||||||||||||||||||||||||||||||||||||||||||||||||||||||||||||||||||||||
|
85-3401010
Колонка рулевая для насоса-дозатора НД-80 и щитка приборов 80-3805010 в сборе
В узле: 1
|
|||||||||||||||||||||||||||||||||||||||||||||||||||||||||||||||||||||||||||||||||||||||
| 85-3401010 Колонка МТЗ механизма рулевого под ГОРУ, БЗТДиА |
|
Под заказ | 22 744.39 р. | ||||||||||||||||||||||||||||||||||||||||||||||||||||||||||||||||||||||||||||||||||||
|
46
822-3401140-А1
Зажим
В узле: 1
|
|||||||||||||||||||||||||||||||||||||||||||||||||||||||||||||||||||||||||||||||||||||||
| 822-3401140-А1 Зажим рулевой колонки МТЗ (ОЗАА) |
|
Под заказ | 472.21 р. | ||||||||||||||||||||||||||||||||||||||||||||||||||||||||||||||||||||||||||||||||||||
|
3
С20
Кольцо
В узле: 1
|
|||||||||||||||||||||||||||||||||||||||||||||||||||||||||||||||||||||||||||||||||||||||
| С20 ГОСТ 13940-86 Кольцо МТЗ (915241) ГОСТ 13940-86 |
|
Под заказ | 47.44 р. | ||||||||||||||||||||||||||||||||||||||||||||||||||||||||||||||||||||||||||||||||||||
|
16
70-3401054-Б
Хвостовик вала
В узле: 1
|
|||||||||||||||||||||||||||||||||||||||||||||||||||||||||||||||||||||||||||||||||||||||
| 70-3401054-Б Хвостовик МТЗ, БЗТДиА |
|
<10 шт. | 1 209.29 р. | ||||||||||||||||||||||||||||||||||||||||||||||||||||||||||||||||||||||||||||||||||||
|
23
80-3401140
Зажим
В узле: 1
|
|||||||||||||||||||||||||||||||||||||||||||||||||||||||||||||||||||||||||||||||||||||||
| 80-3401140 Зажим МТЗ, Амкодор колонки рулевой |
|
Под заказ | 594.02 р. | ||||||||||||||||||||||||||||||||||||||||||||||||||||||||||||||||||||||||||||||||||||
|
70-3401050-Б
Вал со штифтом и хвостовиком в сборе
В узле: 1
|
|||||||||||||||||||||||||||||||||||||||||||||||||||||||||||||||||||||||||||||||||||||||
| 70-3401050-Б Вал МТЗ, БЗТДиА |
|
<10 шт. | 4 268.08 р. | ||||||||||||||||||||||||||||||||||||||||||||||||||||||||||||||||||||||||||||||||||||
|
15
70-3401055
Вал промежуточный
В узле: 1
|
|||||||||||||||||||||||||||||||||||||||||||||||||||||||||||||||||||||||||||||||||||||||
| 70-3401055 Вал МТЗ, БЗТДиА |
|
<10 шт. | 2 970.13 р. | ||||||||||||||||||||||||||||||||||||||||||||||||||||||||||||||||||||||||||||||||||||
|
1
85-3401120
Кронштейн
В узле: 1
|
|||||||||||||||||||||||||||||||||||||||||||||||||||||||||||||||||||||||||||||||||||||||
| 85-3401120 Кронштейн МТЗ колонки рулевой с ГОРУ, БЗТДиА |
|
Под заказ | 5 514.55 р. | ||||||||||||||||||||||||||||||||||||||||||||||||||||||||||||||||||||||||||||||||||||
|
20
70-3401078
Гайка
В узле: 1
|
|||||||||||||||||||||||||||||||||||||||||||||||||||||||||||||||||||||||||||||||||||||||
| 70-3401078 Гайка МТЗ, БЗТДиА |
|
<10 шт. | 263.75 р. | ||||||||||||||||||||||||||||||||||||||||||||||||||||||||||||||||||||||||||||||||||||
|
45
85-3401014
Фиксатор
В узле: 1
|
|||||||||||||||||||||||||||||||||||||||||||||||||||||||||||||||||||||||||||||||||||||||
| 85-3401014 Фиксатор сектора МТЗ, БЗТДиА |
|
<10 шт. | 561.42 р. | ||||||||||||||||||||||||||||||||||||||||||||||||||||||||||||||||||||||||||||||||||||
|
25
50-3401091
Шайба
В узле: 1
|
|||||||||||||||||||||||||||||||||||||||||||||||||||||||||||||||||||||||||||||||||||||||
| 50-3401091 Шайба МТЗ |
|
Под заказ | 23.23 р. | ||||||||||||||||||||||||||||||||||||||||||||||||||||||||||||||||||||||||||||||||||||
|
21
70-3401079
Контргайка
В узле: 1
|
|||||||||||||||||||||||||||||||||||||||||||||||||||||||||||||||||||||||||||||||||||||||
| 70-3401079 Контргайка МТЗ привода рулевого управления, САЗ* |
|
Под заказ | 102.36 р. | ||||||||||||||||||||||||||||||||||||||||||||||||||||||||||||||||||||||||||||||||||||
|
37
85-3401067
Вилка
В узле: 1
|
|||||||||||||||||||||||||||||||||||||||||||||||||||||||||||||||||||||||||||||||||||||||
| 85-3401067 Вилка МТЗ, ВЗТЗЧ |
|
Под заказ | 962.26 р. | ||||||||||||||||||||||||||||||||||||||||||||||||||||||||||||||||||||||||||||||||||||
|
35
600-3401160
Сектор
В узле: 1
|
|||||||||||||||||||||||||||||||||||||||||||||||||||||||||||||||||||||||||||||||||||||||
| 600-3401160 Сектор МТЗ рулевое управление, БЗТДиА |
|
Под заказ | 945.54 р. | ||||||||||||||||||||||||||||||||||||||||||||||||||||||||||||||||||||||||||||||||||||
Содержащиеся в справочниках-каталогах запасные части и детали не предлагаются к продаже, а носят исключительно информационный характер