Каталог запасных частей к технике: МТЗ-570. Механизм блокировки дифференциала «мокрого» типа
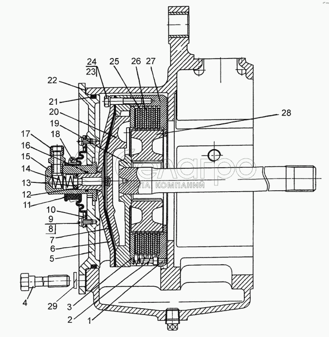
1
2
3
3
3
3
3
3
3
4
5
6
7
8
9
10
11
12
13
14
15
16
17
18
19
20
21
22
23
24
25
26
27
28
29
|
2
50-1702148-А
Пружина фиксатора
В узле: 4
|
|||||||||||||||||||||||||||||||||||||||||||||||||||||||||||||||||||||||||||||||||||||||
| 50-1702148-А Пружина МТЗ, Беларусь |
|
Под заказ | 24.42 р. | ||||||||||||||||||||||||||||||||||||||||||||||||||||||||||||||||||||||||||||||||||||
|
13
70-2409027-А
Втулка
В узле: 1
|
|||||||||||||||||||||||||||||||||||||||||||||||||||||||||||||||||||||||||||||||||||||||
| 70-2409027-А Втулка МТЗ механизма блокировки дифференциала, (У) |
|
Под заказ | Нет на складе | ||||||||||||||||||||||||||||||||||||||||||||||||||||||||||||||||||||||||||||||||||||
| 70-2409027-А Втулка МТЗ механизма блокировки дифференциала, Беларусь |
|
Под заказ | 26.60 р. | ||||||||||||||||||||||||||||||||||||||||||||||||||||||||||||||||||||||||||||||||||||
|
12
70-2409033-Б
Кольцо
В узле: 1
|
|||||||||||||||||||||||||||||||||||||||||||||||||||||||||||||||||||||||||||||||||||||||
| 70-2409033-Б Кольцо МТЗ, Беларусь |
|
Под заказ | 8.08 р. | ||||||||||||||||||||||||||||||||||||||||||||||||||||||||||||||||||||||||||||||||||||
|
17
70-2409037
Штуцер
В узле: 1
|
|||||||||||||||||||||||||||||||||||||||||||||||||||||||||||||||||||||||||||||||||||||||
| 70-2409037 Штуцер, САЗ |
|
<10 шт. | 84.01 р. | ||||||||||||||||||||||||||||||||||||||||||||||||||||||||||||||||||||||||||||||||||||
|
11
80М-2409036
Уплотнитель
В узле: 1
|
|||||||||||||||||||||||||||||||||||||||||||||||||||||||||||||||||||||||||||||||||||||||
| 80М-2409036 Уплотнитель МТЗ, Беларусь |
|
Под заказ | 207.40 р. | ||||||||||||||||||||||||||||||||||||||||||||||||||||||||||||||||||||||||||||||||||||
|
6
70-2409030-Б
Крышка диафрагмы
В узле: 1
|
|||||||||||||||||||||||||||||||||||||||||||||||||||||||||||||||||||||||||||||||||||||||
| 70-2409030-Б Крышка МТЗ, (А) |
|
Под заказ | 615.36 р. | ||||||||||||||||||||||||||||||||||||||||||||||||||||||||||||||||||||||||||||||||||||
| 70-2409030-Б Крышка МТЗ |
|
Под заказ | 2 102.21 р. | ||||||||||||||||||||||||||||||||||||||||||||||||||||||||||||||||||||||||||||||||||||
|
15
70-2409026-Б
Переходник
В узле: 1
|
|||||||||||||||||||||||||||||||||||||||||||||||||||||||||||||||||||||||||||||||||||||||
| 70-2409026-Б Переходник МТЗ кожуха муфты блокировки |
|
Под заказ | 1 362.68 р. | ||||||||||||||||||||||||||||||||||||||||||||||||||||||||||||||||||||||||||||||||||||
|
80М-2409010
Муфта блокировки
В узле: 1
|
|||||||||||||||||||||||||||||||||||||||||||||||||||||||||||||||||||||||||||||||||||||||
| 80М-2409010 Муфта МТЗ |
|
Под заказ | 34 835.53 р. | ||||||||||||||||||||||||||||||||||||||||||||||||||||||||||||||||||||||||||||||||||||
|
19
70-2409020-02
Вал блокировочный
В узле: 1
|
|||||||||||||||||||||||||||||||||||||||||||||||||||||||||||||||||||||||||||||||||||||||
| 70-2409020-02 вал |
|
Под заказ | 5 402.40 р. | ||||||||||||||||||||||||||||||||||||||||||||||||||||||||||||||||||||||||||||||||||||
|
25
80М-2409016
Диск промежуточный
В узле: 5
|
|||||||||||||||||||||||||||||||||||||||||||||||||||||||||||||||||||||||||||||||||||||||
| 80М-2409016 Диск промежуточный МТЗ |
|
Под заказ | 1 285.23 р. | ||||||||||||||||||||||||||||||||||||||||||||||||||||||||||||||||||||||||||||||||||||
Содержащиеся в справочниках-каталогах запасные части и детали не предлагаются к продаже, а носят исключительно информационный характер