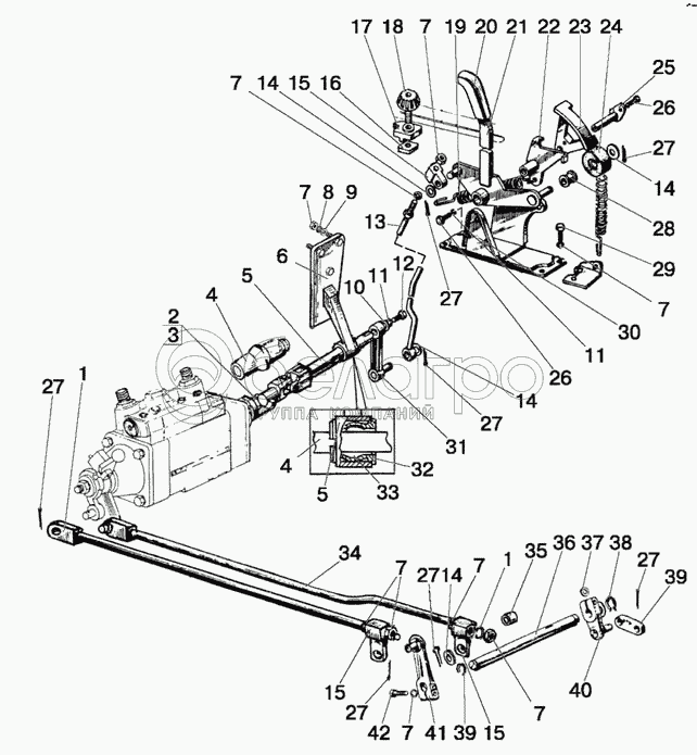
Каталог запасных частей к технике: МТЗ-570. Управление регулятором

zoom-in zoom-out enlarge shrink circle-right circle-left file-text2 info cart arraw right arraw left zoom out zoom in arraw maximize arraw minimize
80П-4616210
1
1
2
3
4
4
5
5
6
7
7
7
7
7
7
7
7
8
9
10
11
11
12
13
14
14
14
14
15
15
15
16
17
18
19
20
21
22
23
24
25
26
26
27
27
27
27
27
27
27
28
29
30
31
32
33
34
35
36
37
38
39
39
40
41
42
19
50-1605152
Пружина
В узле: 1
50-1605152 Пружина МТЗ, Беларусь Под заказ 145.06 р.
20
А13.17.000
Рукоятка
В узле: 1
А13.17.000 Рукоятка МТЗ управления валом отбора мощности, Беларусь Под заказ 143.26 р.
32
80В-4616023
Втулка
В узле: 1
80В-4616023 Втулка МТЗ, Беларусь Под заказ 31.23 р.
37
Р50-4616053
Шпонка
В узле: 2
Р50-4616053 Шпонка кольцевая <10 шт. 73.16 р.
15
80-4616051
Ползун
В узле: 3
80-4616051 Ползун МТЗ Под заказ 176.86 р.
6
80В-4616050
Кронштейн
В узле: 1
80В-4616050 Кронштейн МТЗ, БЗТДиА Под заказ 1 450.04 р.
13
80-4616044-Б
Тяга
В узле: 1
80-4616044-Б Тяга МТЗ Под заказ 327.50 р.
28
80-4616016
Втулка
В узле: 1
80-4616016 Втулка МТЗ Под заказ 70.76 р.
23
85-4616090-Б1
Сектор
В узле: 1
85-4616090-Б1 Сектор Под заказ 547.35 р.
33
80В-4616022
Сфера
В узле: 1
80В-4616022 Сфера МТЗ, Беларусь Под заказ 24.19 р.
80П-4616210
Управление регулятором
В узле: 1
1
70-4616140
Тяга
В узле: 1
2
10ОТ
Шайба ОСТ 37.001.115-75
В узле: 1
3
М10-6Н.6.019
Гайка
В узле: 1
4
85-4616053
Чехол
В узле: 1
5
80-4616050-В
Вал
В узле: 1
7
М8-6Н.6.019
Гайка
В узле: 9
8
Шайба
В узле: 10
9
С8.01.016
Шайба
В узле: 7
10
С6.01.016
Шайба
В узле: 1
11
Шайба
В узле: 4
12
M6-6gx12.88.35.019
Болт
В узле: 1
14
С10.01.016
Шайба
В узле: 2
16
М6-6Н.6.019
Гайка
В узле: 1
17
80-4616034
Упор
В узле: 1
18
80-4616070
Винт
В узле: 1
21
80-4616020-Б
Рычаг
В узле: 1
22
80-4616035
Рычаг
В узле: 1
24
80-4616017
Ролик
В узле: 1
25
80-4616155
Палец
В узле: 1
26
M6-6gx14.88.35.019
Болт
В узле: 3
27
3,2x18.019
Шплинт
В узле: 8
29
M8-6gx16.88.35.019
Болт
В узле: 4
30
80-4616150
Кронштейн
В узле: 1
31
80В-4616040
Рычаг
В узле: 1
34
70-4616150
Тяга
В узле: 1
35
70-8405114
Втулка
В узле: 1
36
70-4616051
Валик
В узле: 1
38
С15
Кольцо
В узле: 2
39
Р50-4616054
Пластина
В узле: 1
40
Р50-4616130-Б
Рычаг
В узле: 1
41
70-4616110
Рычаг
В узле: 1
42
M8-6gx25.88.35.019
Болт
В узле: 2
Содержащиеся в справочниках-каталогах запасные части и детали не предлагаются к продаже, а носят исключительно информационный характер

Ваша заявка была отправлена. В ближайшее время наши специалисты с Вами свяжутся по указанному Вами телефону.

Представьтесь
Поле обязательно для заполнения
Ваш телефон
Введите правильный номер телефона
E-mail
Введите правильный e-mail
Тема
Тема
применяемость финансирование доставка цена, наличие другое сервис и гарантия
Время для звонка
08:00
08:00 09:00 10:00 11:00 12:00 13:00 14:00 15:00 16:00 17:00 18:00 19:00
19:00
08:00 09:00 10:00 11:00 12:00 13:00 14:00 15:00 16:00 17:00 18:00 19:00

Мы постараемся перезвонить в указанное время

Если вы не хотите ждать, то звоните нашим вежливым консультантам:

8 800 100-2-700
Подтвердите, что вы не робот
Подтвердите, что вы не робот
Спасибо!

Ваше сообщение успешно отправлено!

ЗакрытьПовторить попытку