Каталог запасных частей к технике: МТЗ-80. Буксирное устройство

zoom-in zoom-out enlarge shrink circle-right circle-left file-text2 info cart arraw right arraw left zoom out zoom in arraw maximize arraw minimize
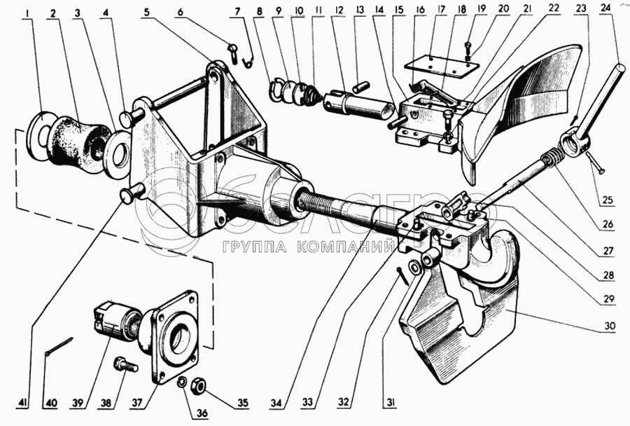
1
2
3
4
5
6
7
8
9
10
11
12
13
14
15
16
17
18
19
20
21
22
23
24
25
26
27
28
29
30
31
32
33
34
35
36
37
38
39
40
41
6
А61.05.005
Чека
В узле: 2
А61.05.005 Чека МТЗ задней навески голая (под шплинт), Беларусь >10 шт. 90.93 р.
А61.05.005 Чека МТЗ задней навески голая (под шплинт), (А) Под заказ 8.33 р.
29
52-2308094
Штифт
В узле: 2
52-2308094 Штифт МТЗ Под заказ 61.06 р.
7
А61.05.004
Кольцо
В узле: 2
А61.05.004 Кольцо МТЗ оборудования навесного и прицепного Под заказ 23.40 р.
37
70-2805052-Б
Крышка
В узле: 1
70-2805052-Б Крышка <10 шт. 401.42 р.
70-2805005
Буксирное устройство в сборе
В узле: 1
70-2805005 Кронштейн Под заказ 18 655.89 р.
70-2805015
Буксир в сборе
В узле: 1
70-2805020
Крюк в сборе
В узле: 1
70-2805025
Корпус в сборе
В узле: 1
1
70-2805053
Фланец
В узле: 1
2
130-2805215-Б
Буфер
В узле: 1
3
70-2805054
Фланец
В узле: 1
4
Н70-2805071
Палец
В узле: 1
5
70-2805011-Б
Кронштейн
В узле: 1
8
Кольцо В42 ГОСТ 13941-80
Кольцо В42 ГОСТ 13941-80
В узле: 1
9
70-2805047
Заглушка
В узле: 1
10
70-2805027
Шайба
В узле: 1
11
70-2805048
Пружина
В узле: 1
12
70-2805044
Палец
В узле: 1
13
70-2805037
Палец
В узле: 1
14
70-2805036
Штифт
В узле: 1
15
70-2805030
Корпус
В узле: 1
16
70-2805046
Пружина
В узле: 1
17
70-2805034
Пластина
В узле: 1
18
70-2805049
Упор
В узле: 1
19
Болт М6-6gх14.88.35.019 ГОСТ 7798-70
Болт М6-6gх14.88.35.019 ГОСТ 7798-70
В узле: 4
20
Шайба 6Т ОСТ 37.001.115-75
Шайба 6Т ОСТ 37.001.115-75
В узле: 4
21
Болт М12-6gх30.88.35.019 ГОСТ 7798-70
Болт М12-6gх30.88.35.019 ГОСТ 7798-70
В узле: 4
22
Шайба 12ОТ ОСТ 37.001.115-75
Шайба 12ОТ ОСТ 37.001.115-75
В узле: 4
23
Шплинт 3,2х18.016 ГОСТ 397-79
Шплинт 3,2х18.016 ГОСТ 397-79
В узле: 1
24
70-2805050
Рукоятка
В узле: 1
25
Палец 8х65.016 ОСТ 37.001.163-75
Палец 8х65.016 ОСТ 37.001.163-75
В узле: 1
26
70-2805024
Пружина
В узле: 1
27
70-2805023
Ось
В узле: 1
28
70-2805022
Рычаг
В узле: 1
30
70-2805040
Ловитель
В узле: 1
31
70-2805026
Шайба
В узле: 1
32
Шплинт 3,2х25.016 ГОСТ 397-79
Шплинт 3,2х25.016 ГОСТ 397-79
В узле: 1
33
12-12-306
Кольцо
В узле: 2
34
70-2805021
Крюк
В узле: 1
35
Гайка М16-6Н.6.019 ГОСТ 5915-70
Гайка М16-6Н.6.019 ГОСТ 5915-70
В узле: 4
36
Шайба 16ОТ ОСТ 37.001.115-75
Шайба 16ОТ ОСТ 37.001.115-75
В узле: 4
38
Болт М16-6gх50.88.35.019 ГОСТ 7796-70
Болт М16-6gх50.88.35.019 ГОСТ 7796-70
В узле: 4
39
70-2805056
Гайка
В узле: 1
40
Шплинт 6,3х63.016 ГОСТ 397-79
Шплинт 6,3х63.016 ГОСТ 397-79
В узле: 1
41
Н70-2805071-01
Палец
В узле: 1
Содержащиеся в справочниках-каталогах запасные части и детали не предлагаются к продаже, а носят исключительно информационный характер

Ваша заявка была отправлена. В ближайшее время наши специалисты с Вами свяжутся по указанному Вами телефону.

Представьтесь
Поле обязательно для заполнения
Ваш телефон
Введите правильный номер телефона
E-mail
Введите правильный e-mail
Тема
Тема
применяемость финансирование доставка цена, наличие другое сервис и гарантия
Время для звонка
08:00
08:00 09:00 10:00 11:00 12:00 13:00 14:00 15:00 16:00 17:00 18:00 19:00
19:00
08:00 09:00 10:00 11:00 12:00 13:00 14:00 15:00 16:00 17:00 18:00 19:00

Мы постараемся перезвонить в указанное время

Если вы не хотите ждать, то звоните нашим вежливым консультантам:

8 800 100-2-700
Подтвердите, что вы не робот
Подтвердите, что вы не робот
Спасибо!

Ваше сообщение успешно отправлено!

ЗакрытьПовторить попытку