Каталог запасных частей к технике: МТЗ-80. Форсунка ФД-22

zoom-in zoom-out enlarge shrink circle-right circle-left file-text2 info cart arraw right arraw left zoom out zoom in arraw maximize arraw minimize
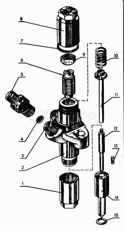
1
2
3
4
5
6
7
8
9
10
11
12
13
14
15
15
11.1112208
Прокладка
В узле: 4
11.1112208 Прокладка МТЗ форсунки медная (диам. 10х16х1 мм), (А) Под заказ 4.48 р.
14.1112010-01
Форсунка в сборе
В узле: 4
14.1112110
Распылитель в сборе
В узле: 4
1
14.1112124
Гайка распылителя
В узле: 4
2
14.1112024
Корпус
В узле: 4
3
11.1112158
Прокладка
В узле: 4
4
11.1112170
Фильтр
В узле: 4
5
11.1112154-01
Штуцер
В узле: 4
6
14.1112196
Гайка
В узле: 4
7
11.1112206
Прокладка
В узле: 4
8
11.1112204
Колпак
В узле: 4
9
14.1112198
Контргайка
В узле: 4
10
14.1112192
Пружина
В узле: 4
11
14.1112130
Штанга
В узле: 4
12
14.1112116
Игла (поставляется в сборе 14.1112110)
В узле: 4
13
11.1112028
Штифт
В узле: 8
14
14.1112114
Корпус (поставляется в сборе 14.1112110)
В узле: 4
Содержащиеся в справочниках-каталогах запасные части и детали не предлагаются к продаже, а носят исключительно информационный характер

Ваша заявка была отправлена. В ближайшее время наши специалисты с Вами свяжутся по указанному Вами телефону.

Представьтесь
Поле обязательно для заполнения
Ваш телефон
Введите правильный номер телефона
E-mail
Введите правильный e-mail
Тема
Тема
применяемость финансирование доставка цена, наличие другое сервис и гарантия
Время для звонка
08:00
08:00 09:00 10:00 11:00 12:00 13:00 14:00 15:00 16:00 17:00 18:00 19:00
19:00
08:00 09:00 10:00 11:00 12:00 13:00 14:00 15:00 16:00 17:00 18:00 19:00

Мы постараемся перезвонить в указанное время

Если вы не хотите ждать, то звоните нашим вежливым консультантам:

8 800 100-2-700
Подтвердите, что вы не робот
Подтвердите, что вы не робот
Спасибо!

Ваше сообщение успешно отправлено!

ЗакрытьПовторить попытку