Каталог запасных частей к технике: МТЗ-80. Карбюратор

zoom-in zoom-out enlarge shrink circle-right circle-left file-text2 info cart arraw right arraw left zoom out zoom in arraw maximize arraw minimize
1
2
2
3
4
5
6
7
8
9
10
11
11
12
13
14
15
16
17
18
19
19
20
21
22
23
24
25
26
27
28
29
30
31
32
33
34
35
36
37
38
39
40
41
42
43
44
45
46
47
48
49
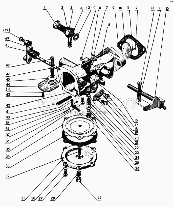
11.1107011
Карбюратор в сборе
В узле: 1
11.1107565
Заслонка воздушная в сборе
В узле: 1
К06-1107200
Крышка в сборе
В узле: 1
11.1107305
Клапан обратный в сборе с замком, шайбой и пластиной
В узле: 1
1
К13-1107207
Болт штуцера
В узле: 1
2
002502-07
Шайба
В узле: 2
3
К16А-1107122
Штуцер
В узле: 1
4
К13-1107208
Сетка
В узле: 1
5
11.1107032
Заглушка
В узле: 2
6
К16-1107102-Б
Винт
В узле: 1
7
11.1107033
Заглушка
В узле: 2
8
11.1107106.2
Корпус
В узле: 1
9
Д24-093
Прокладка
В узле: 1
10
11.1107891
Заслонка дроссельная
В узле: 1
11
Шайба 3Т 65Г 016 ОСТ 37.001.115-74
Шайба 3Т 65Г 016 ОСТ 37.001.115-74
В узле: 4
12
00.1300-16
Винт М3-6gх10.48.016 ОСТ 37.001.127-75
В узле: 2
13
11.1107926
Винт
В узле: 1
14
003700-04
Пружина
В узле: 1
15
11.1107820
Валик
В узле: 1
16
003700-08
Пружина
В узле: 1
17
002100-3
Гайка М6.6Н.5.019 ОСТ 37.001.124-75
В узле: 1
18
Шайба 6Л 65Г 016 ОСТ 37.001.115-74
Шайба 6Л 65Г 016 ОСТ 37.001.115-74
В узле: 1
19
11.1107549
Винт муфты
В узле: 2
20
11.1107540
Рычаг
В узле: 1
21
11.1107021
Шайба
В узле: 1
22
11.1107171
Распылитель
В узле: 1
23
11.1107308
Замок клапана
В узле: 1
24
11.1107309
Шайба
В узле: 1
25
11.1107307
Пластина клапана
В узле: 1
26
11.1107306
Корпус клапана
В узле: 1
27
К06-1107202
Кнопка
В узле: 1
28
003700-03
Пружина
В узле: 1
29
001300-04
Винт М5-6gх12.48.016 ОСТ 37.001.127-75
В узле: 6
30
Шайба 5 65Г 016 ОСТ 37.001.115-74
Шайба 5 65Г 016 ОСТ 37.001.115-74
В узле: 6
31
К06-1107201-10
Крышка
В узле: 1
32
К06-1107203-10
Утопитель диафрагмы
В узле: 1
33
11.1107029
Прокладка
В узле: 1
34
11.1107370
Мембрана
В узле: 1
35
К22.1107616
Винт
В узле: 1
36
11.1107386
Рычаг
В узле: 1
37
К02-1107117-А
Ось
В узле: 1
38
К06-1107106
Пружина
В узле: 1
39
11.1107675
Игла клапана
В узле: 1
40
11.1107674
Седло
В узле: 1
41
11.1107114
Шпилька
В узле: 2
42
11.1107216
Жиклер
В узле: 1
43
1300
Винт М3-6gх8.48.016 ОСТ 37.001.127-75
В узле: 2
44
11.1107571
Заслонка
В узле: 1
45
11.1107577
Клапан
В узле: 1
46
11.1107578
Пружина
В узле: 1
47
11.1107576
Ось
В узле: 1
48
11.1107575
Пружина
В узле: 1
49
11.1107520
Валик заслонки
В узле: 1
Содержащиеся в справочниках-каталогах запасные части и детали не предлагаются к продаже, а носят исключительно информационный характер

Ваша заявка была отправлена. В ближайшее время наши специалисты с Вами свяжутся по указанному Вами телефону.

Представьтесь
Поле обязательно для заполнения
Ваш телефон
Введите правильный номер телефона
E-mail
Введите правильный e-mail
Тема
Тема
применяемость финансирование доставка цена, наличие другое сервис и гарантия
Время для звонка
08:00
08:00 09:00 10:00 11:00 12:00 13:00 14:00 15:00 16:00 17:00 18:00 19:00
19:00
08:00 09:00 10:00 11:00 12:00 13:00 14:00 15:00 16:00 17:00 18:00 19:00

Мы постараемся перезвонить в указанное время

Если вы не хотите ждать, то звоните нашим вежливым консультантам:

8 800 100-2-700
Подтвердите, что вы не робот
Подтвердите, что вы не робот
Спасибо!

Ваше сообщение успешно отправлено!

ЗакрытьПовторить попытку