Каталог запасных частей к технике: МТЗ-80. Компрессор и установка компрессора

zoom-in zoom-out enlarge shrink circle-right circle-left file-text2 info cart arraw right arraw left zoom out zoom in arraw maximize arraw minimize
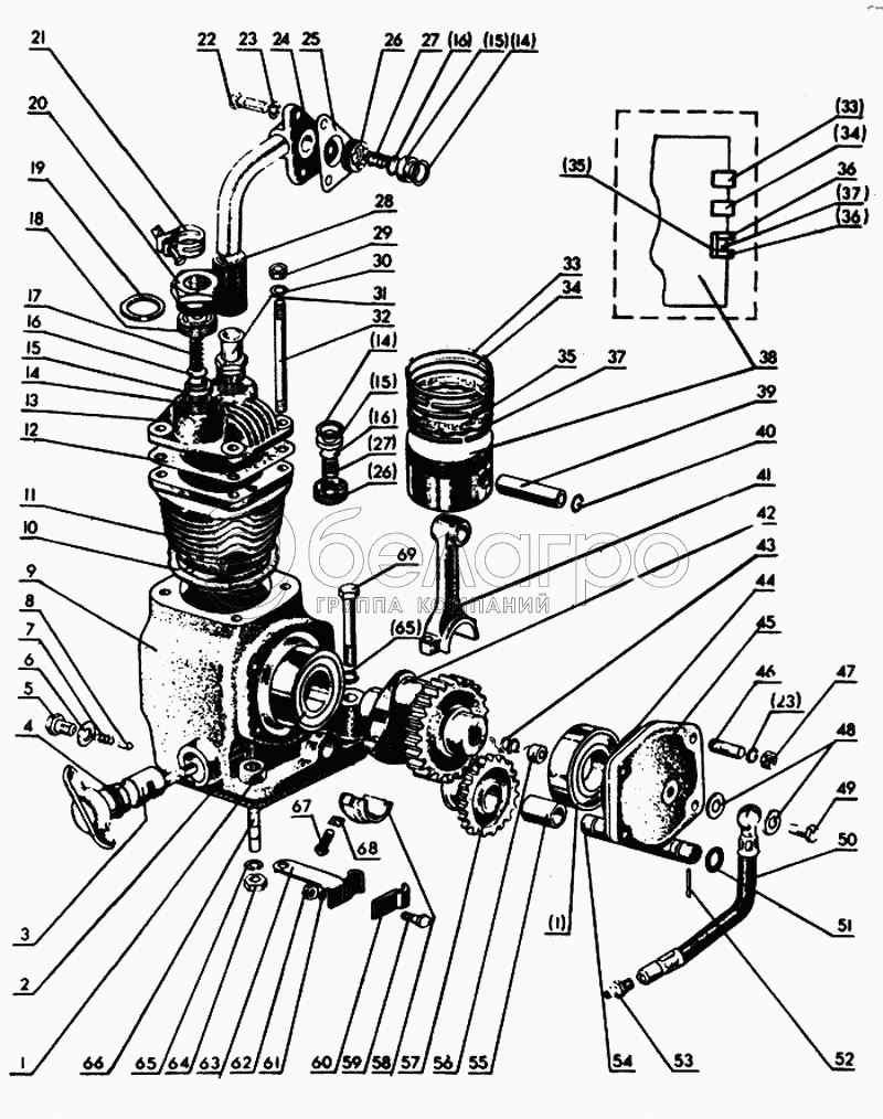
1
1
2
3
4
5
6
7
8
9
10
11
12
13
14
14
14
15
15
15
16
16
16
17
18
19
20
21
22
23
23
24
25
26
26
27
27
28
29
30
31
32
33
33
34
34
35
35
36
36
37
37
38
39
40
41
42
43
44
45
46
47
48
49
50
51
52
53
54
55
56
57
58
59
60
61
62
63
64
65
65
66
67
68
69
2
240-3509037-А
Прокладка
В узле: 1
240-3509037-А Прокладка МТЗ, ЗИЛ, ПАЗ компрессора >10 шт. 8.54 р.
49
36-1104787
Болт
В узле: 1
36-1104787 Болт МТЗ М10х1.0х22 обратки форсунки, САЗ* >10 шт. 55.36 р.
36-1104787 Болт МТЗ М10х1.0х22 обратки форсунки, (А) Под заказ 5.43 р.
50
240-3509150
Маслопровод
В узле: 1
240-3509150 Маслопровод МТЗ, ЗИЛ компрессора, L=352 мм, ММЗ* Под заказ 720.69 р.
240-3509150 Маслопровод МТЗ, ЗИЛ компрессора, L=352 мм, (А) Под заказ 55.39 р.
48
36-1104788
Прокладка
В узле: 2
36-1104788 Шайба 10.0х16.0х1.5 Д-240, Д-245 уплотнительная медная, (А) Под заказ 4.48 р.
53
240-3509232
Штуцер
В узле: 1
240-3509232 Штуцер МТЗ, ЗИЛ маслопровода компрессора, L=31мм, (А) Под заказ 23.55 р.
А29.01.180
Поршневые кольца (комплект)
В узле: 1
А29.01.180 Кольца поршневые ЗИЛ, ПАЗ компрессора d=72 мм, комплект Под заказ 616.41 р.
А29.01.000
Компрессор в сборе
В узле: 1
А29.01.000 Пневмокомпрессор МТЗ SPILE Под заказ 8 742.96 р.
38
А29.05.101
Поршень
В узле: 1
А29.05.101 Поршень МТЗ, РФ <10 шт. 475.40 р.
13
А29.01.050
Головка цилиндров в сборе
В узле: 1
А29.01.200-А
Шестерня со втулкой в сборе
В узле: ---
А29.01.150
Шатун в сборе
В узле: 1
А29.01.100
Поршень и шатун в сборе
В узле: 1
1
Подшипник 207 ГОСТ 8338-75
Подшипник 207 ГОСТ 8338-75
В узле: 2
3
А29.01.250А
Валик управления
В узле: 1
4
Кольцо 020-025-30-2-1 ГОСТ 9833-73
Кольцо 020-025-30-2-1 ГОСТ 9833-73
В узле: 1
5
Болт М10-6gх20.66.019 ГОСТ 7796-70
Болт М10-6gх20.66.019 ГОСТ 7796-70
В узле: 1
6
А29.01.017
Прокладка
В узле: 1
7
50-4604027-Б
Пружина
В узле: 1
8
А29.01.005
Фиксатор
В узле: 1
9
А29.01.001
Картер
В узле: 1
10
А29.01.006
Прокладка
В узле: 1
11
А29.01.002
Цилиндр
В узле: 1
12
А29.01.008
Прокладка
В узле: 1
14
А29.01.063
Прокладка
В узле: 3
15
А29.01.062
Седло клапана
В узле: 3
16
А29.01.061
Клапан
В узле: 3
17
А29.01.056
Пружина клапана
В узле: 1
18
А29.01.052
Корпус клапана
В узле: 1
19
А29.01.064-А
Прокладка
В узле: 1
20
А29.01.053
Пробка
В узле: 1
21
ХС-26
Хомут
В узле: 2
22
Болт М8-6gх25.88.35.019 ГОСТ 7796-70
Болт М8-6gх25.88.35.019 ГОСТ 7796-70
В узле: 3
23
Шайба 8 ГОСТ 6402-70
Шайба 8 ГОСТ 6402-70
В узле: 7
24
240-3509210
Труба
В узле: 1
25
240-3509157
Прокладка
В узле: 1
26
А29.01.058
Корпус клапана
В узле: 2
27
А29.01.055
Пружина клапана
В узле: 2
28
18-30-50-10(1)
Рукав
В узле: 1
29
Гайка М8-1.6Н.8.45.056 ГОСТ 15524-70
Гайка М8-1.6Н.8.45.056 ГОСТ 15524-70
В узле: 4
30
Шайба 8 ГОСТ 11371-78
Шайба 8 ГОСТ 11371-78
В узле: 4
31
А29.01.059
Штуцер
В узле: 1
32
А29.01.023
Шпилька
В узле: 4
33
А27.02.03.007
Кольцо компрессионное
В узле: 1
34
А27.02.03.008
Кольцо компрессионное
В узле: 1
35
А27.12.40.510
Расширитель
В узле: 1
36
А27.12.40.509
Сегмент
В узле: 2
37
А27.12.40.511
Расширитель
В узле: 1
39
А29.05.103
Палец поршневой
В узле: 1
40
А29.05.102
Кольцо стопорное
В узле: 2
41
А29.05.171
Шатун
В узле: 1
42
А29.01.004
Вал коленчатый
В узле: 1
43
А29.01.013А
Пружина
В узле: 1
44
А29.01.009
Прокладка
В узле: 2
45
А29.01.003
Крышка
В узле: 1
46
Шпилька 2М8 3р/6gх 18.66.05 ГОСТ 22038-7
Шпилька 2М8 3р/6gх 18.66.05 ГОСТ 22038-76
В узле: 4
47
Гайка М8.6Н.8.056 ГОСТ 5915-70
Гайка М8.6Н.8.056 ГОСТ 5915-70
В узле: 4
51
Кольцо 014-018-25-2-1 ГОСТ 9833-70
Кольцо 014-018-25-2-1 ГОСТ 9833-70
В узле: 2
52
Штифт 4h8х28 ГОСТ 3128-70
Штифт 4h8х28 ГОСТ 3128-70
В узле: 1
54
А29.01.301
Ось шестерни
В узле: 1
55
А29.01.202А
Втулка
В узле: 1
56
А29.01.019
Уплотнитель крышки
В узле: 1
57
А21.01.201А
Шестерня
В узле: 1
58
А29.05.172
Крышка шатуна
В узле: 1
59
Болт М6-6gх16.88.39.019 ГОСТ 7798-70
Болт М6-6gх16.88.39.019 ГОСТ 7798-70
В узле: 1
60
240-3509159
Скоба
В узле: 1
61
Шайба 6 ГОСТ 6402-70
Шайба 6 ГОСТ 6402-70
В узле: 1
62
Гайка М6 6.019 ГОСТ 5915-70
Гайка М6 6.019 ГОСТ 5915-70
В узле: 1
63
240-3506158
Хомут
В узле: 1
64
Гайка М10 5Н.6Н.019 ГОСТ 5915-70
Гайка М10 5Н.6Н.019 ГОСТ 5915-70
В узле: 3
65
Шайба 10 65Г ГОСТ 6402-70
Шайба 10 65Г ГОСТ 6402-70
В узле: 4
66
Шпилька М10хТо/6gх28 ГОСТ 22038-76
Шпилька М10хТо/6gх28 ГОСТ 22038-76
В узле: 3
67
Болт М8-6gх35.109.40Х.05 ГОСТ 7811-70
Болт М8-6gх35.109.40Х.05 ГОСТ 7811-70
В узле: 2
68
А29.05.173
Шайба
В узле: 2
69
Болт М10-6gх65.88.35.019 ГОСТ 7795-70
Болт М10-6gх65.88.35.019 ГОСТ 7795-70
В узле: 1
Содержащиеся в справочниках-каталогах запасные части и детали не предлагаются к продаже, а носят исключительно информационный характер

Ваша заявка была отправлена. В ближайшее время наши специалисты с Вами свяжутся по указанному Вами телефону.

Представьтесь
Поле обязательно для заполнения
Ваш телефон
Введите правильный номер телефона
E-mail
Введите правильный e-mail
Тема
Тема
применяемость финансирование доставка цена, наличие другое сервис и гарантия
Время для звонка
08:00
08:00 09:00 10:00 11:00 12:00 13:00 14:00 15:00 16:00 17:00 18:00 19:00
19:00
08:00 09:00 10:00 11:00 12:00 13:00 14:00 15:00 16:00 17:00 18:00 19:00

Мы постараемся перезвонить в указанное время

Если вы не хотите ждать, то звоните нашим вежливым консультантам:

8 800 100-2-700
Подтвердите, что вы не робот
Подтвердите, что вы не робот
Спасибо!

Ваше сообщение успешно отправлено!

ЗакрытьПовторить попытку