Каталог запасных частей к технике: МТЗ-80. Корпус гидроагрегатов, фильтр

zoom-in zoom-out enlarge shrink circle-right circle-left file-text2 info cart arraw right arraw left zoom out zoom in arraw maximize arraw minimize
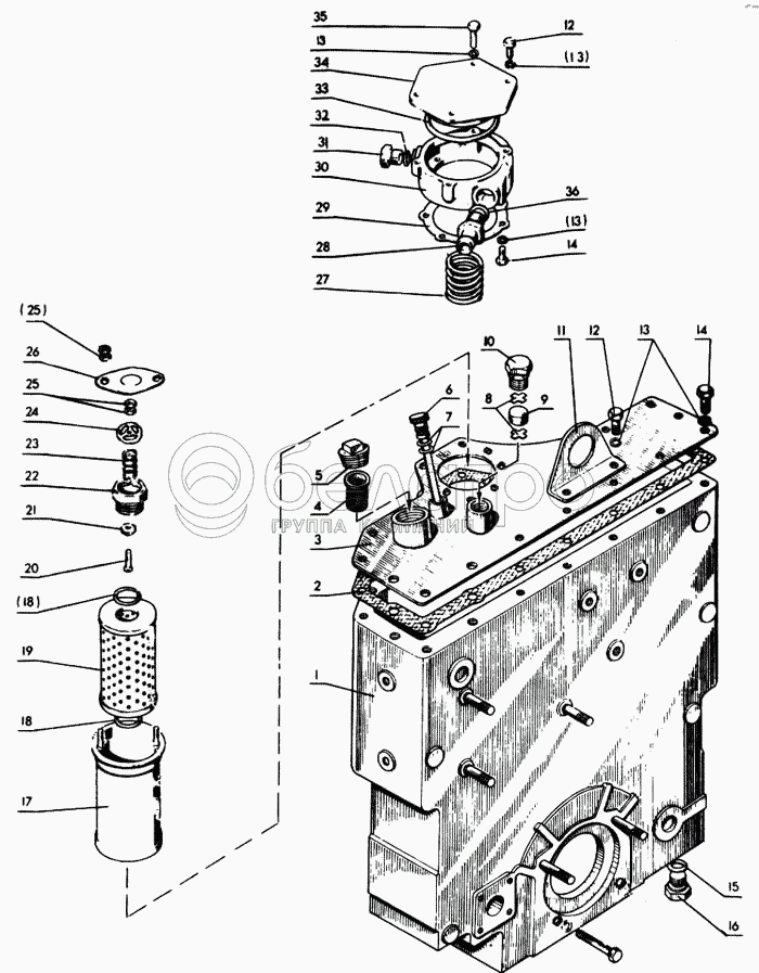
1
2
3
4
5
6
7
8
9
10
11
12
12
13
13
13
13
14
14
15
16
17
18
18
19
20
21
22
23
24
25
25
26
27
28
29
30
31
32
33
34
35
36
16
50-4608027-В
Пробка
В узле: 1
50-4608027-В Пробка МТЗ сливная бака гидросистемы , САЗ <10 шт. 71.71 р.
27
85-4608057
Пружина
В узле: 1
85-4608057 Пружина МТЗ, Беларусь <10 шт. 346.43 р.
6
70-4608065-А
Масломер
В узле: 1
70-4608065-А Масломер МТЗ указатель уровня масла гидроагрегатов <10 шт. 190.93 р.
31
85-4608021
Пробка
В узле: 1
85-4608021 пробка (РБ) <10 шт. 108.85 р.
10
50-4608059
Пробка сапуна
В узле: 1
50-4608059 Пробка МТЗ сапуна , САЗ <10 шт. 142.41 р.
34
85-4608022
Крышка
В узле: 1
85-4608022 Крышка гидробака МТЗ Под заказ 671.99 р.
26
А28.04.00.001
Ограничитель
В узле: 1
А28.04.00.001 Ограничитель корпуса МТЗ масляного фильтра Под заказ 77.40 р.
4
А61-С06-А3
Фильтр
В узле: 1
А61-С06-А3 Фильтр гидробака МТЗ управления рулевого Под заказ 431.70 р.
9
50-4608063
Фильтр
В узле: 1
50-4608063 Фильтр МТЗ Под заказ 10.05 р.
8
50-4608062
Шайба сапуна
В узле: 2
50-4608062 Шайба МТЗ сапуна Под заказ 14.58 р.
28
85-4607034
Штуцер
В узле: 1
85-4607034 Штуцер МТЗ Под заказ 595.04 р.
80-4608010-Б
Корпус в сборе
В узле: 1
1
80-4608016
Корпус гидросистемы
В узле: 1
2
80-4608031
Прокладка
В узле: 1
3
85-4608025-01
Крышка
В узле: 1
5
Пробка КГ 1/4" ОСТ 23.1.117-83
Пробка КГ 1/4" ОСТ 23.1.117-83
В узле: 1
7
Кольцо 011-015-25-2-2 ГОСТ 9833-73
Кольцо 011-015-25-2-2 ГОСТ 9833-73
В узле: 2
11
80-4608073
Кронштейн
В узле: 1
12
Болт М8-6gх25.88.35.019 ГОСТ 7796-70
Болт М8-6gх25.88.35.019 ГОСТ 7796-70
В узле: 5
13
8Т ОСТ 37.001.115-75
Шайба
В узле: 18
14
Болт М8-6gх20.88.35.019 ГОСТ 7796-70
Болт М8-6gх20.88.35.019 ГОСТ 7796-70
В узле: 11
15
Кольцо 017-022-30-34 ГОСТ 18829-74
Кольцо 017-022-30-34 ГОСТ 18829-74
В узле: 1
17
А28.04.20.00А
Корпус
В узле: 1
18
Кольцо 041-050-46-2-2 ГОСТ 9833-73
Кольцо 041-050-46-2-2 ГОСТ 9833-73
В узле: 2
19
761-00-00-000
Фильтрующий элемент
В узле: 1
20
Винт В1М6-6gх 40.66 ГОСТ 17475-80
Винт В1М6-6gх 40.66 ГОСТ 17475-80
В узле: 1
21
8.20.004
Клапан
В узле: 1
22
А28.04.10.001
Корпус
В узле: 1
23
8.20.002
Пружина
В узле: 1
24
8.20.005
Шайба опорная
В узле: 1
25
Гайка М6.6Н ГОСТ 5916-70
Гайка М6.6Н ГОСТ 5916-70
В узле: 6
29
85-4608089
Прокладка
В узле: 1
30
85-4608018-01
Стакан
В узле: 1
32
Кольцо 021-025-25-1-4 ГОСТ 9833-73
Кольцо 021-025-25-1-4 ГОСТ 9833-73
В узле: 1
33
Кольцо 130-135-30-1-4 ГОСТ 9833-73
Кольцо 130-135-30-1-4 ГОСТ 9833-73
В узле: 1
35
Болт М8-6gх80.88.35.019 ГОСТ 7796-70
Болт М8-6gх80.88.35.019 ГОСТ 7796-70
В узле: 1
36
Кольцо 027-032-30-2-4 ГОСТ 9833-73
Кольцо 027-032-30-2-4 ГОСТ 9833-73
В узле: 1
Содержащиеся в справочниках-каталогах запасные части и детали не предлагаются к продаже, а носят исключительно информационный характер

Ваша заявка была отправлена. В ближайшее время наши специалисты с Вами свяжутся по указанному Вами телефону.

Представьтесь
Поле обязательно для заполнения
Ваш телефон
Введите правильный номер телефона
E-mail
Введите правильный e-mail
Тема
Тема
применяемость финансирование доставка цена, наличие другое сервис и гарантия
Время для звонка
08:00
08:00 09:00 10:00 11:00 12:00 13:00 14:00 15:00 16:00 17:00 18:00 19:00
19:00
08:00 09:00 10:00 11:00 12:00 13:00 14:00 15:00 16:00 17:00 18:00 19:00

Мы постараемся перезвонить в указанное время

Если вы не хотите ждать, то звоните нашим вежливым консультантам:

8 800 100-2-700
Подтвердите, что вы не робот
Подтвердите, что вы не робот
Спасибо!

Ваше сообщение успешно отправлено!

ЗакрытьПовторить попытку