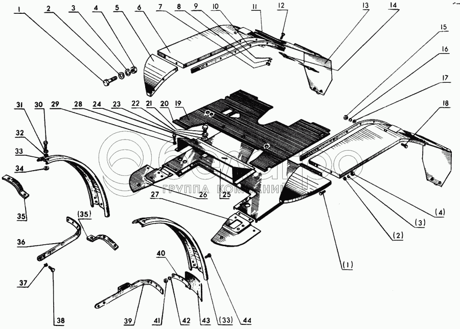
Каталог запасных частей к технике: МТЗ-80. Крылья задние. Крылья передние

zoom-in zoom-out enlarge shrink circle-right circle-left file-text2 info cart arraw right arraw left zoom out zoom in arraw maximize arraw minimize
1
1
2
2
3
3
4
4
5
6
7
8
9
10
13
14
15
16
17
18
19
20
21
22
23
24
25
26
27
28
29
30
31
32
33
33
34
35
35
36
37
38
39
40
41
42
43
44
33
70-8403012
Крыло
В узле: 2
70-8403012 Крыло МТЗ голое, узкое, переднее МК (металл) <10 шт. 2 221.47 р.
70-8403012 Крыло МТЗ голое, узкое, переднее МК (металл), (А) <10 шт. 554.61 р.
14
80-8404031-Б
Пружина
В узле: 2
80-8404031-Б Пружина МТЗ брызговика крыла заднего Под заказ 439.54 р.
35
70-8403013
Кронштейн
В узле: 2
70-8403013 Кронштейн МТЗ оперения Под заказ 614.68 р.
39
50-8403120
Кронштейн
В узле: 1
50-8403120 Кронштейн МТЗ крыла левый Под заказ 2 226.05 р.
36
50-8403016-В
Кронштейн
В узле: 1
50-8403016 В Кронштейн МТЗ крыла правый Под заказ 2 038.79 р.
70-8404070
Крыло левое
В узле: 1
70-8404070 Крыло МТЗ заднее, левое МК (металл) Под заказ 5 094.57 р.
70-8404023-01
Закрылок правый
В узле: 1
70-8404023-01 Закрылок МТЗ правый, задний МК (металл) Под заказ 761.40 р.
70-8404020-А
Крыло левое
В узле: 1
70-8404070-01
Крыло правое
В узле: 1
12
Болт М6-6gх16.88.35.019 ГОСТ 7798-70
Болт М6-6gх16.88.35.019 ГОСТ 7798-70
В узле: 18
17
Шайба 6.01.019 ГОСТ 6958-78
Шайба 6.01.019 ГОСТ 6958-78
В узле: 24
42
Шайба 6Т 65Г 06 ГОСТ 6402-70
Шайба 6Т 65Г 06 ГОСТ 6402-70
В узле: 6
41
Гайка М6-6Н.6.019 ГОСТ 5915-70
Гайка М6-6Н.6.019 ГОСТ 5915-70
В узле: 6
5
70-8404023
Закрылок левый
В узле: 1
6
70-8404020-01
Крыло правое
В узле: 1
7
Гайка М6-6Н.6.019
Гайка М6-6Н.6.019
В узле: 18
8
Шайба 6Т
Шайба 6Т
В узле: 8
10
70-8404027
Уплотнитель
В узле: 2
11
70-8404018
Планка
В узле: 2
13
70-8404049
Шторка
В узле: 2
15
Гайка М6.6Н.6.019 ГОСТ 5915-70
Гайка М6.6Н.6.019 ГОСТ 5915-70
В узле: 24
28
Болт М6-6gх16.88.35.019 ГОСТ 7796-70
Болт М6-6gх16.88.35.019 ГОСТ 7796-70
В узле: 7
19
70-6702074-Б
Коврик пола
В узле: 1
20
70-6702076-Б
Коврик пола
В узле: 1
21
Болт М8-6gх20.88.35.019 ГОСТ 7796-70
Болт М8-6gх20.88.35.019 ГОСТ 7796-70
В узле: 3
22
Шайба 8Т б5Г 06 ГОСТ 6402-70
Шайба 8Т б5Г 06 ГОСТ 6402-70
В узле: 3
23
Гайка М8.6Н.6.019 ГОСТ 5915-70
Гайка М8.6Н.6.019 ГОСТ 5915-70
В узле: 3
24
70-6702260
Короб пола
В узле: 1
25
70-6702140
Панель пола
В узле: 1
26
70-6702065
Накладка пола правая
В узле: 1
27
70-6702075
Накладка пола левая
В узле: 1
29
Шайба 6 65Г 06 ГОСТ 6402-70
Шайба 6 65Г 06 ГОСТ 6402-70
В узле: 3
30
Болт М8-6gх25.88.35.019 ГОСТ 7796-70
Болт М8-6gх25.88.35.019 ГОСТ 7796-70
В узле: 8
31
Шайба 8.01.019 ГОСТ 11371-78
Шайба 8.01.019 ГОСТ 11371-78
В узле: 8
32
Шайба 8Т 65Г 06 ГОСТ 6402-70
Шайба 8Т 65Г 06 ГОСТ 6402-70
В узле: 8
34
50-1301165
Прокладка
В узле: 8
37
Шайба 16Н 65Г 06 ГОСТ 6402-70
Шайба 16Н 65Г 06 ГОСТ 6402-70
В узле: 4
38
Болт М16-6gх32.88.35.019
Болт М16-6gх32.88.35.019
В узле: 4
40
40-8403024
Планка
В узле: 2
43
40-8403025-А
Шторка грязевая
В узле: 2
44
Болт М6-6gх16.88.35.019
Болт М6-6gх16.88.35.019
В узле: 6
Содержащиеся в справочниках-каталогах запасные части и детали не предлагаются к продаже, а носят исключительно информационный характер

Ваша заявка была отправлена. В ближайшее время наши специалисты с Вами свяжутся по указанному Вами телефону.

Представьтесь
Поле обязательно для заполнения
Ваш телефон
Введите правильный номер телефона
E-mail
Введите правильный e-mail
Тема
Тема
применяемость финансирование доставка цена, наличие другое сервис и гарантия
Время для звонка
08:00
08:00 09:00 10:00 11:00 12:00 13:00 14:00 15:00 16:00 17:00 18:00 19:00
19:00
08:00 09:00 10:00 11:00 12:00 13:00 14:00 15:00 16:00 17:00 18:00 19:00

Мы постараемся перезвонить в указанное время

Если вы не хотите ждать, то звоните нашим вежливым консультантам:

8 800 100-2-700
Подтвердите, что вы не робот
Подтвердите, что вы не робот
Спасибо!

Ваше сообщение успешно отправлено!

ЗакрытьПовторить попытку