Каталог запасных частей к технике: МТЗ-80. Передняя ось и рулевые тяги

zoom-in zoom-out enlarge shrink circle-right circle-left file-text2 info cart arraw right arraw left zoom out zoom in arraw maximize arraw minimize
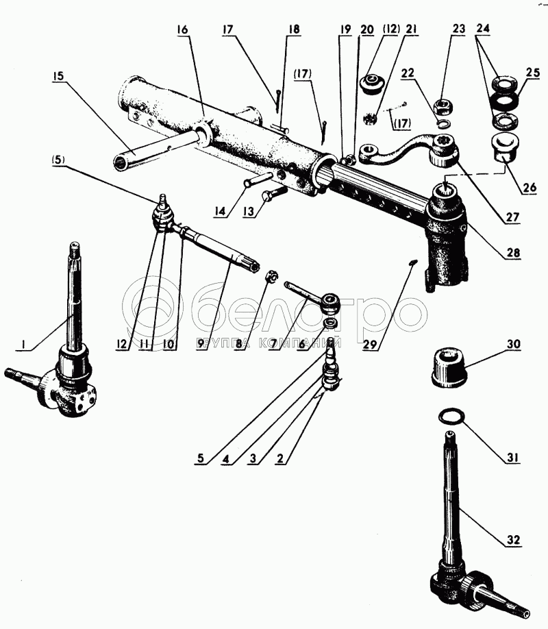
1
2
3
4
5
6
7
8
9
10
11
12
12
13
14
15
16
17
17
17
18
19
20
21
22
23
24
25
26
27
28
29
30
31
32
50-3003010-А4
Тяга в сборе
В узле: 1
50-3003010-А4 Тяга рулевая МТЗ длинная (МТЗ-80) РЗТ Под заказ Нет на складе
50-3003010-А4 Тяга рулевая МТЗ длинная, (А) >10 шт. 974.74 р.
4
А35.32.003
Вкладыш
В узле: 4
А35.32.003 Вкладыш б/отв. нижний (50-3003028) >10 шт. 6.86 р.
6
А35.32.004
Вкладыш
В узле: 4
А35.32.004 Вкладыш с отв. верхний (50-3003029) >10 шт. 6.37 р.
15
50-3000011
Ось качания
В узле: 1
50-3000011 Ось качания МТЗ передней оси РЗТ Под заказ Нет на складе
50-3000011 Ось качания МТЗ передней оси, ВЗТЗЧ Под заказ 1 783.29 р.
50-3000011 Ось качания МТЗ передней оси, (А) >10 шт. 397.68 р.
23
50-3001087
Гайка
В узле: 2
50-3001087 Гайка МТЗ цапфы, (А) >10 шт. 28.44 р.
50-3001087 Гайка МТЗ цапфы, САЗ* >10 шт. 146.64 р.
50-3001087 Гайка МТЗ цапфы, БЗТДиА >10 шт. 423.75 р.
24
80-3001032
Шайба
В узле: 4
80-3001032 Шайба кулака выдвижного МТЗ упорная <10 шт. 39.74 р.
25
80-3001031
Шайба
В узле: 2
80-3001031 Шайба МТЗ кулака оси передней , Беларусь Под заказ 62.20 р.
28
80-3001070
Кулак выдвижной
В узле: 2
80-3001070 Кулак МТЗ выдвижной передней оси, Беларусь Под заказ 10 431.39 р.
80-3000030
Передняя ось в сборе
В узле: 1
80-3000030 Ось передняя МТЗ под ГУР, Беларусь Под заказ 70 391.22 р.
80-3000010
Передняя ось с полурамой
В узле: 1
52-3003010-А
Тяга в сборе (для тракторов МТЗ-82)
В узле: 1
А35.32.010-03
Труба (для тракторов МТЗ-82)
В узле: 2
32
80-3001065
Цапфа поворотная правая
В узле: 1
2
Проволока 2,0х270 ГОСТ 3282-74
Проволока 2,0х270 ГОСТ 3282-74
В узле: 4
3
А35.32.006
Пробка
В узле: 4
5
А35.32.002-А
Палец шаровой
В узле: 4
7
А35.32.001
Корпус шарнира правый
В узле: 2
8
А35.32.012
Контргайка
В узле: 2
9
А35.32.010-07
Труба
В узле: 2
10
А35.32.012-01
Контргайка
В узле: 2
11
А35.32.001-01
Корпус шарнира левый
В узле: 2
12
А35.32.005-Б
Чехол
В узле: ---
13
Болт М8х1,5-6gх100.88.35.019 ГОСТ 7796-7
Болт М8х1,5-6gх100.88.35.019 ГОСТ 7796-70
В узле: 4
14
Ось 6-20h11х120 ГОСТ 9650-71
Ось 6-20h11х120 ГОСТ 9650-71
В узле: 2
16
50-3001010-А
Передняя ось
В узле: 1
17
Шплинт 4х36.016 ГОСТ 397-79
Шплинт 4х36.016 ГОСТ 397-79
В узле: 7
18
Палец 16х80.016 ОСТ 37.001.163-75
Палец 16х80.016 ОСТ 37.001.163-75
В узле: 1
19
Шайба 18ОТ ОСТ 37.001.115-75
Шайба 18ОТ ОСТ 37.001.115-75
В узле: 4
20
Гайка М18х1,5-6Н.019 ГОСТ 45915-70
Гайка М18х1,5-6Н.019 ГОСТ 45915-70
В узле: 4
21
Гайка корончатая М18х1,5-6Н.6.019 ГОСТ 5
Гайка корончатая М18х1,5-6Н.6.019 ГОСТ 5915-73
В узле: 4
22
Шайба 27Л ОСТ 37.001.115-75
Шайба 27Л ОСТ 37.001.115-75
В узле: 2
26
70-3001102-А
Втулка
В узле: 2
27
50-3001040-А
Рычаг поворотный
В узле: 2
29
Масленка 1-3Ц6хр ГОСТ 19853-74
Масленка 1-3Ц6хр ГОСТ 19853-74
В узле: 2
30
70-3001101-А
Втулка
В узле: 2
31
Кольцо 070-80-5-2-2 ГОСТ 18829-73, ГОСТ
Кольцо 070-80-5-2-2 ГОСТ 18829-73, ГОСТ 9833-73
В узле: 2
Содержащиеся в справочниках-каталогах запасные части и детали не предлагаются к продаже, а носят исключительно информационный характер

Ваша заявка была отправлена. В ближайшее время наши специалисты с Вами свяжутся по указанному Вами телефону.

Представьтесь
Поле обязательно для заполнения
Ваш телефон
Введите правильный номер телефона
E-mail
Введите правильный e-mail
Тема
Тема
применяемость финансирование доставка цена, наличие другое сервис и гарантия
Время для звонка
08:00
08:00 09:00 10:00 11:00 12:00 13:00 14:00 15:00 16:00 17:00 18:00 19:00
19:00
08:00 09:00 10:00 11:00 12:00 13:00 14:00 15:00 16:00 17:00 18:00 19:00

Мы постараемся перезвонить в указанное время

Если вы не хотите ждать, то звоните нашим вежливым консультантам:

8 800 100-2-700
Подтвердите, что вы не робот
Подтвердите, что вы не робот
Спасибо!

Ваше сообщение успешно отправлено!

ЗакрытьПовторить попытку