Каталог запасных частей к технике: МТЗ-80. Приводной шкив

zoom-in zoom-out enlarge shrink circle-right circle-left file-text2 info cart arraw right arraw left zoom out zoom in arraw maximize arraw minimize
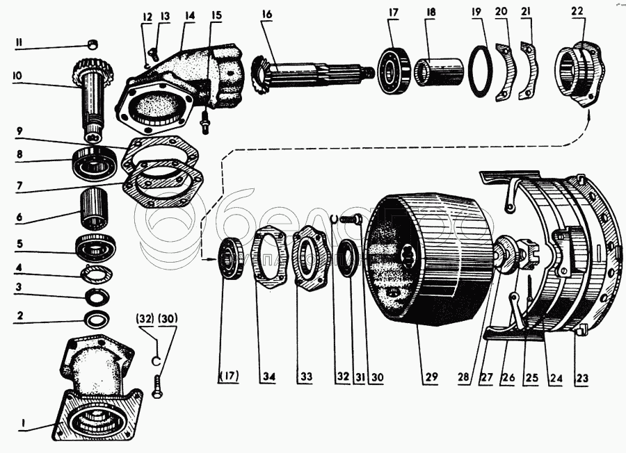
1
2
3
4
5
6
7
8
9
10
11
12
13
14
15
16
17
17
18
19
20
21
22
23
24
25
26
27
28
29
30
30
31
32
32
33
34
27
40-3502084
Шайба
В узле: 1
40-3502084 Шайба МТЗ >10 шт. 146.64 р.
40-4211065
Вал со стаканом, подшипником и втулкой в сборе
В узле: 1
40-4211040
Вал 8 шлиц в сборе
В узле: 1
40-4211050
Рукав 8-шлицевой в сборе
В узле: 1
40-4211035
Корпус в сборе
В узле: 1
40-4211010
Приводной шкив, устанавливаемый на 8-шлицевой хвостовик ВОМ в сборе
В узле: 1
1
40-4211052
Рукав
В узле: 1
2
Манжета 2-50х70-1 ГОСТ 8752-70
Манжета 2-50х70-1 ГОСТ 8752-70
В узле: 1
3
40-4211043
Гайка
В узле: 1
4
36-1701061
Шайба
В узле: 1
5
Подшипник 211А ГОСТ 8338-75
Подшипник 211А ГОСТ 8338-75
В узле: 1
6
40-4211047
Втулка
В узле: 1
7
40-4211079
Прокладка
В узле: 1
8
Подшипник 311 ГОСТ 8338-75
Подшипник 311 ГОСТ 8338-75
В узле: 1
9
40-4211081
Прокладка
В узле: 1
10
40-4211045
Вал с 8-шлицевым гнездом
В узле: 1
11
40-4211082
Заглушка
В узле: 1
12
Пробка КГ 3/8" ГОСТ 12719-67
Пробка КГ 3/8" ГОСТ 12719-67
В узле: 1
13
Пробка КГ 3/4" ГОСТ 12719-67
Пробка КГ 3/4" ГОСТ 12719-67
В узле: 1
14
40-4211037
Корпус
В узле: 1
15
СУ-1/8"-А
Сапун
В узле: 1
16
40-4211071
Вал
В узле: 1
17
Подшипник 408 ГОСТ 8338-75
Подшипник 408 ГОСТ 8338-75
В узле: 2
18
40-4211072
Втулка
В узле: 1
19
36-4211053
Кольцо 120-125-30-1-1 ГОСТ 9833-73
В узле: 1
20
36-4211054-Б
Прокладка (0,5 мм)
В узле: 6
21
36-4211055
Прокладка (0,2 мм)
В узле: 8
22
36-4211048
Стакан
В узле: 1
23
С50-4211093
Крышка (для экспорта)
В узле: 1
24
С50-4211100
Кожух (для экспорта)
В узле: 1
25
Шплинт 4х35-001 ГОСТ 397-66
Шплинт 4х35-001 ГОСТ 397-66
В узле: 1
26
Гайка М20-1,5.6Н.6.019 ГОСТ 5919-73
Гайка М20-1,5.6Н.6.019 ГОСТ 5919-73
В узле: 1
28
40-3502083
Прокладка
В узле: 1
29
40-4211075
Шкив
В узле: 1
30
Болт М12-6gх40.88.35.019 ГОСТ 7796-70
Болт М12-6gх40.88.35.019 ГОСТ 7796-70
В узле: 10
31
Манжета 2-65х90-1 ГОСТ 8752-70
Манжета 2-65х90-1 ГОСТ 8752-70
В узле: 1
32
Шайба 12ОТ 65Г 06 ОСТ 37.001.115-74
Шайба 12ОТ 65Г 06 ОСТ 37.001.115-74
В узле: 10
33
36-4211073
Гнездо
В узле: 1
34
36-4211057
Прокладка
В узле: 1
Содержащиеся в справочниках-каталогах запасные части и детали не предлагаются к продаже, а носят исключительно информационный характер

Ваша заявка была отправлена. В ближайшее время наши специалисты с Вами свяжутся по указанному Вами телефону.

Представьтесь
Поле обязательно для заполнения
Ваш телефон
Введите правильный номер телефона
E-mail
Введите правильный e-mail
Тема
Тема
применяемость финансирование доставка цена, наличие другое сервис и гарантия
Время для звонка
08:00
08:00 09:00 10:00 11:00 12:00 13:00 14:00 15:00 16:00 17:00 18:00 19:00
19:00
08:00 09:00 10:00 11:00 12:00 13:00 14:00 15:00 16:00 17:00 18:00 19:00

Мы постараемся перезвонить в указанное время

Если вы не хотите ждать, то звоните нашим вежливым консультантам:

8 800 100-2-700
Подтвердите, что вы не робот
Подтвердите, что вы не робот
Спасибо!

Ваше сообщение успешно отправлено!

ЗакрытьПовторить попытку