Каталог запасных частей к технике: МТЗ-80. Раздаточная коробка (МТЗ-82Н)

zoom-in zoom-out enlarge shrink circle-right circle-left file-text2 info cart arraw right arraw left zoom out zoom in arraw maximize arraw minimize
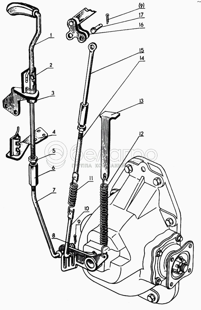
1
2
3
4
5
6
7
8
9
9
10
11
12
13
14
15
16
17
12
50-1605152
Пружина
В узле: 1
50-1605152 Пружина МТЗ, Беларусь Под заказ 145.06 р.
1
82-1802230-Б
Тяга
В узле: 1
2
82-1802150-Б
Кронштейн
В узле: 1
3
82-1802159
Уплотнитель
В узле: 1
4
82-1802195
Кронштейн
В узле: 1
5
Гайка М8-6Н.6.019 ГОСТ 5915-70
Гайка М8-6Н.6.019 ГОСТ 5915-70
В узле: 2
6
Р50-4616033
Муфта
В узле: 2
7
82-1802162-А
Тяга
В узле: 1
8
Шайба 01.019 ГОСТ 11371-78
Шайба 01.019 ГОСТ 11371-78
В узле: 3
9
Шплинт 3,2х18.019 ГОСТ 397-79
Шплинт 3,2х18.019 ГОСТ 397-79
В узле: 3
10
82-1802180
Тяга
В узле: 1
11
82-1802144
Пружина
В узле: 1
13
82-1802106
Петля
В узле: 1
14
82-1802141
Стержень
В узле: 1
15
82-1802165
Тяга
В узле: 1
16
70-3507120-01
Рычаг
В узле: 1
17
Палец 12х32.019 ОСТ 37.001.163-75
Палец 12х32.019 ОСТ 37.001.163-75
В узле: 1
Содержащиеся в справочниках-каталогах запасные части и детали не предлагаются к продаже, а носят исключительно информационный характер

Ваша заявка была отправлена. В ближайшее время наши специалисты с Вами свяжутся по указанному Вами телефону.

Представьтесь
Поле обязательно для заполнения
Ваш телефон
Введите правильный номер телефона
E-mail
Введите правильный e-mail
Тема
Тема
применяемость финансирование доставка цена, наличие другое сервис и гарантия
Время для звонка
08:00
08:00 09:00 10:00 11:00 12:00 13:00 14:00 15:00 16:00 17:00 18:00 19:00
19:00
08:00 09:00 10:00 11:00 12:00 13:00 14:00 15:00 16:00 17:00 18:00 19:00

Мы постараемся перезвонить в указанное время

Если вы не хотите ждать, то звоните нашим вежливым консультантам:

8 800 100-2-700
Подтвердите, что вы не робот
Подтвердите, что вы не робот
Спасибо!

Ваше сообщение успешно отправлено!

ЗакрытьПовторить попытку