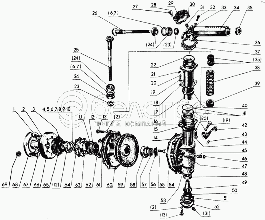
Каталог запасных частей к технике: МТЗ-80. Редуктор конечной передачи

zoom-in zoom-out enlarge shrink circle-right circle-left file-text2 info cart arraw right arraw left zoom out zoom in arraw maximize arraw minimize
1
2
2
2
3
4
5
6
6
6
7
7
7
8
9
10
11
12
12
13
13
14
15
16
17
18
19
19
19
20
20
21
22
23
23
24
24
24
25
26
27
28
29
30
31
31
32
33
34
34
35
35
36
37
38
39
40
41
42
43
44
45
46
47
48
49
50
51
52
53
54
55
56
57
58
59
60
61
62
63
64
65
66
66
67
67
68
68
69
25
52-2308063
Вал
В узле: 2
52-2308063 Вал МТЗ вертикальный (короткий) переднего ведущего моста РЗТ Под заказ 3 667.59 р.
52-2308063 Вал МТЗ вертикальный (короткий) переднего ведущего моста Под заказ 5 031.16 р.
52-2308063 Вал МТЗ вертикальный (короткий) переднего ведущего моста SPILE >10 шт. 1 000 р.
26
52-2308065
Полуось
В узле: 2
52-2308065 Полуось МТЗ (длинная) переднего ведущего моста РЗТ Под заказ 3 667.59 р.
52-2308065 Полуось МТЗ (длинная) переднего ведущего моста Под заказ 5 200.10 р.
52-2308065 Полуось МТЗ (длинная) переднего ведущего моста SPILE >10 шт. 1 000 р.
67
40-3103016
Болт
В узле: 16
40-3103016 Болт переднего колеса (МТЗ-ЮМЗ) (А) >10 шт. 46.12 р.
40-3103016 Болт переднего колеса МТЗ, ЮМЗ Под заказ 132.50 р.
38
50-3001022-А1
Пружина
В узле: 2
50-3001022-А1 Пружина МТЗ ПВМ, (А) >10 шт. 301.28 р.
69
40-3103017
Гайка
В узле: 10
40-3103017 Гайка переднего колеса МТЗ, ЮМЗ Под заказ Нет на складе
40-3103017 Гайка переднего колеса МТЗ, ЮМЗ, (А) >10 шт. 11.47 р.
51
52-2308024
Прокладка
В узле: 2
52-2308024 Прокладка МТЗ паронит, Беларусь >10 шт. 8.54 р.
14
52-2308084-А1
Гильза
В узле: 2
52-2308084-А1 Гильза МТЗ редуктора конечной передачи переднего ведущего моста Под заказ 4 456.67 р.
52-2308084-А1 Гильза МТЗ редуктора конечной передачи переднего ведущего моста, (А) >10 шт. 1 099.90 р.
23
52-2308097
Гайка
В узле: 4
52-2308097 Гайка МТЗ полуоси редуктора конечной передачи, САЗ* >10 шт. 354.58 р.
52-2308097 Гайка МТЗ полуоси редуктора конечной передачи, (А) Под заказ 27.74 р.
37
52-2308039
Прокладка регулировочная В = 0,2 мм
В узле: 8
52-2308039 Прокладка МТЗ регулировочная (0,2мм), (А) <10 шт. 19.68 р.
52-2308039 Прокладка МТЗ регулировочная (0,2мм) >10 шт. 68.34 р.
36
52-2308038
Прокладка регулировочная В = 0,5 мм
В узле: 12
52-2308038 Прокладка МТЗ регулировочная (0,5мм), (А) Под заказ 19.68 р.
52-2308038 Прокладка МТЗ регулировочная (0,5мм) >10 шт. 137.36 р.
18
52-2308096
Прокладка
В узле: 2
52-2308096 Прокладка МТЗ паронит, Беларусь >10 шт. 12.04 р.
41
52-2308091-А
Кольцо
В узле: 4
52-2308091-А Кольцо МТЗ гильзы шкворня, (У) Под заказ 32.65 р.
52-2308091-А Кольцо МТЗ гильзы шкворня Под заказ 42.10 р.
52-2308091-А Кольцо МТЗ гильзы шкворня, Беларусь Под заказ 60.72 р.
52-2308091-А Кольцо МТЗ гильзы шкворня, (А) Под заказ 11.04 р.
45
52-2308099
Штифт
В узле: 2
52-2308099 Штифт МТЗ редуктора конечной передачи моста переднего >10 шт. 94.03 р.
43
52-2308094
Штифт
В узле: 4
52-2308094 Штифт МТЗ Под заказ 61.06 р.
49
52-2308061
Шестерня
В узле: 2
52-2308061 Шестерня МТЗ редуктора конечной передачи ведущая z=12 Под заказ 1 919.85 р.
52-2308061 Шестерня МТЗ редуктора конечной передачи ведущая z=12, (А) Под заказ 555.56 р.
68
72-2308017
Фланец
В узле: 2
72-2308017 Фланец МТЗ редуктора конечной передачи моста переднего,5 шпилек, (А) >10 шт. 2 447.80 р.
72-2308017 Фланец МТЗ редуктора конечной передачи моста переднего,5 шпилек* Под заказ 9 357.13 р.
56
72-2308013
Пластина
В узле: 2
72-2308013 Пластина стопорная МТЗ Под заказ 16.48 р.
57
72-2308031
Шайба
В узле: 2
72-2308031 Шайба МТЗ редуктора конечной передачи моста переднего <10 шт. 194.04 р.
15
52-2308101
Корпус
В узле: 2
52-2308101 Корпус МТЗ Под заказ 1 896.33 р.
52-2308101 Корпус МТЗ, (А) <10 шт. 430.75 р.
21
72-2308011
Винт
В узле: 4
72-2308011 Винт МТЗ Под заказ 252.41 р.
9
72-2308121-05
Кольцо регулировочное В = 6,55 (к-во дет. - по потребности)
В узле: ---
72-2308121-05 Кольцо МТЗ регулировочное (6,65мм) <10 шт. 206.47 р.
16
72-2308044
Кольцо
В узле: 2
72-2308044 Шайба МТЗ гильзы шкворня, Беларусь Под заказ 25.68 р.
72-2308070
Фланец с болтом в сборе
В узле: 2
72-2308070 Фланец МТЗ с 5 болтами, (А) >10 шт. 2 710.84 р.
72-2308070 Фланец МТЗ с 5 болтами Под заказ 10 346.64 р.
4
72-2308121
Кольцо регулировочное В = 5,8 (подбираются при регулировке подшипников)
В узле: 2
72-2308121 Кольцо МТЗ регулировочное (5,8мм) Под заказ 206.47 р.
55
72-2308018
Болт
В узле: 4
72-2308018 Болт МТЗ фланца редуктора ПВМ Под заказ 520.68 р.
59
72-2308062
Шестерня
В узле: 2
72-2308062 Шестерня МТЗ ведомая z=58 Под заказ 9 010.72 р.
72-2308062 Шестерня МТЗ ведомая z=58, (А) Под заказ 3 526.75 р.
52-2308135-01
Полуось с подшипниками в сборе
В узле: 2
52-2308135-01 Вал МТЗ <10 шт. 9 618.22 р.
54
52-2308034
Прокладка
В узле: 2
52-2308034 Прокладка МТЗ паронит , Беларусь Под заказ 54.28 р.
32
72-2308046
Винт
В узле: 2
72-2308046 Винт МТЗ редуктора передачи конечной моста переднего ведущего <10 шт. 125.03 р.
68
82-2308017
Фланец
В узле: 2
82-2308017 Фланец МТЗ на 8 шпилек, без болтов, (А) Под заказ 2 240.90 р.
82-2308017 Фланец МТЗ на 8 шпилек, без болтов, Беларусь Под заказ 7 120.49 р.
82-2308017 Фланец МТЗ на 8 шпилек, без болтов* Под заказ 7 125.85 р.
34
52-2308025
Корпус
В узле: 2
52-2308025 Корпус МТЗ выдвижной Под заказ 9 504.19 р.
52-2308025 Корпус МТЗ выдвижной, (А) Под заказ 5 292.88 р.
52-2308135
Вал с подшипниками в сборе
В узле: 2
52-2308135 Вал МТЗ <10 шт. 9 586.86 р.
8
72-2308121-04
Кольцо регулировочное В = 6,40 (к-во дет. - по потребности)
В узле: ---
72-2308121-04 Кольцо МТЗ регулировочное (6,4мм) <10 шт. 206.47 р.
29
52-2308030-А
Крышка
В узле: 2
52-2308030-А Крышка МТЗ редуктора конечной передачи переднего моста <10 шт. 570.91 р.
52
52-2308035
Крышка
В узле: 2
52-2308035 Крышка МТЗ Под заказ 466.65 р.
10
72-2308121-06
Кольцо регулировочное В = 6,70 (к-во дет. - по потребности)
В узле: ---
72-2308121-06 Кольцо МТЗ регулировочное (6,7мм) Под заказ 206.47 р.
52-2308100
Верхняя коническая пара в сборе
В узле: 2
52-2308100 Пара МТЗ верхняя Под заказ 42 400.60 р.
72-2308005
Редуктор левый в сборе
В узле: 1
72-2308005 Редуктор МТЗ переднего моста конечной передачи левый (ГУР) (5 шпилек), РБ Под заказ 83 150.42 р.
72-2308005 Редуктор МТЗ переднего моста конечной передачи левый (ГУР) (5 шпилек) Под заказ 105 103.71 р.
72-2308010
Редуктор правый в сборе
В узле: 1
72-2308010 Редуктор МТЗ переднего моста конечной передачи правый (ГУР) (5 шпилек) Под заказ 105 518.03 р.
52-2308060
Шестерня 52-2308061в сборе с подшипниками
В узле: 2
52-2308060 Шестерня Под заказ 5 001.11 р.
52-2308100-03
Верхняя коническая пара
В узле: 2
72-2308050
Шестерня 72-2308062 в сборе
В узле: 2
72-2308050-01
Шестерня
В узле: 2
72-2308020
Стакан в сборе
В узле: 2
52-2308075
Рычаг левый
В узле: 1
72-2308010-04
Редуктор правый
В узле: 1
72-2308005-04
Редуктор левый
В узле: 1
Гайка М10.6Н.06.019 ГОСТ 5915-70
Гайка М10.6Н.06.019 ГОСТ 5915-70
В узле: 2
12-12-306
Кольцо
В узле: 4
52-2308015-А1
Корпус левый
В узле: 1
52-2308115-А1
Корпус редуктора левый в сборе
В узле: 1
52-2308110-А1
Корпус редуктора правый в сборе
В узле: 1
72-2308090
Корпус сальника с манжетой в сборе
В узле: 2
52-2308130
Опора в сборе
В узле: 4
1
Болт М10-6gх45.88.35.019 ГОСТ 7795-70
Болт М10-6gх45.88.35.019 ГОСТ 7795-70
В узле: 12
2
Шайба 10ОТ 65Г 06 ГОСТ 6402-70
Шайба 10ОТ 65Г 06 ГОСТ 6402-70
В узле: 40
3
72-2308066
Корпус сальника
В узле: 2
5
72-2308121-01
Кольцо регулировочное В = 5,95 (подбираются при регулировке подшипников)
В узле: 2
6
72-2308121-02
Кольцо регулировочное В = 6,10 (подбираются при регулировке подшипников)
В узле: 2
7
72-2308121-03
Кольцо регулировочное В = 6,25 (к-во дет. - по потребности)
В узле: ---
11
Кольцо 120-125-30-2-4 ГОСТ 9833-73
Кольцо 120-125-30-2-4 ГОСТ 9833-73
В узле: 2
12
Подшипник 7212А ТУ 37.006. 162-89
Подшипник 7212А ТУ 37.006. 162-89
В узле: 4
13
Болт М10-6gх25.88.35.019 ГОСТ 7795-70
Болт М10-6gх25.88.35.019 ГОСТ 7795-70
В узле: 28
17
52-2308040
Труба шкворня
В узле: 2
19
Болт М12-6gх35.88.35.019
Болт М12-6gх35.88.35.019
В узле: 4
19
Болт М12-6gх35.88.35.019 ГОСТ 7796-70
Болт М12-6gх35.88.35.019 ГОСТ 7796-70
В узле: 10
20
Шайба 12ОТ 65Г 06 ГОСТ 6402-70
Шайба 12ОТ 65Г 06 ГОСТ 6402-70
В узле: 18
22
Кольцо 095-100-30-1-4 ГОСТ 9833-73
Кольцо 095-100-30-1-4 ГОСТ 9833-73
В узле: 2
24
Подшипник 7507. ТУ 37.006.162-89
Подшипник 7507. ТУ 37.006.162-89
В узле: 8
27
Болт М8-6gх14.88.35.019 ГОСТ 7798-70
Болт М8-6gх14.88.35.019 ГОСТ 7798-70
В узле: 12
28
Шайба 8Т 65Г ГОСТ 6402-70
Шайба 8Т 65Г ГОСТ 6402-70
В узле: 12
30
52-2308028-А
Прокладка
В узле: 4
31
Пробка КГ-3/8" ОСТ 23.1.117-83
Пробка КГ-3/8" ОСТ 23.1.117-83
В узле: 4
33
52-2308077
Прокладка
В узле: 2
34
52-2308025-01
Корпус
В узле: 2
35
Манжета 2.2-30х52-1 ГОСТ 8752-79
Манжета 2.2-30х52-1 ГОСТ 8752-79
В узле: 6
39
Подшипник 8208 ГОСТ 7872-89
Подшипник 8208 ГОСТ 7872-89
В узле: 2
40
72-2308012
Уплотнение
В узле: 2
42
52-2308074
Рычаг правый
В узле: 1
44
Болт М12-6gх40.88.35.019 ГОСТ 7796-70
Болт М12-6gх40.88.35.019 ГОСТ 7796-70
В узле: 8
46
Кольцо 011-014-19-2-4 ГОСТ 9833-73
Кольцо 011-014-19-2-4 ГОСТ 9833-73
В узле: 2
47
Пробка КГ-3/4" ОСТ 23.1.117-83
Пробка КГ-3/4" ОСТ 23.1.117-83
В узле: 2
48
Подшипник 208 ГОСТ 8338-75
Подшипник 208 ГОСТ 8338-75
В узле: 2
50
Подшипник 209К5 ГОСТ 8338-75
Подшипник 209К5 ГОСТ 8338-75
В узле: 2
53
52-2308014-А1
Корпус правый
В узле: 1
58
Подшипник 2310КМ ГОСТ 8328-75
Подшипник 2310КМ ГОСТ 8328-75
В узле: 2
60
72-2308016
Крышка
В узле: 2
61
72-2308022
Прокладка регулировочная В = 0,8
В узле: 12
62
72-2308021
Прокладка регулировочная В = 0,2
В узле: 12
63
72-2308036
Стакан
В узле: 2
64
72-2308023
Прокладка
В узле: 2
65
Манжета 2.2-75х100-1 ГОСТ 8752-79
Манжета 2.2-75х100-1 ГОСТ 8752-79
В узле: 2
66
72-2308029
Грязевик
В узле: 2
66
82-2308029
Грязевик
В узле: 2
Содержащиеся в справочниках-каталогах запасные части и детали не предлагаются к продаже, а носят исключительно информационный характер

Ваша заявка была отправлена. В ближайшее время наши специалисты с Вами свяжутся по указанному Вами телефону.

Представьтесь
Поле обязательно для заполнения
Ваш телефон
Введите правильный номер телефона
E-mail
Введите правильный e-mail
Тема
Тема
применяемость финансирование доставка цена, наличие другое сервис и гарантия
Время для звонка
08:00
08:00 09:00 10:00 11:00 12:00 13:00 14:00 15:00 16:00 17:00 18:00 19:00
19:00
08:00 09:00 10:00 11:00 12:00 13:00 14:00 15:00 16:00 17:00 18:00 19:00

Мы постараемся перезвонить в указанное время

Если вы не хотите ждать, то звоните нашим вежливым консультантам:

8 800 100-2-700
Подтвердите, что вы не робот
Подтвердите, что вы не робот
Спасибо!

Ваше сообщение успешно отправлено!

ЗакрытьПовторить попытку