Каталог запасных частей к технике: МТЗ-80. Регулятор

zoom-in zoom-out enlarge shrink circle-right circle-left file-text2 info cart arraw right arraw left zoom out zoom in arraw maximize arraw minimize
1
1
2
3
3
4
5
6
7
7
8
9
10
11
12
13
13
14
15
16
17
18
18
19
20
21
22
22
23
24
24
25
26
27
28
29
30
31
32
33
34
35
36
37
38
39
40
41
42
43
44
45
46
47
48
49
50
51
52
53
27
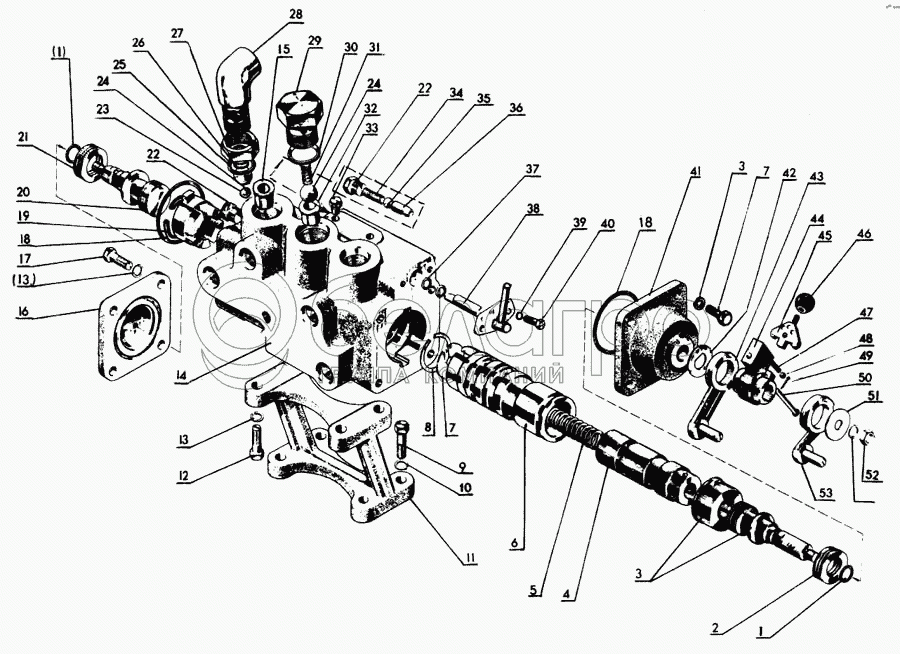
40-3405062
Гайка
В узле: 2
40-3405062 Гайка МТЗ, САЗ >10 шт. 65.90 р.
Р50-4614020-Б
Регулятор
В узле: 1
1
011-015-25-1-4
Кольцо
В узле: 2
2
Подшипник 8103 ГОСТ 7872-89
Подшипник 8103 ГОСТ 7872-89
В узле: 2
3
Р50-4614040-Б
Винт золотника
В узле: 1
4
Р50-4614013-Б3
Золотник
В узле: 1
5
Р50-4614014
Пружина
В узле: 1
6
Р60-4614012-Б
Гильза
В узле: 1
7
Р50-4614017
Шайба
В узле: 1
8
Кольцо Б36 ГОСТ 13943-68
Кольцо Б36 ГОСТ 13943-68
В узле: 1
9
Болт М12-6gх30.88.35.019 ГОСТ 7796-70
Болт М12-6gх30.88.35.019 ГОСТ 7796-70
В узле: 4
10
Шайба 12 65Г 06 ОСТ 37.001.115-74
Шайба 12 65Г 06 ОСТ 37.001.115-74
В узле: 1
11
70-4614032-А
Кронштейн
В узле: 1
12
Болт М10-6gх25.88.35.019 ГОСТ 7796-70
Болт М10-6gх25.88.35.019 ГОСТ 7796-70
В узле: 4
13
Шайба 10 65Г 06 ОСТ 37.001.115-74
Шайба 10 65Г 06 ОСТ 37.001.115-74
В узле: 14
14
Р50-4614011-Б
Корпус
В узле: 1
15
Р50-4614021-Б
Седло
В узле: 1
16
Р50-4614015-А
Крышка
В узле: 1
17
Болт М10-6gх20.88.35.019 ГОСТ 7796-70
Болт М10-6gх20.88.35.019 ГОСТ 7796-70
В узле: 8
18
054-060-36-0-4
Кольцо
В узле: 2
19
Р50-4614061
Кольцо 1Б38 ГОСТ 13941-68
В узле: 1
20
Р50-4614030-Б
Винт гильзы
В узле: 1
21
Р50-4614074
Втулка
В узле: 1
22
Пробка КГ-1/4" ОСТ 23.1.117-83
Пробка КГ-1/4" ОСТ 23.1.117-83
В узле: 2
23
Шарик Б 10-60 ГОСТ 3722-81
Шарик Б 10-60 ГОСТ 3722-81
В узле: 1
24
Шарик Б 14.288-60 ГОСТ 3722-81
Шарик Б 14.288-60 ГОСТ 3722-81
В узле: 2
25
018-022-25-2-3
Кольцо
В узле: 2
26
Р50-4614059
Пружина
В узле: 1
28
Р50-4614029-А
Штуцер
В узле: 2
29
Р50-4614019-Б
Корпус клапана
В узле: 1
30
022-027-30-2-3
Кольцо
В узле: 1
31
А61-072
Пружина
В узле: 1
32
Р50-4614018
Седло
В узле: 1
33
Пробка КГ-1/8" ОСТ 23.1.117-83
Пробка КГ-1/8" ОСТ 23.1.117-83
В узле: 4
34
12-52-78
Пружина
В узле: 1
35
Шарик Б 7,938-100 ГОСТ 3722-81
Шарик Б 7,938-100 ГОСТ 3722-81
В узле: 1
36
Р50-4614042
Седло
В узле: 1
37
011-016-30-1-4
Кольцо
В узле: 2
38
Р50-4614120
Кран
В узле: 1
39
Шайба 8Т 65Г 06 ГОСТ 6402-70
Шайба 8Т 65Г 06 ГОСТ 6402-70
В узле: 2
40
Болт М8-6gх14.88.35.019 ГОСТ 7796-70
Болт М8-6gх14.88.35.019 ГОСТ 7796-70
В узле: 2
41
Р50-4614016
Крышка
В узле: 1
42
Р50-4614052
Шайба
В узле: 1
43
Р50-4614080-А
Рычаг
В узле: 1
44
Р50-4614048-Б1
Муфта
В узле: 1
45
Р50-4614049-Б
Фиксатор
В узле: 1
46
Р50-4614054
Ручка
В узле: 1
47
Р50-4614072
Пружина
В узле: 1
48
Шарик Б5, 556-60 ГОСТ 3722-81
Шарик Б5, 556-60 ГОСТ 3722-81
В узле: 2
49
Шплинт 2х12-001 ГОСТ 397-79
Шплинт 2х12-001 ГОСТ 397-79
В узле: 1
50
Р50-4614051
Ось
В узле: 1
51
Р50-4614053
Шайба
В узле: 1
52
Гайка М10.6Н.5.016 ГОСТ 5915-70
Гайка М10.6Н.5.016 ГОСТ 5915-70
В узле: 1
53
Р50-4614090
Рычаг
В узле: 1
Содержащиеся в справочниках-каталогах запасные части и детали не предлагаются к продаже, а носят исключительно информационный характер

Ваша заявка была отправлена. В ближайшее время наши специалисты с Вами свяжутся по указанному Вами телефону.

Представьтесь
Поле обязательно для заполнения
Ваш телефон
Введите правильный номер телефона
E-mail
Введите правильный e-mail
Тема
Тема
применяемость финансирование доставка цена, наличие другое сервис и гарантия
Время для звонка
08:00
08:00 09:00 10:00 11:00 12:00 13:00 14:00 15:00 16:00 17:00 18:00 19:00
19:00
08:00 09:00 10:00 11:00 12:00 13:00 14:00 15:00 16:00 17:00 18:00 19:00

Мы постараемся перезвонить в указанное время

Если вы не хотите ждать, то звоните нашим вежливым консультантам:

8 800 100-2-700
Подтвердите, что вы не робот
Подтвердите, что вы не робот
Спасибо!

Ваше сообщение успешно отправлено!

ЗакрытьПовторить попытку