Каталог запасных частей к технике: МТЗ-80. Стартер 24.3708

zoom-in zoom-out enlarge shrink circle-right circle-left file-text2 info cart arraw right arraw left zoom out zoom in arraw maximize arraw minimize
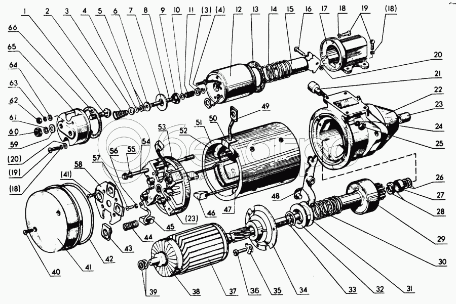
1
2
3
3
4
4
5
6
7
8
9
10
11
12
13
14
15
16
17
18
18
18
19
19
20
20
21
22
23
23
24
25
26
27
28
29
30
31
32
33
34
35
36
37
38
39
40
41
41
42
43
44
45
46
47
48
49
50
51
52
53
54
55
56
57
58
59
60
61
62
63
64
65
66
29
24.3708600
Привод
В узле: 1
24.3708600 Привод стартера МТЗ, ЮМЗ, Д-240 12В (6 шлицев), (А) >10 шт. 372.70 р.
СТ212-3708800
Реле стартера
В узле: 1
24.3708180
Вывод в сборе
В узле: 1
24.3708000
Стартер
В узле: 1
1
СТ212-3708892
Болт контактный
В узле: 2
2
СТ222-3708867
Пружина
В узле: 1
3
СТ222-3708869
Шайба специальная
В узле: 2
4
СТ222-3708868
Скоба
В узле: 2
5
Н0-3002
Шайба (к-во деталей от 1 до 4)
В узле: 4
6
ВК14-3708067
Шайба изоляционная
В узле: 1
7
СТ212.3708771
Диск контактный
В узле: 1
8
СТ222-3708861
Плунжер
В узле: 1
9
ВК14-3708066
Втулка
В узле: 1
10
ХЗ-19-40Д
Шайба
В узле: 1
11
РС14-3708007
Пружина
В узле: 1
12
СТ212-3708830
Ярмо
В узле: 1
13
СТ212А-3708048
Прокладка
В узле: 1
14
СТ212-3708804
Пружина
В узле: 1
15
СТ212-3708810
Якорь
В узле: 1
16
СТ212-3708813
Штифт
В узле: 1
17
СТ212А-3708061
Фланец
В узле: 1
35
Х-1482
Шайба
В узле: 3
19
МХ-0840
Винт
В узле: 9
20
МХ-0276
Шайба
В узле: 3
21
СТ212А-3708014
Ось рычага
В узле: 1
22
СТ212А-3708400
Крышка
В узле: 1
23
ФР7.684.362
Вкладыш
В узле: 2
24
Х-4069
Шайба
В узле: 1
25
8Х-1537М
Гайка
В узле: 1
26
СТ212-3708011
Шайба
В узле: 2
27
СТ212А-3708006
Обойма
В узле: 1
28
СТ212А-3708004
Полукольцо упорное
В узле: 1
30
СТ212-3708615-В
Пружина
В узле: 1
31
СТ212-3708606-А
Втулка отводки (задняя)
В узле: 1
32
СТ212-3708605
Втулка отводки (передняя)
В узле: 1
33
СТ212А-3708604
Кольцо
В узле: 1
34
СТ212-3708050
Подшипник
В узле: 1
36
24.3708052
Болт специальный
В узле: 3
37
24.3708200
Якорь
В узле: 1
38
24.3708220
Коллектор
В узле: 1
39
Н0-1001
Шайба
В узле: 2
40
8Х-1580
Винт
В узле: 4
41
24-3708071-А
Кожух
В узле: 1
42
СТ222-3708042
Кольцо уплотнительное
В узле: 1
43
24.3708002
Изолятор пружины
В узле: 4
44
24.3708001
Пружина
В узле: 4
45
ИЛЕА6582.31.136
Щетка неизолированная
В узле: 2
46
24.3708025
Щетка изолированная
В узле: 2
47
24.3708115
Катушки
В узле: 1
48
СТ212А-3708020
Рычаг отводки
В узле: 1
49
24.3708181
Наконечник
В узле: 1
50
24.3708182
Втулка изоляционная
В узле: 1
51
24.3708100
Корпус
В узле: 1
52
24.3708135
Катушки
В узле: 1
53
24.3708300-А
Крышка
В узле: 1
54
СТ50-3708080-А-11
Болт стяжной
В узле: 2
55
МХ-0246
Шайба
В узле: 2
56
М11-41081
Шайба
В узле: 2
57
Х-4237
Винт
В узле: 2
58
24.3708003-А
Траверса
В узле: 1
59
МХ-0113
Шайба
В узле: 2
60
Н0-3202
Гайка
В узле: 4
61
МХ-0142
Шайба
В узле: 4
62
М11-90118-01
Гайка
В узле: 2
63
Х-4001
Шайба
В узле: 2
64
Х-4034
Шайба
В узле: 2
65
СТ212-3708891
Крышка
В узле: 1
66
СТ212-3708809
Прокладка
В узле: 1
Содержащиеся в справочниках-каталогах запасные части и детали не предлагаются к продаже, а носят исключительно информационный характер

Ваша заявка была отправлена. В ближайшее время наши специалисты с Вами свяжутся по указанному Вами телефону.

Представьтесь
Поле обязательно для заполнения
Ваш телефон
Введите правильный номер телефона
E-mail
Введите правильный e-mail
Тема
Тема
применяемость финансирование доставка цена, наличие другое сервис и гарантия
Время для звонка
08:00
08:00 09:00 10:00 11:00 12:00 13:00 14:00 15:00 16:00 17:00 18:00 19:00
19:00
08:00 09:00 10:00 11:00 12:00 13:00 14:00 15:00 16:00 17:00 18:00 19:00

Мы постараемся перезвонить в указанное время

Если вы не хотите ждать, то звоните нашим вежливым консультантам:

8 800 100-2-700
Подтвердите, что вы не робот
Подтвердите, что вы не робот
Спасибо!

Ваше сообщение успешно отправлено!

ЗакрытьПовторить попытку