Каталог запасных частей к технике: МТЗ-80. Тормозной кран

zoom-in zoom-out enlarge shrink circle-right circle-left file-text2 info cart arraw right arraw left zoom out zoom in arraw maximize arraw minimize
1
1
2
3
4
5
6
7
7
8
8
8
9
9
10
10
11
12
13
14
15
16
16
17
17
18
19
20
21
22
23
24
25
26
27
28
29
30
31
32
33
34
35
36
37
38
39
40
41
35
70-3514108-Б1
Кронштейн
В узле: 1
70-3514108-Б1 Кронштейн МТЗ крана тормозного <10 шт. 620.42 р.
А29.61.750
Диафрагма с шайбами, кольцом и седлом в сборе
В узле: 1
А29.61.450
Диафрагма в сборе
В узле: 1
А29.61.000-В
Кран тормозной в сборе
В узле: 1
1
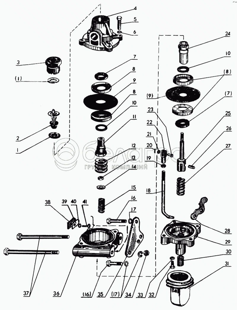
127-3514237-А
Прокладка (для регулировки допускается изменение количества деталей)
В узле: 5
2
130-3514210-А2
Клапан
В узле: 1
3
А29.61.004
Пробка
В узле: 1
4
А29.61.005
Крышка
В узле: 1
5
Болт М8-6gх25.58.016 ГОСТ 7796-70
Болт М8-6gх25.58.016 ГОСТ 7796-70
В узле: 8
6
Шайба 8 65Г 016 ГОСТ 6402-70
Шайба 8 65Г 016 ГОСТ 6402-70
В узле: 8
7
А29.61.459
Шайба
В узле: 2
8
А29.61.501
Шайба
В узле: 2
9
А29.61.551
Диафрагма
В узле: 4
10
130-3514239
Кольцо
В узле: 3
11
А29.61.552
Седло
В узле: 1
12
А29.61.009
Пружина
В узле: 1
13
Гайка М6-6Н.06.016 ГОСТ 5916-70
Гайка М6-6Н.06.016 ГОСТ 5916-70
В узле: 1
14
А29.61.455
Шайба
В узле: 1
15
А29.61.454
Пружина
В узле: 1
16
Болт М10-6gх40.88.35.019 ГОСТ 7795-70
Болт М10-6gх40.88.35.019 ГОСТ 7795-70
В узле: 2
17
Шайба 10 ОТ ОСТ 37.001.115-75
Шайба 10 ОТ ОСТ 37.001.115-75
В узле: 4
18
70-3514121
Тяга
В узле: 1
19
Гайка М12х1,25-6Н.6.019 ГОСТ 5916-70
Гайка М12х1,25-6Н.6.019 ГОСТ 5916-70
В узле: 1
20
Шплинт 3,2х18.016 ГОСТ 397-79
Шплинт 3,2х18.016 ГОСТ 397-79
В узле: 1
21
Шайба 12 01 019 ГОСТ 11371-78
Шайба 12 01 019 ГОСТ 11371-78
В узле: 1
22
70-3514022
Вилка
В узле: 1
23
Палец 12х ОСТ 37.001.163-75
Палец 12х ОСТ 37.001.163-75
В узле: 1
24
А29.61.451
Шток
В узле: 1
25
А29.61.452
Тяга
В узле: 1
26
А29.61.012
Палец
В узле: 1
27
А29.61.023
Пружина
В узле: 1
28
А29.61
Рычаг
В узле: 1
29
А29.61.016
Корпус
В узле: 1
30
А29.61.018
Пробка
В узле: 1
31
А29.61.013
Чехол
В узле: 1
32
А29.61.010
Болт
В узле: 2
33
Гайка М8-6Н.019 ГОСТ 7795-70
Гайка М8-6Н.019 ГОСТ 7795-70
В узле: 2
34
Гайка М10-6Н.019 ГОСТ 7795-70
Гайка М10-6Н.019 ГОСТ 7795-70
В узле: 2
36
А29.61.001
Вставка
В узле: 1
37
Болт М10-6gх105.58.35.019 ГОСТ 7795-70
Болт М10-6gх105.58.35.019 ГОСТ 7795-70
В узле: 2
38
А29.61.002
Клапан
В узле: 1
39
А29.61.003
Прижим
В узле: 1
40
Шайба 5ОТ ОСТ 37.001.115-74
Шайба 5ОТ ОСТ 37.001.115-74
В узле: 1
41
Винт М5
Винт М5
В узле: 1
Содержащиеся в справочниках-каталогах запасные части и детали не предлагаются к продаже, а носят исключительно информационный характер

Ваша заявка была отправлена. В ближайшее время наши специалисты с Вами свяжутся по указанному Вами телефону.

Представьтесь
Поле обязательно для заполнения
Ваш телефон
Введите правильный номер телефона
E-mail
Введите правильный e-mail
Тема
Тема
применяемость финансирование доставка цена, наличие другое сервис и гарантия
Время для звонка
08:00
08:00 09:00 10:00 11:00 12:00 13:00 14:00 15:00 16:00 17:00 18:00 19:00
19:00
08:00 09:00 10:00 11:00 12:00 13:00 14:00 15:00 16:00 17:00 18:00 19:00

Мы постараемся перезвонить в указанное время

Если вы не хотите ждать, то звоните нашим вежливым консультантам:

8 800 100-2-700
Подтвердите, что вы не робот
Подтвердите, что вы не робот
Спасибо!

Ваше сообщение успешно отправлено!

ЗакрытьПовторить попытку