Каталог запасных частей к технике: МТЗ-80. Цилиндр Ц75

zoom-in zoom-out enlarge shrink circle-right circle-left file-text2 info cart arraw right arraw left zoom out zoom in arraw maximize arraw minimize
1
2
2
3
4
5
6
6
7
8
8
8
9
9
10
11
12
13
14
15
16
17
18
19
20
21
22
23
24
25
26
27
28
29
29
30
30
31
32
33
34
35
36
37
28
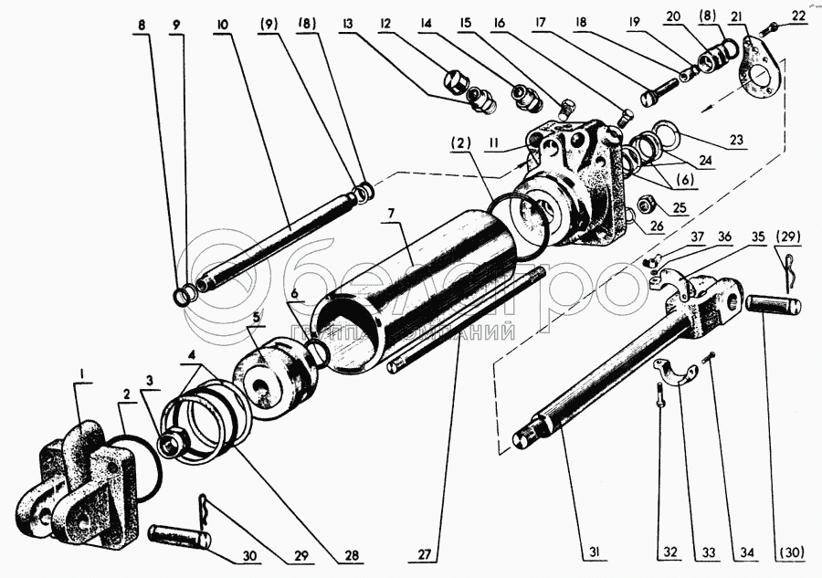
Ц75-1111043
Кольцо
В узле: 2
Ц75-1111043 Кольцо (66.0-5.0) >10 шт. 1.51 р.
Ц75-1111001-А
Цилиндр Ц75х 200-2 (поставляется по заказу потребителей)
В узле: 2
1
Ц75-1111020-Г
Крышка задняя
В узле: 2
2
Ц75-1111045
Кольцо
В узле: 4
3
Ц90-1212007-А
Гайка
В узле: 2
4
Ц75-1111042
Прокладка
В узле: 4
5
Ц75-1111023-А
Поршень
В узле: 2
6
Ц90-1212044-А
Кольцо
В узле: 6
7
Ц75-1111022
Корпус
В узле: 2
8
Ц90-1212046
Кольцо
В узле: 6
9
Ц90-1212027
Шайба
В узле: 4
10
Ц90-1212026-А
Маслопровод
В узле: 2
11
Ц75-1111021-Б
Крышка передняя
В узле: 2
12
50-4607124
Колпак
В узле: 4
13
Н.036.60.020
Замедлительный клапан
В узле: 2
14
Н.036.05.002
Штуцер
В узле: 2
15
Ц90-1212057
Заглушка 1/2"
В узле: 4
16
Ц90-1212056
Заглушка 1/4"
В узле: 4
17
Ц90-1212004-А
Клапан с уплотнением
В узле: 2
18
Ц90-1212034
Втулка
В узле: 2
19
Ц90-1212047
Кольцо
В узле: 2
20
Ц90-1212033-А
Корпус клапана
В узле: 2
21
Ц90-1212035-А
Крышка чистиков
В узле: 2
22
Болт М6-6gх14.56.019 ГОСТ 7798-70
Болт М6-6gх14.56.019 ГОСТ 7798-70
В узле: 8
23
Ц90-1212036
Чистик
В узле: 32
24
Ц90-1212048
Прокладка
В узле: 4
25
Гайка М12.6Н.6.019 ГОСТ 15521-70
Гайка М12.6Н.6.019 ГОСТ 15521-70
В узле: 8
26
Шайба 12Т 65Г 06 ГОСТ 6402-70
Шайба 12Т 65Г 06 ГОСТ 6402-70
В узле: 8
27
Ц90-1212041-А
Шпилька
В узле: 8
29
15.62059
Шплинт
В узле: 8
30
Ц90-1212037-В
Палец
В узле: 4
31
Ц90-1212002-А
Шток
В узле: 2
32
Болт М6-6gх35 56.019 ГОСТ 7798-70
Болт М6-6gх35 56.019 ГОСТ 7798-70
В узле: 2
33
Ц90-1212029-А
Полукольцо нижнее
В узле: 2
34
Ц90-1212030
Палец упора
В узле: 2
35
Ц90-1212028-А
Упор
В узле: 2
36
Шайба 6Т 65Г 06 ГОСТ 6402-70
Шайба 6Т 65Г 06 ГОСТ 6402-70
В узле: 2
37
Гайка М6.6Н.019 ГОСТ 3032-76
Гайка М6.6Н.019 ГОСТ 3032-76
В узле: 2
Содержащиеся в справочниках-каталогах запасные части и детали не предлагаются к продаже, а носят исключительно информационный характер

Ваша заявка была отправлена. В ближайшее время наши специалисты с Вами свяжутся по указанному Вами телефону.

Представьтесь
Поле обязательно для заполнения
Ваш телефон
Введите правильный номер телефона
E-mail
Введите правильный e-mail
Тема
Тема
применяемость финансирование доставка цена, наличие другое сервис и гарантия
Время для звонка
08:00
08:00 09:00 10:00 11:00 12:00 13:00 14:00 15:00 16:00 17:00 18:00 19:00
19:00
08:00 09:00 10:00 11:00 12:00 13:00 14:00 15:00 16:00 17:00 18:00 19:00

Мы постараемся перезвонить в указанное время

Если вы не хотите ждать, то звоните нашим вежливым консультантам:

8 800 100-2-700
Подтвердите, что вы не робот
Подтвердите, что вы не робот
Спасибо!

Ваше сообщение успешно отправлено!

ЗакрытьПовторить попытку