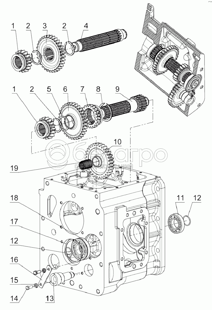
Каталог запасных частей к технике: МТЗ-80.1. Вал I передачи и заднего хода
1
1
2
2
2
3
4
5
6
7
8
9
10
11
12
12
13
14
15
16
17
17
18
19
|
1
50-1701212-А
Шестерня I передачи и заднего хода
В узле: 1
|
|||||||||||||||||||||||||||||||||||||||||||||||||||||||||||||||||||||||||||||||||||||||
| 50-1701212-А Шестерня МТЗ КПП, 1-й передачи и заднего хода, z=17, МЗШ |
|
>10 шт. | 1 593.25 р. | ||||||||||||||||||||||||||||||||||||||||||||||||||||||||||||||||||||||||||||||||||||
| 50-1701212-А Шестерня МТЗ КПП, 1-й передачи и заднего хода, z=17, (А) |
|
Под заказ | 509.83 р. | ||||||||||||||||||||||||||||||||||||||||||||||||||||||||||||||||||||||||||||||||||||
|
10
70-1701082
Шестерня заднего хода промежуточная
В узле: 1
|
|||||||||||||||||||||||||||||||||||||||||||||||||||||||||||||||||||||||||||||||||||||||
| 70-1701082 Шестерня МТЗ КПП, промежуточная заднего хода, z= 31, МЗШ |
|
>10 шт. | 2 567.51 р. | ||||||||||||||||||||||||||||||||||||||||||||||||||||||||||||||||||||||||||||||||||||
| 70-1701082 Шестерня МТЗ КПП, промежуточная заднего хода, z= 31, (А) |
|
Под заказ | 659.75 р. | ||||||||||||||||||||||||||||||||||||||||||||||||||||||||||||||||||||||||||||||||||||
|
7
70-1701072
Шестерня включения ходоуменьшителя I
В узле: 1
|
|||||||||||||||||||||||||||||||||||||||||||||||||||||||||||||||||||||||||||||||||||||||
| 70-1701072 Шестерня МТЗ включения ходоуменьшител,я z=20, МЗШ |
|
Под заказ | 1 869.14 р. | ||||||||||||||||||||||||||||||||||||||||||||||||||||||||||||||||||||||||||||||||||||
| 70-1701072 Шестерня МТЗ включения ходоуменьшител,я z=20, (А) |
|
>10 шт. | 652.70 р. | ||||||||||||||||||||||||||||||||||||||||||||||||||||||||||||||||||||||||||||||||||||
|
3
Ф50-1701224
Шестерня
В узле: 1
|
|||||||||||||||||||||||||||||||||||||||||||||||||||||||||||||||||||||||||||||||||||||||
| Ф50-1701224 Шестерня МТЗ z=32, МЗШ |
|
>10 шт. | 2 191.85 р. | ||||||||||||||||||||||||||||||||||||||||||||||||||||||||||||||||||||||||||||||||||||
|
9
70-1701382
Вал I передачи и з.х.
В узле: 1
|
|||||||||||||||||||||||||||||||||||||||||||||||||||||||||||||||||||||||||||||||||||||||
| 70-1701382 Вал МТЗ Вал 1-й передачи и заднего хода |
|
Под заказ | 4 236.76 р. | ||||||||||||||||||||||||||||||||||||||||||||||||||||||||||||||||||||||||||||||||||||
| 70-1701382 Вал МТЗ Вал 1-й передачи и заднего хода, (А) |
|
<10 шт. | 1 300.24 р. | ||||||||||||||||||||||||||||||||||||||||||||||||||||||||||||||||||||||||||||||||||||
|
5
70-1701226
Шайба
В узле: 1
|
|||||||||||||||||||||||||||||||||||||||||||||||||||||||||||||||||||||||||||||||||||||||
| 70-1701226 Шайба МТЗ |
|
<10 шт. | 105.64 р. | ||||||||||||||||||||||||||||||||||||||||||||||||||||||||||||||||||||||||||||||||||||
|
4
50-1701382-А
Вал 1-ой передачи и 3.х.
В узле: 1
|
|||||||||||||||||||||||||||||||||||||||||||||||||||||||||||||||||||||||||||||||||||||||
| 50-1701382-А Вал МТЗ 1-й передачи и заднего хода |
|
Под заказ | 3 351.17 р. | ||||||||||||||||||||||||||||||||||||||||||||||||||||||||||||||||||||||||||||||||||||
|
13
50-1701434-А
Ось
В узле: 1
|
|||||||||||||||||||||||||||||||||||||||||||||||||||||||||||||||||||||||||||||||||||||||
| 50-1701434-А Ось МТЗ шестерни КПП, (А) |
|
Под заказ | 387.35 р. | ||||||||||||||||||||||||||||||||||||||||||||||||||||||||||||||||||||||||||||||||||||
| 50-1701434-А Ось МТЗ, Беларусь |
|
Под заказ | 1 104.33 р. | ||||||||||||||||||||||||||||||||||||||||||||||||||||||||||||||||||||||||||||||||||||
|
16
50-1702082-А
Планка
В узле: 1
|
|||||||||||||||||||||||||||||||||||||||||||||||||||||||||||||||||||||||||||||||||||||||
| 50-1702082-А Планка МТЗ |
|
Под заказ | 145.95 р. | ||||||||||||||||||||||||||||||||||||||||||||||||||||||||||||||||||||||||||||||||||||
Содержащиеся в справочниках-каталогах запасные части и детали не предлагаются к продаже, а носят исключительно информационный характер