Каталог запасных частей к технике: МТЗ-80 (2002). 1111 Насос топливный 4УТНИ

zoom-in zoom-out enlarge shrink circle-right circle-left file-text2 info cart arraw right arraw left zoom out zoom in arraw maximize arraw minimize
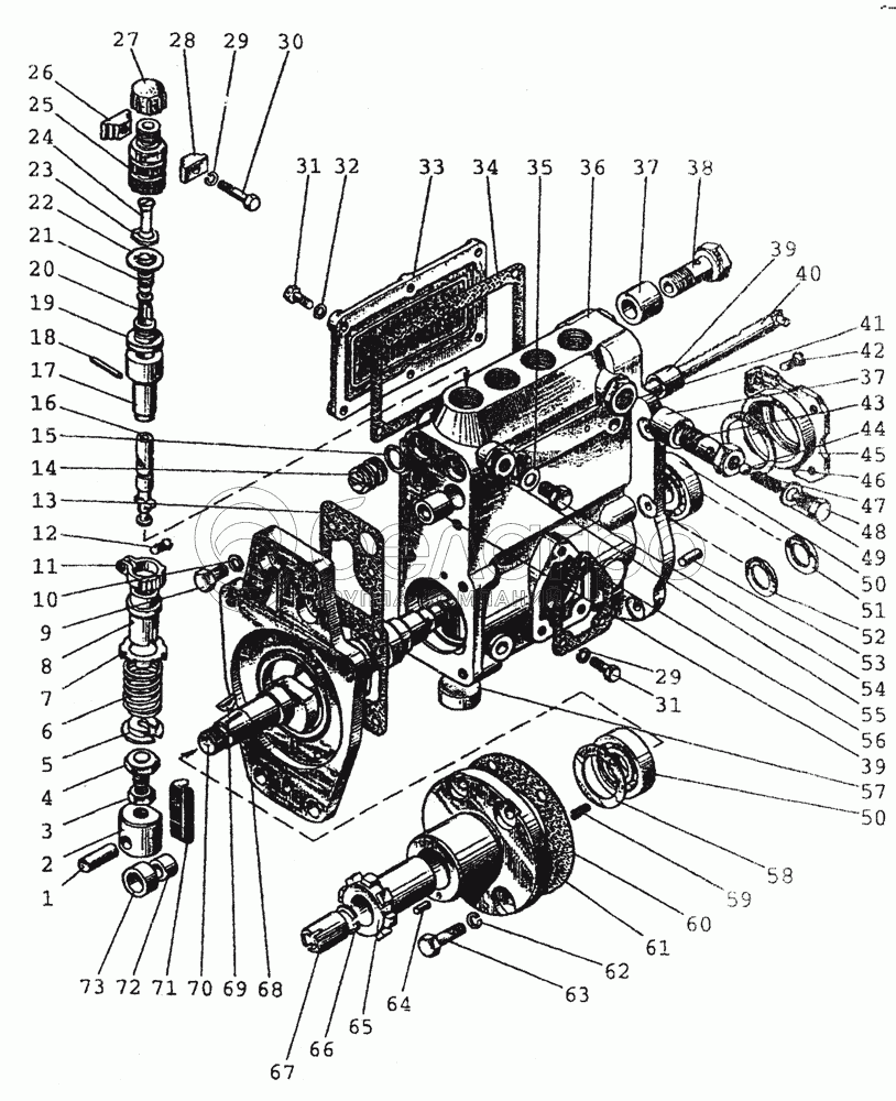
1
2
3
4
5
6
7
8
9
10
11
12
13
14
15
16
17
18
19
20
21
22
23
24
25
26
27
28
29
29
30
31
31
32
33
34
35
36
37
37
38
39
39
40
41
42
43
44
45
46
47
48
49
50
50
51
52
53
54
55
56
57
58
59
60
61
62
63
64
65
66
67
68
69
70
71
72
73
4УТНИ-1111220
Клапан
В узле: 1
4УТНИ-1111220 Клапан МТЗ, ЗИЛ нагнетательный в сборе (клапанная пара), РФ <10 шт. 565.03 р.
25
4УТНИ-1111485
Штуцер
В узле: 4
4УТНИ-1111485 Штуцер нажимной ЗИЛ, РФ <10 шт. 682.36 р.
4УТНИ-1111010
Насос топливный
В узле: 1
4УТНИ-111105-20
Насос топливный с регулятором 4УТНМ-1110010-40, УТН-3-1106010-А4
В узле: 1
16-С13-1Б
Клапан перепускной в сборе
В узле: 1
4УТНМ-1111160-10
Фланец с заглушкой в сборе
В узле: 1
4УТНМ-1111410-01
Плунжерная пара в сборе
В узле: 1
4УТНМ-1111090-01
Толкатель в сборе
В узле: 1
1
4УТНМ-1111266
Ось
В узле: 4
2
4УТНМ-1111262-01
Корпус толкателя
В узле: 4
3
УТН-5-1111267
Контргайка
В узле: 4
4
4УТНМ-1111265
Болт
В узле: 4
5
4УТНМ-1111472
Тарелка
В узле: 4
6
УТН-5-1111138
Пружина
В узле: 4
7
УТН-5-111147-А
Тарелка
В узле: 4
8
УТН-5-1111431-01
Втулка
В узле: 4
63
ГОСТ7796-70
Болт М8-6gх20.88.35.019
В узле: 4
10
УТН-5-1110242-В
Шайба
В узле: 2
11
4УТНМ-1111432-01
Венец
В узле: 4
12
УТН-5-1111433-А
Винт
В узле: 4
13
4УТНМ-1111483-01
Прокладка
В узле: 1
14
УТН-5-1111023-А
Пробка
В узле: 4
15
УТН-5-1111519
Кольцо
В узле: 4
16
4УТНМ-1111422
Плунжер
В узле: 4
17
4УТНМ-1111425-01
Втулка
В узле: 4
18
УТН-3-1111489
Штифт
В узле: 4
19
4УТНИ-1111226
Седло
В узле: 4
20
4УТНИ-1111224
Клапан
В узле: 4
21
4УТНИ-1111225
Пружина
В узле: 4
22
16-212-В1
Прокладка
В узле: 4
23
4УТНИ-1111487-01
Прокладка
В узле: 8
24
4УТНИ-1111486
Вытеснитель
В узле: 4
26
УТН-3-1111478-А2
Зажим
В узле: 2
27
119-73-В
Колпачок (деталь технологическая)
В узле: 4
28
УТН-3-1111477-А2
Зажим
В узле: 2
66
ОСТ37.001.115-75
Шайба 8Т
В узле: 1
30
ГОСТ7798-70
Болт M6-6gx16.88.35.019
В узле: 2
32
УТН-3-1111488-01
Шайба
В узле: 6
33
УТН-5-1111475-А6
Крышка
В узле: 1
34
УТН-5-1111476-А5
Прокладка
В узле: 1
35
ОНМ-086-1
Прокладка
В узле: 1
36
4УТНМ-1111025-30
Корпус насоса
В узле: 1
37
119-85-1
Втулка (деталь технологическая)
В узле: 2
38
А12.01.013-02
Болт
В узле: 1
39
4УТНМ-1111029
Втулка
В узле: 2
40
4УТНМ-1111350
Рейка
В узле: 1
41
УТН-3-1111028-Г
Футорка
В узле: 2
42
ГОСТ17473-80
Винт ВМ6-6gх12.58.019
В узле: 4
43
16-216-1
Корпус
В узле: 1
44
16-262
Шарик
В узле: 1
45
УТН-5-1111451-И
Стакан
В узле: 1
46
4УТНМ-1111213
Прокладка регулировочная
В узле: ---
47
16-057
Пружина
В узле: 1
48
16-218
Пробка
В узле: 1
49
16-219
Прокладка
В узле: 1
50
7204К1
Подшипник
В узле: 2
51
УТН-5-1111153
Шайба
В узле: 1
52
УТН-5-1111154
Шайба
В узле: 1
53
Д40-1110026
Штифт
В узле: 1
54
ОНМ-019-2
Болт
В узле: 1
55
УТН-3-1111022-Б
Футорка
В узле: 1
56
16-148-Б
Прокладка
В узле: 1
57
УТН-3-1111026-А2
Пробка
В узле: 4
58
4УТНМ-1111244
Пластина опорная
В узле: 2
59
4УТНМ-1111243-10
Пружина
В узле: 6
60
4УТНМ-1111493-01
Прокладка
В узле: 1
61
4УТНМ-1111162-10
Фланец
В узле: 1
64
УТН-5-1111163
Заглушка
В узле: 1
65
4УТНМ-1111165
Втулка
В узле: 1
67
4УТНМ-1111144
Гайка
В узле: 1
68
4УТНМ-1111082-11
Плита
В узле: 1
69
УТН-5-1111155
Шпонка
В узле: 1
70
4УТНИ-1111152
Вал кулачковый
В узле: 1
71
4УТНМ-1111426
Фиксатор
В узле: 2
72
УТН-5-1111264
Втулка
В узле: 4
73
УТН-5-1111263
Ролик
В узле: 4
Содержащиеся в справочниках-каталогах запасные части и детали не предлагаются к продаже, а носят исключительно информационный характер

Ваша заявка была отправлена. В ближайшее время наши специалисты с Вами свяжутся по указанному Вами телефону.

Представьтесь
Поле обязательно для заполнения
Ваш телефон
Введите правильный номер телефона
E-mail
Введите правильный e-mail
Тема
Тема
применяемость финансирование доставка цена, наличие другое сервис и гарантия
Время для звонка
08:00
08:00 09:00 10:00 11:00 12:00 13:00 14:00 15:00 16:00 17:00 18:00 19:00
19:00
08:00 09:00 10:00 11:00 12:00 13:00 14:00 15:00 16:00 17:00 18:00 19:00

Мы постараемся перезвонить в указанное время

Если вы не хотите ждать, то звоните нашим вежливым консультантам:

8 800 100-2-700
Подтвердите, что вы не робот
Подтвердите, что вы не робот
Спасибо!

Ваше сообщение успешно отправлено!

ЗакрытьПовторить попытку