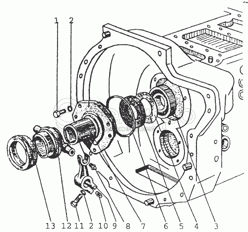
Каталог запасных частей к технике: МТЗ-80 (2002). 1601 Корпус сцепления (отводка)

zoom-in zoom-out enlarge shrink circle-right circle-left file-text2 info cart arraw right arraw left zoom out zoom in arraw maximize arraw minimize
1
2
2
3
4
5
6
7
8
9
10
11
12
13
9
50-1601203
Вилка
В узле: 2
50-1601203 Вилка МТЗ отводки, САЗ* Под заказ 413.86 р.
50-1601203 Вилка МТЗ отводки, (А) <10 шт. 76.92 р.
10
50-1601218
Шпонка
В узле: 2
50-1601218 Шпонка МТЗ (шайба), БЗТДиА <10 шт. 225.86 р.
7
50-1601172-А
Кронштейн отводки
В узле: 1
50-1601172-А Кронштейн МТЗ отводки <10 шт. 1 957.87 р.
50-1601172-А Кронштейн МТЗ отводки, (А) Под заказ 524.87 р.
4
50-1601319
Шайба маслоотражательная
В узле: 1
50-1601319 Шайба МТЗ корпуса сцепления Под заказ 94.39 р.
11
ГОСТ7796-70
Болт М8-6gх20.88.35.019
В узле: 2
2
OCT37.001.115-75
Шайба 6Т
В узле: 5
3
ГОСТ7242-81
Подшипник 60210АУШ1
В узле: 1
5
240-1002055
Манжета 2.1-50х70-4
В узле: 1
6
ГОСТ9833-73
Кольцо 010-015-30-2-3
В узле: 1
8
ГОСТ19853-74
Масленка 1.1 Ц6хр
В узле: 1
12
50-1601185-А
Отводка
В узле: 1
13
Подшипник отводки 986714 КС17
Подшипник отводки 986714 КС17
В узле: 1
Содержащиеся в справочниках-каталогах запасные части и детали не предлагаются к продаже, а носят исключительно информационный характер

Ваша заявка была отправлена. В ближайшее время наши специалисты с Вами свяжутся по указанному Вами телефону.

Представьтесь
Поле обязательно для заполнения
Ваш телефон
Введите правильный номер телефона
E-mail
Введите правильный e-mail
Тема
Тема
применяемость финансирование доставка цена, наличие другое сервис и гарантия
Время для звонка
08:00
08:00 09:00 10:00 11:00 12:00 13:00 14:00 15:00 16:00 17:00 18:00 19:00
19:00
08:00 09:00 10:00 11:00 12:00 13:00 14:00 15:00 16:00 17:00 18:00 19:00

Мы постараемся перезвонить в указанное время

Если вы не хотите ждать, то звоните нашим вежливым консультантам:

8 800 100-2-700
Подтвердите, что вы не робот
Подтвердите, что вы не робот
Спасибо!

Ваше сообщение успешно отправлено!

ЗакрытьПовторить попытку