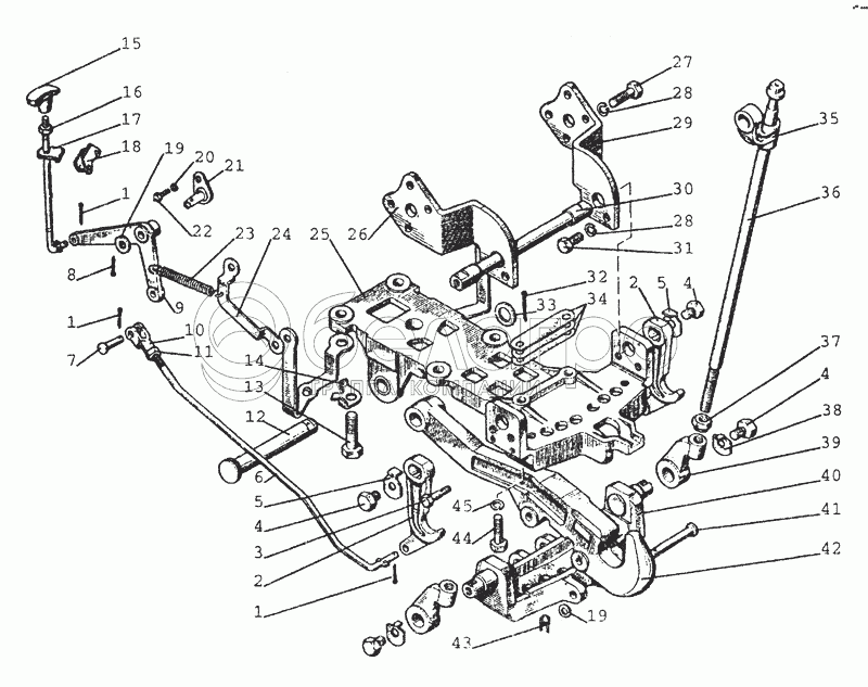
Каталог запасных частей к технике: МТЗ-80 (2002). 2707 Устройство прицепное. Вариант крюк
1
1
1
2
2
3
4
4
4
5
5
6
7
8
9
10
11
12
13
14
15
16
17
18
19
19
20
21
22
23
24
25
26
27
28
28
29
30
31
32
33
34
35
36
37
38
39
40
41
42
43
44
45
|
13
40-3104021
Болт
В узле: 4
|
|||||||||||||||||||||||||||||||||||||||||||||||||||||||||||||||||||||||||||||||||||||||
| 40-3104021 Болт колеса заднего МТЗ, ЮМЗ, (А) |
|
>10 шт. | 66.97 р. | ||||||||||||||||||||||||||||||||||||||||||||||||||||||||||||||||||||||||||||||||||||
| 40-3104021 Болт колеса заднего МТЗ, ЮМЗ |
|
Под заказ | Нет на складе | ||||||||||||||||||||||||||||||||||||||||||||||||||||||||||||||||||||||||||||||||||||
|
23
50-1605152
Пружина
В узле: 1
|
|||||||||||||||||||||||||||||||||||||||||||||||||||||||||||||||||||||||||||||||||||||||
| 50-1605152 Пружина МТЗ, Беларусь |
|
Под заказ | 145.06 р. | ||||||||||||||||||||||||||||||||||||||||||||||||||||||||||||||||||||||||||||||||||||
|
37
40-3405062
Гайка
В узле: 2
|
|||||||||||||||||||||||||||||||||||||||||||||||||||||||||||||||||||||||||||||||||||||||
| 40-3405062 Гайка МТЗ, САЗ |
|
>10 шт. | 65.73 р. | ||||||||||||||||||||||||||||||||||||||||||||||||||||||||||||||||||||||||||||||||||||
|
43
А61.05.004
Кольцо
В узле: 1
|
|||||||||||||||||||||||||||||||||||||||||||||||||||||||||||||||||||||||||||||||||||||||
| А61.05.004 Кольцо МТЗ оборудования навесного и прицепного |
|
Под заказ | 23.40 р. | ||||||||||||||||||||||||||||||||||||||||||||||||||||||||||||||||||||||||||||||||||||
|
12
80-4619019
Палец
В узле: 1
|
|||||||||||||||||||||||||||||||||||||||||||||||||||||||||||||||||||||||||||||||||||||||
| 80-4619019 Палец МТЗ крепления гидроцилиндра Ц-100, нижний |
|
<10 шт. | 626.78 р. | ||||||||||||||||||||||||||||||||||||||||||||||||||||||||||||||||||||||||||||||||||||
|
10
50-3502203
Вилка
В узле: 1
|
|||||||||||||||||||||||||||||||||||||||||||||||||||||||||||||||||||||||||||||||||||||||
| 50-3502203 Вилка соединительная МТЗ |
|
Под заказ | 291.90 р. | ||||||||||||||||||||||||||||||||||||||||||||||||||||||||||||||||||||||||||||||||||||
|
4
80-2707137
Болт
В узле: 4
|
|||||||||||||||||||||||||||||||||||||||||||||||||||||||||||||||||||||||||||||||||||||||
| 80-2707137 Болт МТЗ устройства прицепного |
|
>10 шт. | 364.44 р. | ||||||||||||||||||||||||||||||||||||||||||||||||||||||||||||||||||||||||||||||||||||
|
35
70-2807051
Серьга
В узле: 2
|
|||||||||||||||||||||||||||||||||||||||||||||||||||||||||||||||||||||||||||||||||||||||
| 70-2807051 серьга |
|
>10 шт. | 846.08 р. | ||||||||||||||||||||||||||||||||||||||||||||||||||||||||||||||||||||||||||||||||||||
|
15
50-1310136-А
Рукоятка
В узле: 1
|
|||||||||||||||||||||||||||||||||||||||||||||||||||||||||||||||||||||||||||||||||||||||
| 50-1310136-А Рукоятка МТЗ включения/выключения дифференциала, Беларусь |
|
Под заказ | 42.11 р. | ||||||||||||||||||||||||||||||||||||||||||||||||||||||||||||||||||||||||||||||||||||
|
9
70-2807079
Рычаг
В узле: 1
|
|||||||||||||||||||||||||||||||||||||||||||||||||||||||||||||||||||||||||||||||||||||||
| 70-2807079 Рычаг МТЗ |
|
<10 шт. | Нет на складе | ||||||||||||||||||||||||||||||||||||||||||||||||||||||||||||||||||||||||||||||||||||
|
14
70-2807044
Шайба
В узле: 4
|
|||||||||||||||||||||||||||||||||||||||||||||||||||||||||||||||||||||||||||||||||||||||
| 70-2807044 Шайба МТЗ |
|
<10 шт. | 54.28 р. | ||||||||||||||||||||||||||||||||||||||||||||||||||||||||||||||||||||||||||||||||||||
|
39
70-2807053-Б
Гайка тяги
В узле: 2
|
|||||||||||||||||||||||||||||||||||||||||||||||||||||||||||||||||||||||||||||||||||||||
| 70-2807053-Б Гайка МТЗ, ВЗТЗЧ |
|
<10 шт. | 553.21 р. | ||||||||||||||||||||||||||||||||||||||||||||||||||||||||||||||||||||||||||||||||||||
|
36
70-2807052-Б
Винт тяги
В узле: 2
|
|||||||||||||||||||||||||||||||||||||||||||||||||||||||||||||||||||||||||||||||||||||||
| 70-2807052-Б винт |
|
<10 шт. | 1 301.65 р. | ||||||||||||||||||||||||||||||||||||||||||||||||||||||||||||||||||||||||||||||||||||
|
21
70-1602120-Б
Фланец оси
В узле: 1
|
|||||||||||||||||||||||||||||||||||||||||||||||||||||||||||||||||||||||||||||||||||||||
| 70-1602120-Б Фланец МТЗ оси выключения сцепления |
|
Под заказ | 479.46 р. | ||||||||||||||||||||||||||||||||||||||||||||||||||||||||||||||||||||||||||||||||||||
|
2
80-2807077
Захват
В узле: 2
|
|||||||||||||||||||||||||||||||||||||||||||||||||||||||||||||||||||||||||||||||||||||||
| 80-2807077 Захват МТЗ, ВЗТЗЧ |
|
<10 шт. | 872.10 р. | ||||||||||||||||||||||||||||||||||||||||||||||||||||||||||||||||||||||||||||||||||||
|
38
80-2707138
Шайба
В узле: 2
|
|||||||||||||||||||||||||||||||||||||||||||||||||||||||||||||||||||||||||||||||||||||||
| 80-2707138 Шайба МТЗ прицепного устройства |
|
<10 шт. | 25.68 р. | ||||||||||||||||||||||||||||||||||||||||||||||||||||||||||||||||||||||||||||||||||||
|
26
80-2707116
Боковина
В узле: 1
|
|||||||||||||||||||||||||||||||||||||||||||||||||||||||||||||||||||||||||||||||||||||||
| 80-2707116 Боковина МТЗ устройства прицепного, ВЗТЗЧ |
|
<10 шт. | 2 668.40 р. | ||||||||||||||||||||||||||||||||||||||||||||||||||||||||||||||||||||||||||||||||||||
|
29
80-2707116-01
Боковина
В узле: 1
|
|||||||||||||||||||||||||||||||||||||||||||||||||||||||||||||||||||||||||||||||||||||||
| 80-2707116-01 Боковина МТЗ устройства прицепного, ВЗТЗЧ |
|
<10 шт. | 2 668.40 р. | ||||||||||||||||||||||||||||||||||||||||||||||||||||||||||||||||||||||||||||||||||||
|
34
70-2807039
Пластина 1,0 мм
В узле: 2
|
|||||||||||||||||||||||||||||||||||||||||||||||||||||||||||||||||||||||||||||||||||||||
| 70-2807039 Пластина МТЗ регулировочная 1,0 мм |
|
Под заказ | 73.16 р. | ||||||||||||||||||||||||||||||||||||||||||||||||||||||||||||||||||||||||||||||||||||
|
70-2807039-02
Пластина 0,2 мм
В узле: 2
|
|||||||||||||||||||||||||||||||||||||||||||||||||||||||||||||||||||||||||||||||||||||||
| 70-2807039-02 Пластина МТЗ регулировочная 0,2 мм |
|
Под заказ | 70.76 р. | ||||||||||||||||||||||||||||||||||||||||||||||||||||||||||||||||||||||||||||||||||||
|
44
80-2807026-01
Болт
В узле: 2
|
|||||||||||||||||||||||||||||||||||||||||||||||||||||||||||||||||||||||||||||||||||||||
| 80-2807026-01 болт |
|
Под заказ | 376.88 р. | ||||||||||||||||||||||||||||||||||||||||||||||||||||||||||||||||||||||||||||||||||||
Содержащиеся в справочниках-каталогах запасные части и детали не предлагаются к продаже, а носят исключительно информационный характер