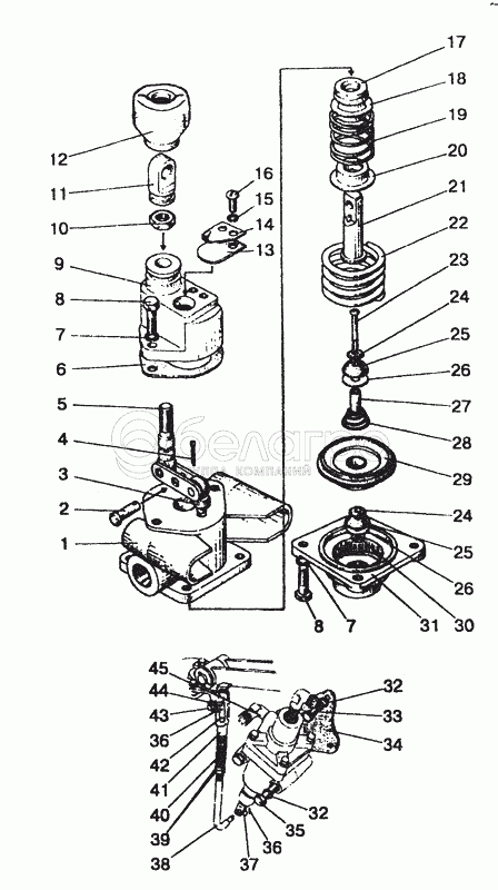
Каталог запасных частей к технике: МТЗ-80 (2002). 3514 Кран тормозной

zoom-in zoom-out enlarge shrink circle-right circle-left file-text2 info cart arraw right arraw left zoom out zoom in arraw maximize arraw minimize
1
2
3
4
5
6
7
7
8
8
9
10
11
12
13
14
15
16
17
18
19
20
21
22
23
24
24
25
25
26
26
27
28
29
30
31
32
32
33
34
35
36
36
37
38
39
40
41
42
43
44
45
80-3514010
Кран тормозной
В узле: 1
80-3514010 Кран тормозной МТЗ (А29.61.000) (А) >10 шт. 2 007.40 р.
80-3514010 Кран тормозной МТЗ (А29.61.000) (ТАИМ) Под заказ 4 259.35 р.
45
70-3506033
Угольник
В узле: 2
70-3506033 Угольник МТЗ аппаратуры тормозной Под заказ 352.42 р.
80-3514130
Тяга
В узле: 1
80-3514130 Тяга тормозного крана МТЗ (ТАИМ) Под заказ 925.49 р.
80-35-14020
Диафрагма
В узле: 1
1
80-3514061
Корпус
В узле: 1
2
OCT37.001.163-75
Палец 6x18
В узле: 1
3
80-3514063
Штифт
В узле: 1
36
ГОСТ397-79
Шплинт 3.2x18.019
В узле: 2
5
80-3514070
Тяга
В узле: 1
6
ШКЯМ188.00.02
Прокладка
В узле: 1
7
OCT37.001.115-75
Шайба 6Т
В узле: 6
8
ГОСТ7798-70
Болт M6-6gx16.88.35.019
В узле: 6
9
80-3514084
Крышка
В узле: 1
10
80-3514086
Контргайка
В узле: 1
11
80-3514017
Ушко
В узле: 1
12
ШКЯМ251.00.016
Чехол
В узле: 1
13
80-3514019
Клапан
В узле: 1
14
80-3514018
Прижим
В узле: 1
32
ОСТ37.001.115-75
Шайба 8Т
В узле: 4
16
ГОСТ17473-80
Винт ВМ6-6gх12.58.019
В узле: 2
17
80-3514062
Манжета
В узле: 1
18
80-3514087
Втулка
В узле: 1
19
80-3514014
Пружина
В узле: 1
20
80-3514013
Тарелка пружины
В узле: 1
21
80-3514082
Шток
В узле: 1
22
80-3514012
Пружина
В узле: 1
23
80-3514023
Винт
В узле: 1
24
80-3514025
Шайба
В узле: 2
25
80-3514028
Клапан
В узле: 2
26
80-3514027
Шайба
В узле: 2
27
80-3514022
Трубка
В узле: 1
28
80-3514024
Пружина
В узле: 1
29
80-3514040
Диафрагма
В узле: 1
39
ГОСТ5915-70
Гайка М6-6Н.6.019
В узле: 2
31
80-3514083
Крышка
В узле: 1
35
ГОСТ7796-70
Болт М8-6gх20.88.35.019
В узле: 2
34
80-3514109
Кронштейн
В узле: 1
44
ГОСТ11371-78
Шайба С6.01.08кп.019
В узле: 2
38
80-3514131
Тяга
В узле: 1
40
ДСШ-14.21.141
Пружина
В узле: 1
41
80-3514132
Наконечник
В узле: 1
42
80-3514133
Гайка
В узле: 1
43
ОСТ37.001.163-75
Палец 8x65
В узле: 1
Содержащиеся в справочниках-каталогах запасные части и детали не предлагаются к продаже, а носят исключительно информационный характер

Ваша заявка была отправлена. В ближайшее время наши специалисты с Вами свяжутся по указанному Вами телефону.

Представьтесь
Поле обязательно для заполнения
Ваш телефон
Введите правильный номер телефона
E-mail
Введите правильный e-mail
Тема
Тема
применяемость финансирование доставка цена, наличие другое сервис и гарантия
Время для звонка
08:00
08:00 09:00 10:00 11:00 12:00 13:00 14:00 15:00 16:00 17:00 18:00 19:00
19:00
08:00 09:00 10:00 11:00 12:00 13:00 14:00 15:00 16:00 17:00 18:00 19:00

Мы постараемся перезвонить в указанное время

Если вы не хотите ждать, то звоните нашим вежливым консультантам:

8 800 100-2-700
Подтвердите, что вы не робот
Подтвердите, что вы не робот
Спасибо!

Ваше сообщение успешно отправлено!

ЗакрытьПовторить попытку