Каталог запасных частей к технике: МТЗ-80 (2002). 3708 Стартер

zoom-in zoom-out enlarge shrink circle-right circle-left file-text2 info cart arraw right arraw left zoom out zoom in arraw maximize arraw minimize
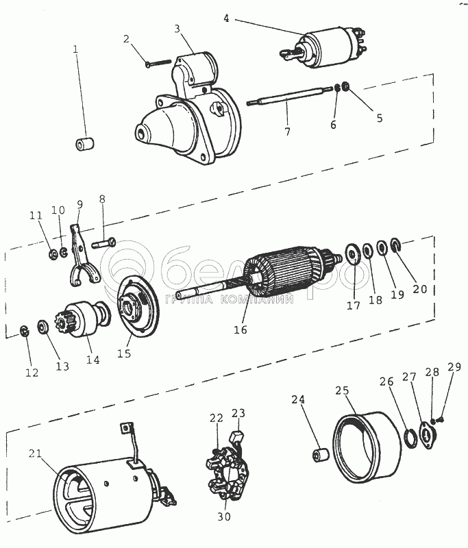
1
2
3
4
5
6
7
8
9
10
11
12
13
14
15
16
17
18
19
20
21
22
23
24
25
26
27
28
29
30
AZJ3124
Стартер
В узле: 1
1
15.120243
Втулка подшипника
В узле: 1
2
16300.126
Винт ВМ5х55
В узле: 3
3
16281793
Крышка передняя
В узле: 1
4
16.670154
Реле
В узле: 1
5
4790.091
Гайка М6
В узле: 2
6
10.800.091
Шайба пружинная 6
В узле: 2
7
15.300.057
Шпилька М6х213
В узле: 2
8
15.300.191
Болт специальный
В узле: 1
9
16901.700
Рычаг
В узле: 1
10
12649.091
Шайба пружинная 8
В узле: 1
11
4.958.091
Гайка М8
В узле: 1
12
15.300.007
Кольцо пружинное
В узле: 1
13
15.900.042
Кольцо ограничительное
В узле: 1
14
16.903.550
Бендикс
В узле: 1
15
16.281.299
Крышка средняя
В узле: 1
16
16.360.402
Ротор
В узле: 1
17
15.401.009
Шайба изоляционная
В узле: 1
18
15.300.027
Шайба регулировочная
В узле: 1
19
15.300.028
Шайба регулировочная
В узле: 1
20
15.900.204
Шайба стопорная
В узле: 1
21
16.280.797
Корпус стартера с обмоткой
В узле: 1
22
16.903.808
Щеткодержатель
В узле: 1
23
16.770.083
Щетка
В узле: 4
24
15.120.155
Втулка подшипника
В узле: 1
25
16.281.224
Крышка задняя
В узле: 1
26
15.400.056
Кольцо уплотнительное
В узле: 1
27
15.900.140
Крышка
В узле: 1
28
Шайба 5
Шайба 5
В узле: 2
29
15.300.710
Винт М5х10
В узле: 2
30
15.200.243
Пружина
В узле: 4
Содержащиеся в справочниках-каталогах запасные части и детали не предлагаются к продаже, а носят исключительно информационный характер

Ваша заявка была отправлена. В ближайшее время наши специалисты с Вами свяжутся по указанному Вами телефону.

Представьтесь
Поле обязательно для заполнения
Ваш телефон
Введите правильный номер телефона
E-mail
Введите правильный e-mail
Тема
Тема
применяемость финансирование доставка цена, наличие другое сервис и гарантия
Время для звонка
08:00
08:00 09:00 10:00 11:00 12:00 13:00 14:00 15:00 16:00 17:00 18:00 19:00
19:00
08:00 09:00 10:00 11:00 12:00 13:00 14:00 15:00 16:00 17:00 18:00 19:00

Мы постараемся перезвонить в указанное время

Если вы не хотите ждать, то звоните нашим вежливым консультантам:

8 800 100-2-700
Подтвердите, что вы не робот
Подтвердите, что вы не робот
Спасибо!

Ваше сообщение успешно отправлено!

ЗакрытьПовторить попытку