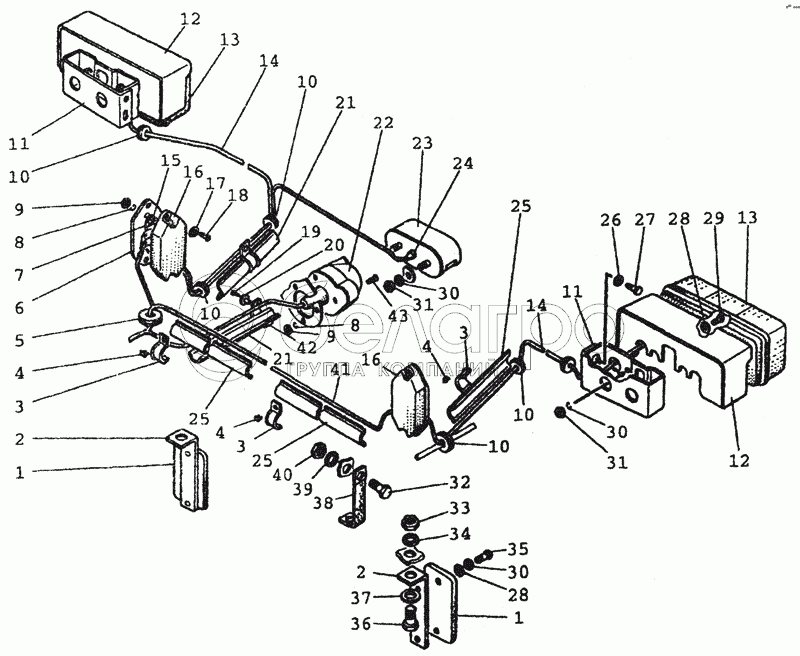
Каталог запасных частей к технике: МТЗ-80 (2002). 3722, 3724 Установка фонарей задних

zoom-in zoom-out enlarge shrink circle-right circle-left file-text2 info cart arraw right arraw left zoom out zoom in arraw maximize arraw minimize
1
1
2
2
3
3
3
4
4
4
5
6
7
8
8
9
9
10
10
10
10
10
11
11
12
12
13
13
14
14
15
16
16
17
18
19
20
21
21
22
23
24
25
25
25
26
27
28
28
29
30
30
30
31
31
32
33
34
35
36
37
38
39
40
41
42
43
13
7303.3716
Фонарь задний
В узле: 2
7303.3716 фонарь задний многофункц (12В)(002) >10 шт. 428.85 р.
7303.3716 Фонарь задний МТЗ с/х, Н/О, 12В , Беларусь Под заказ 780.09 р.
12
85-3716015
Кожух
В узле: 2
85-3716015 Кожух МТЗ заднего фонаря Под заказ 499.36 р.
38
80-3724112
Перемычка массы
В узле: 1
80-3724112 Перемычка МТЗ, Беларусь Под заказ 584.37 р.
11
85-3716012
Кронштейн
В узле: 2
85-3716012 Кронштейн заднего фонаря МТЗ Под заказ 425.02 р.
1
3202.3731
Световозвращатель
В узле: 2
3202.3731 Световозвращатель прямоугольный (красный) (ОАО Руденск) Под заказ 174.94 р.
2
Ф50-3731011
Кронштейн
В узле: 2
3
80-3723043
Скоба
В узле: 6
4
70-3723033
Скоба
В узле: 6
5
80-3723048
Втулка
В узле: 1
6
80-3723021
Планка
В узле: 2
7
15.3723
Панель соединительная
В узле: 2
37
ГОСТ11371-78
Шайба С6.01.08кп.019
В узле: 2
40
ГОСТ5915-70
Гайка М6-6Н.6.019
В узле: 1
10
70-3723042-01
Втулка
В узле: 6
14
85-3724161
Жгут
В узле: 2
43
ГОСТ17473-80
Винт ВМ6-6gх12.58.019
В узле: 3
16
70-3723056
Крышка
В узле: 2
19
ГОСТ1144-80
Шуруп 1-4x25.001
В узле: 2
20
А37.10031
Бонка
В узле: 2
21
80-3723025-01
Желоб
В узле: 2
22
Р9-1
Розетка
В узле: 1
23
ФП131-А
Фонарь освещения номерного знака
В узле: 1
24
70-3723035
Наконечник
В узле: 1
25
80-3723042
Желоб
В узле: 3
39
ОСТ37.001.115-75
Шайба 8Т
В узле: 1
36
ГОСТ7796-70
Болт М8-6gх20.88.35.019
В узле: 2
41
80-3724300В
Жгут
В узле: 1
42
85-3723041-01
Скоба
В узле: 2
Содержащиеся в справочниках-каталогах запасные части и детали не предлагаются к продаже, а носят исключительно информационный характер

Ваша заявка была отправлена. В ближайшее время наши специалисты с Вами свяжутся по указанному Вами телефону.

Представьтесь
Поле обязательно для заполнения
Ваш телефон
Введите правильный номер телефона
E-mail
Введите правильный e-mail
Тема
Тема
применяемость финансирование доставка цена, наличие другое сервис и гарантия
Время для звонка
08:00
08:00 09:00 10:00 11:00 12:00 13:00 14:00 15:00 16:00 17:00 18:00 19:00
19:00
08:00 09:00 10:00 11:00 12:00 13:00 14:00 15:00 16:00 17:00 18:00 19:00

Мы постараемся перезвонить в указанное время

Если вы не хотите ждать, то звоните нашим вежливым консультантам:

8 800 100-2-700
Подтвердите, что вы не робот
Подтвердите, что вы не робот
Спасибо!

Ваше сообщение успешно отправлено!

ЗакрытьПовторить попытку