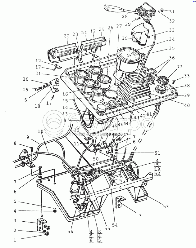
Каталог запасных частей к технике: МТЗ-80 (2002). 3805 Основание, приборы. Вариант 1

zoom-in zoom-out enlarge shrink circle-right circle-left file-text2 info cart arraw right arraw left zoom out zoom in arraw maximize arraw minimize
1
2
3
3
4
4
4
4
4
5
5
5
5
5
5
6
6
7
7
8
8
8
9
9
10
11
12
12
12
13
14
15
16
17
17
18
19
19
20
20
21
22
23
24
25
26
27
28
29
30
31
32
33
33
34
35
36
37
38
39
40
41
42
43
44
45
46
47
48
49
50
51
52
53
54
55
56
28
ПКП-1
Переключатель подрулевой
В узле: 1
ПКП-1 переключатель поворота МТЗ (3912.3769-03) Под заказ 1 602.21 р.
ПКП-1 Переключатель поворота МТЗ, SPILE Под заказ 342.37 р.
ПКП-1 переключатель (3912.3769-01) н/о Под заказ 1 602.21 р.
46
245.3710
Выключатель аварийный
В узле: 1
245.3710 Выключатель МТЗ, аварийной сигнализации (кнопка аварийки), РФ Под заказ 431.97 р.
44
П150М-14.10
Переключатель
В узле: 1
П150М-14.10 Переключатель клавишный стеклоомывателя ветрового стекла МТЗ, (А) Под заказ 74.74 р.
42
80-3801327
Заглушка
В узле: 1
80-3801327 Заглушка МТЗ <10 шт. 84.80 р.
39
80-3805021-01
Щиток
В узле: 1
80-3805021-01 Щиток Под заказ 590.10 р.
40
80-3805012
Уплотнитель
В узле: 1
80-3805012 Чехол рулевого колеса МТЗ, (У) Под заказ 315.82 р.
37
80-3805014
Гайка
В узле: 1
80-3805014 Гайка МТЗ Под заказ 9.56 р.
55
СДФ-2
Сопротивление добавочное
В узле: 1
СДФ-2 сопротивление электрофакельного подогревателя МТЗ Под заказ 286.02 р.
80-3805010-В1
Щиток приборов
В узле: 1
31
ГОСТ5915-70
Гайка М6-6Н.6.019
В узле: 2
32
ОСТ37.001.115-75
Шайба 8Т
В узле: 2
3
80-3805030
Кронштейн
В узле: 2
47
ГОСТ7796-70
Болт М8-6gх20.88.35.019
В узле: 4
29
ГОСТ17473-80
Винт ВМ6-6gх12.58.019
В узле: 2
9
80-3724396
Жгут
В узле: 1
10
80-3724512-Б
Жгут
В узле: 1
11
Шуруп 4x10.019
Шуруп 4x10.019
В узле: 4
12
80-3723026
Скоба
В узле: 4
13
80-3724225-Б
Жгут
В узле: 1
14
80-3724220-Д
Жгут
В узле: 1
15
ЭИ8006-2
Указатель напряжения
В узле: 1
16
ЭИ8007-2
Указатель топлива
В узле: 1
17
Шуруп 4x16.019
Шуруп 4x16.019
В узле: 6
18
80-3805035-01
Кронштейн левый
В узле: 1
51
ГОСТ11371-78
Шайба С6.01.08кп.019
В узле: 1
21
ЭИ8008-3
Указатель температуры
В узле: 1
22
БКЛ3803-03
Блок контрольных ламп
В узле: 1
23
80-3805015
Кронштейн
В узле: 1
24
БКЛ3803-01
Блок контрольных ламп
В узле: 1
25
ЭИ8009-9
Указатель давления масла
В узле: 1
26
ЭИ8009-11
Указатель давления воздуха
В узле: 1
27
80-3805064
Заглушка
В узле: 1
30
80-3709023В
Кожух
В узле: 1
33
ГОСТ17474-80
Винт BM6-6gx12.58.019
В узле: 4
34
AР70.3813
Тахоспидометр
В узле: 1
35
80-3805035
Кронштейн правый
В узле: 1
36
АР70.3709-01
Пульт управления
В узле: 1
38
1202.3704-03
Выключатель стартера и приборов
В узле: 1
41
80-3805028
Заглушка
В узле: 1
43
П150М-19.44
Переключатель
В узле: 1
45
П147М-04.29
Переключатель
В узле: 1
48
РС492
Реле-прерыватель контрольной лампы ручного тормоза
В узле: 1
49
80-3805043
Кронштейн
В узле: 1
50
70-3723042-01
Втулка
В узле: 1
52
П14.3723
Панель
В узле: 1
53
80-3805050-Б1
Основание
В узле: 1
54
50-4607064
Втулка
В узле: 1
56
80-3723036
Скоба
В узле: 1
Содержащиеся в справочниках-каталогах запасные части и детали не предлагаются к продаже, а носят исключительно информационный характер

Ваша заявка была отправлена. В ближайшее время наши специалисты с Вами свяжутся по указанному Вами телефону.

Представьтесь
Поле обязательно для заполнения
Ваш телефон
Введите правильный номер телефона
E-mail
Введите правильный e-mail
Тема
Тема
применяемость финансирование доставка цена, наличие другое сервис и гарантия
Время для звонка
08:00
08:00 09:00 10:00 11:00 12:00 13:00 14:00 15:00 16:00 17:00 18:00 19:00
19:00
08:00 09:00 10:00 11:00 12:00 13:00 14:00 15:00 16:00 17:00 18:00 19:00

Мы постараемся перезвонить в указанное время

Если вы не хотите ждать, то звоните нашим вежливым консультантам:

8 800 100-2-700
Подтвердите, что вы не робот
Подтвердите, что вы не робот
Спасибо!

Ваше сообщение успешно отправлено!

ЗакрытьПовторить попытку